所屬科目:技檢◆油壓-乙級
(A)內部引導 (B)外部引導 (C)內部排放 (D)外部排放 。
(A)C1對停止時的衝擊緩和有效 (B)C1對啟動時的衝擊緩和有效 (C)C2對停止時的衝擊緩和有效 (D)C2對啟動時的衝擊緩和有效 。
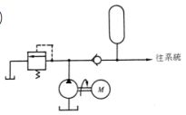
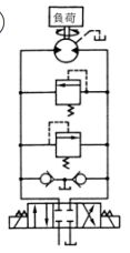
(A)A 為高壓小排量泵 B為低壓大排量泵 (B)A 為低壓大排量泵 B 為高壓小排量泵 (C)為一卸載迴路 (D)具有同步運動迴路的功能 。
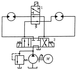
(A)電磁閥 2激磁,電磁閥 1 不激磁 (B)電磁閥 1 及 2 兩個電磁閥都激磁 (C)兩液壓馬達並聯 (D)兩液壓馬達串聯 。
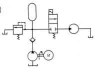
(A)具有快慢速迴路的作用 (B)具有儲存能量用的功能 (C)可提供液壓缸兩段的速度 (D)可當作吸收脈動的迴路 。
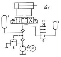
(A)PB=35kgf/cm2(B)PC=25kgf/cm2 (C)PB=PC=55kgf/cm2 (D)溢流閥不排油 。
(A)PB=35kgf/cm2 (B)PC=25kgf/cm2 (C)PB=PC=55kgf/cm2 (D)溢流閥排油 。