所屬科目:教甄◆電子科/資訊科/電機科/冷凍空調科/控制科/電機空調科
2. 有一濾波器之轉移函數為 ,其中 a, b, c 皆不為零之實數,則下列敘述何者正確? (A)此為二階帶通濾波器 (B)此為二階低通濾波器 (C)此為二階高通濾波器 (D)此為二階全通濾波器。
3. 下列關於CMOS反相器的敘述何者錯誤? (A)輸入時,PMOS工作於截止區, NMOS工作於三極體區(歐姆區) (B)輸入 0V 時,PMOS工作於三極體區(歐姆區),NMOS工作於截止區 (C)動態消耗功率 為輸入信號之頻率、 C L 為輸出端之負載電容、 為電源電壓 (D)輸入信號為穩態時,消耗功率最小。
4. 欲使各種N通道場效電晶體(JFET、DMOSFET、EMOSFET)之集極電流可正常操作 (ID>0) ,下列敘述何者正確? (A)皆須大於零 (B)皆須小於零 (C)-VP及 皆需小於零 (D)皆需大於零。
5. 如下圖所示為某變壓器耦合串級放大電路之頻率響應圖,試問下列何者敘述正確? (A)變壓器線圈阻抗造成高頻衰減 (B)線路之雜散電容造成低頻衰減 (C)電晶體之 用 極際電容造成低頻衰減 (D)變壓器線圈寄生電容造成高頻衰減。
7. 因輸出電壓變化影響之金氧半場效應電晶體(MOSFET)通道長度調變特性稱為 (A)電磁感應 (B)壓電效應 (C)爾利效應 (D)電流調變。
8. 如下圖所示之電路,下列敘述何者錯誤? (A)Vo 波形為弦波 (B)RF ≥ 29R電路才會穩定振盪 (C)振盪頻率 (D)振盪原理為巴克豪森準則。
9. 如下圖所示為以三用電表量測TTL邏輯閘之電流的接法,試問這樣的接法是測量邏輯閘的何種電流值? (A)高準位輸出電流 (B)低準位輸出電流 (C)高準位輸入電流 (D)低準位輸入電流。
11. 如右圖所示電路, 庫倫,則圖中a點之電位為 (A)180 (B)360 (C)540 (D)720伏特。
13. 如下圖所示電路為平衡三相電路,電源與負載單位分別為伏特與歐姆,試求△接負載的總功率為多少瓦特? (A)7920 (B)6050 (C)10477 (D)2640。
15. 如下圖所示之相依電壓源電路,試求A-B端點間的戴維寧等效電路之等效電阻() 為多少? (A)(B)(C) (D)。
16. 如下圖所示,有一長為10公分的條形磁鐵,其磁極強度為100靜磁,試求在磁軸中垂線上,P點處之磁場強度為何? (A)2 (B) (C) (D) [達因/靜磁]。
17. 如下圖所示之電路,假設OPA的開回路增益 、極點頻率為 20Hz ,電晶體 , 若輸入電壓 Vi (t ) = 1✖ sin(ω •t ) ,則下列何者正確? (A)電壓增益(B)回授因數 β =0.9 (C)負載之輸出功率 = 10 瓦特 (D)回授後之極點頻率為 200KHz 。
18. 如下圖所示電路,假設二極體的特性皆相同,若該二極體流過1mA電流時端電壓為 0.7V,試計算輸出電壓Vo為多少伏特? (二極體的η=1,Vt=25mV) ,ln5=1.6) (A)2.11V (B)2.23V (C)2.34V (D)2.45V。
19. 若TTL邏輯閘之電氣特性為, 則其雜訊邊限為何? (A)0.3V (B)0.4V (C)0.5V (D)0.6V。
21. 若A為MSB,D為LSB,下列敘述,何者錯誤? (A) (B) (C) (D)
22. 下 列 數 值 何 者 與 相 同 ? (A) (B) (C)(D)(E)送分
23. F(W,X,Y)=Σ(0,2,3,4,5,7),試以卡諾圖化簡此函數,函數化簡後下列何者正確?①② ③,④ (A)②③ (B)①④ (C)①③④(D)①②③。
25. 如下圖所示為7432的邏輯閘,其電氣特性如表一所示,若輸出 f = A ,試問電阻器R應選用何者較適合? (A)1KΩ (B)2.2KΩ (C)5.1KΩ (D)10KΩ。
4.如下圖所示之電路,求由a、b看入之戴維寧等效電阻=(1)_____Ω及戴維寧等效電壓=_____V。(每格2分,共4分)
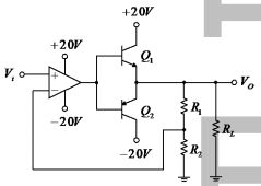
5.如下圖所示之電路,若 、RL = 2KΩ,所有電晶體之特性皆相同、 = 0.7V、β = 200、ηVT = 26mV,求此電路之 =_________ V、(b)電壓增益__________。(每格2分,共4分)
6.如下圖所示之理想二極體電路中,試求輸入電壓Vi的範圍,在此範圍內,輸出電壓Vo的值將會 隨輸入Vi之變化而變化,其範圍為: ___________ 。(2分)
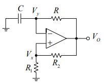
7.如下圖所示韋恩電橋振盪電路,若R=1kΩ,C=0.1μF,R1=10kΩ,試求振盪發生時:正弦波振盪 頻率f=___________ ,R2=_______。(每格2分,共4分)
8.如下圖所示電路,A為MSB、D為LSB,求輸出Y(A, B, C,D)的布林函數為何? Y(A, B, C, D) = ∑ m(_______________)。(2分)
9.如下圖所示電路,試問(a)此電路的模數_____、(b)B的輸出頻率為____ KHz。(每格2分,共4分 )
10.有一輸入多工器中,若S2S1S0=CBA,而,則其輸出 函數f(D,C,B,A)為何?______________(2分)
11.如右圖所示電路(正反器之間的方塊是MUX),圖中若,count = 0,當加入 431個脈波後,QCQBQA = __________。(2分)
1.空氣中有一半徑為20cm的金屬球體,帶電量為庫侖,試求距離球心10cm、40cm處的電場 強度及電位各為多少?同時須有完整的計算式,否則不須計分。(4分)
2.如下圖所示為一磁性物體經過一磁化循環所得之磁滯迴線,試說明區段ob段、oc段以及abcdefa 所圍成的面積其所代表的涵義為何?(3分)
3.如下圖之電路靜態工作點(Q點)的測試實驗,測得右下圖之輸出特性曲線,若欲設計Q點移動 至A點,請說明需如何操作?(4分)
4.欲設計某序向邏輯電路,列出狀態表如下圖所示,試化簡狀態表。 (請化簡至最簡狀態才給分,5分)
5. 試完成下列布林代數式的最簡式,並使用反及閘(NAND Gate)繪出 最簡式的電路設計。(4分)
1.如下圖為非理想 LC 並聯諧振之電路圖,試證明此電路之振盪頻率為下列方程式:。
2.如下圖為OPA方波產生器之電路圖,試證明此電路之週期為:、其中回授因 數 。