所屬科目:工程力學(包括流體力學與材料力學)
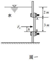
一、圖一所示矩形閘門 AB,高 3 m ,寬度(垂直於圖面)為 2.5 m ,A 和 B 兩點處皆以螺絲鎖緊。若水的密度 = 1000kg / m3 。試求作用在閘門 AB 上的水壓力之合力 FR 的大小,並求水壓合力 的作用點到 B 點的 距離 h =?
二、圖二所示為等截面實心圓桿,圓桿直徑為 50 mm ,長 L = 2 m,楊氏模數 E = 5GPa 。圓桿之 A、B 兩端為固定端,在 A 點的接頭是由平板構件、 U 形夾,及直徑為10 mm之螺栓(bolt)組合而成的。若軸力 P = 30 kN 作 用於 C 點,則 A 端之螺栓所承受的剪應力τ = ? 又,C 點之水平位移 = ?
三、均質等向性之彈性體,如圖三所示,此物體六個面都承受大小相同之均 佈壓力 P。已知此物體在 x 方向之長度縮短量為1.2 ×cm,若此彈性體 之楊氏模數 E = 20GPa,包森比 v = 0.3,則此物體之體積應變量(或稱膨 脹 dilatation) e = ? 又,均佈壓力 P = ?
四、圖四(a)所示之簡支梁,受到之力矩作用,此梁之截面是由四片木材用四隻鐵釘所釘成的組合梁,如圖四(b)所示。求此梁之最 大拉應力 ? 若鐵釘在縱向( x 向)之間距為 12cm ,求毎一鐵釘所承受 之剪力大小。