所屬科目:靜力學概要與材料力學概要
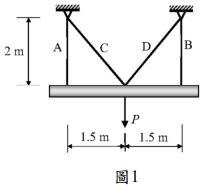
一、如圖 1 所示四根均質鋼線對稱懸吊一剛體。若所有鋼線之性質均相同, 在拉力 P = 40 kN 作用之下,試分別求 A、B、C、D 各鋼線之軸向力。 (25 分)
二、一底為 20 cm,高為 15 cm 之等腰三角形斷面,現於其底部開一10 ✖ 5 cm 對稱方孔(如圖 2 所示) 。請分別求其對方孔頂部平行於底部之 x 軸,及 對垂直對稱軸(y 軸)的慣性矩。(25 分)
三、一邊長 40 cm,厚度為 2 cm 之方形鋼管短柱,內部充填混凝土(如 圖 3 所示)。設鋼管彈性模數 Es = 2.0×106 kgf/cm2,混凝土彈性模數 Ec = 3.5×105 kgf/cm2。現該柱承受一無偏心之軸向壓力 P = 400 tf,試分 別求鋼管及混凝土之平均軸向應力。(25 分)
四、兩 種分別為 圓形( 直徑 D)及方 形(邊 長 B)的 均 質 彈性 材料 斷 面 (如圖 4 所示) 。若兩種斷面承受相同之彎矩,且其最大彎曲應力相同, 則圓形斷面直徑 D 與方形斷面邊長 B 之關係為何?又若兩種斷面承受 相同之剪力,且其最大剪應力相同,則 D 與 B 之關係為何?(25 分)