所屬科目:電子學
5. 下列何者為 dBm 之基本定義? (A) (B)(C) (D)
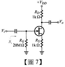
7. 試求【圖 7】所示電路之輸入電阻 Ri 為多少歐姆?
(A) 1 kΩ (B) 10 MΩ (C) 15 MΩ (D) 20 MΩ
12. 若欲將【圖 12】所示放大電路之工作點(Q 點)移向 A 點,請問執行下列何種動作可以辦到?(A) 增加 RB 電阻值 (B) 減小 RB 電阻值 (C) 增加 Rc 電阻值 (D) 減小 Rc 電阻值
13. 如【圖 13】所示為理想運算放大器(OPA)應用電路,若輸入電壓(Vi)為 3.5V,則輸出電壓(Vo)為多少伏特(V)?(A) -17.5V (B) 17.5V (C) -15V (D) 15V
14. 下列由雙極性接面電晶體(BJT)所組成的達靈頓電路,何者為正確接法? (A)(B)(C)(D)
15. 下列何者為 N 通道空乏型金屬氧化物半導體場效電晶體(DMOSFET)的符號? (A)(B)(C)(D)
20. 在 P 通道電晶體 MOSFET 如【圖 20】所示,下列敘述何者正確?(A) 必須在柵極(gate, G)施加較源極(source, S)正電壓,才會進入飽和區 (B) P 通道內負責主要導電的電荷載體為電子 (C) P 通道內負責主要導電的電荷載體為正電的電子 (D) P 通道內負責主要導電的電荷載體為電洞
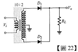
22. 【圖 22】所示的變壓器其變壓比為 10:2,將變壓器的中央位置接地,構成中央抽頭接地全波整流電路,輸入電壓 Vi = 100 sin100t,則所用的二極體的尖峰逆向電壓 PIV 為多少伏特?(A) 10 (B) 14.14 (C) 20 (D) 28.28
26. 【圖 26】所示的運算放大器電路中,Rf=100 kΩ,R1 = 10 kΩ;假若輸入電壓 vi= 2 mV,則 OPA 的輸出電壓為多少?(A) -22 mV (B) 20 mV (C) 22 mV (D) 200 mV
29. 【圖 29】的正弦交流電壓波型,其頻率為多少?(A) 10 Hz (B) 20 Hz (C) 50 Hz (D) 50 rad
33. 【圖 33】所示的變壓器電路,N1:N2=5:1,假設在輸入端 V1 施加 10V 的直流電,則輸出端的電壓為多少?(A) 0.4 V (B) 2.0 V (C) 50 V (D) 0 V
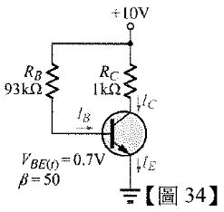
34. 【圖 34】所示的電晶體放大電路,集極電流IC為多少安培?
(A) 0.1 mA (B) 0.107 mA (C) 5.0 mA (D) 10.0 mA
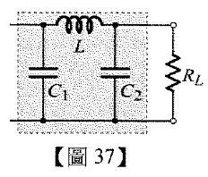
37. 【圖 37】方塊內由電感及電容所組成的濾波電路,是屬於:(A) 高頻通過的高通濾波器(high-pass filter) (B) 低頻通過的低通濾波器(low-pass filter) (C) 某一頻段通過的帶通濾波器(band-pass filter) (D) 某一頻段無法通過的帶斥濾波器(band-reject filter)
38. 【圖 38】所示由理想運算放大器 OPAMP、電阻及電容所構成的電路,下列選項何者正確?(A) (B)(C)(D)
40. 【圖 40】所示符號,分別代表什麼電子元件?
(A) (a)是 P 通道增強型 MOSFET;(b)是 NPN 電晶體 (B) (a)是 P 通道空乏型 MOSFET;(b)是 NPN 電晶體 (C) (a)是 N 通道增強型 MOSFET;(b)是 PNP 電晶體 (D) (a)是 N 通道空乏型 MOSFET;(b)是 PNP 電晶體
42. 【圖 42】所示的電晶體,假設 BE 接面與 BC 接面的障壁電壓分別為 VBE=0.7V 及 VBC=0.5V,在此偏壓狀態下的電晶體處於何種工作狀態?(A) 截止狀態 (B) 線性放大工作狀態 (C) 飽和狀態 (D) BE 接合面為導通狀態;BC 接合面為截止狀態
43.則輸出電壓 Vo 為何?(A) Vo = 9.0 V (B) Vo = 5.0 V (C) Vo = 4.5 V (D) Vo = 4.5V
44. 承第 43 題,流過 1kΩ 的電流 IkΩ 及負載 10kΩ 的消耗電功率 P 分別為多少? (A) IkΩ=1.0 mA;P=10mW (B)IkΩ=5.5 mA;P=2.025 mW (C)IkΩ=4.5 mA;P=202.5 mW (D)IkΩ=5.5 mA;P=302.5 mW
45. 【圖 45】所示的電晶體放大電路,前面輸入端與後面輸出端,各連接有一個電容器,該電容器的主要目的為何?(A) 隔離交流訊號,避免雜訊干擾,就是俗稱的抗 EMI 功能 (B) 阻隔直流電壓,讓前後級放大器的偏壓設計能獨立運作,穩定工作點 (C) 避免電路處於飽和模式,變成數位電路 (D) 提高電壓放大率
46. 【圖 46】所示的電晶體放大電路,其中的電晶體結構與接線方式,又稱為什麼電路?(A) 共射極放大電路 (B) 共基極放大電路 (C) 施密特觸發電路 (D) 達靈頓對電晶體放大電路
48. 【圖 48】所示由理想運算放大器 OPAMP 所組成的電路中,±VCC=±15V,Rf=200 kΩ,R1 = 20 kΩ,輸入電壓 Vs=2V,則倒相輸入端 VA 的電壓為多少?(A) 0V (B) 2 V (C) 5/11 V (D) -15 V
49. 【圖 49】所示的理想二極體電路中,則下列選項中,何者是輸出電壓正確的波形?(A)(B)(C)(D)
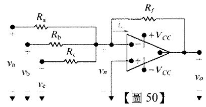
50. 【圖 50】由理想運算放電器 OPA 所組成的電路中,輸入電壓 Va=10mV,Vb=20mV,Vc=30mV,Ra=200 kΩ,Rb = 40 kΩ,Rc = 50 kΩ,Rf = 200 kΩ,則輸出電壓 Vo 為何?
(A) 60 mV (B) 230 mV (C) -240 mV (D) -230 mV