所屬科目:技檢◆油壓-乙級
1. 臺灣在一年中什麼時期會比較缺水(即枯水期)? (A)6 月至 9 月 (B)9 月至 12 月 (C)11 月至次年 4月 (D)臺灣全年不缺水。
2. 下列何者為加熱器 (A) (B)(C)(D)。
3.左圖為一____________ 之符號。(A)增壓器 (B)過濾器 (C)潤滑器 (D)冷卻器
4. 下圖所示之意義為 (A)定量油泵及變量油壓馬達組成之開迴路油壓系統 (B)變量油泵及定量油壓馬達組成之開迴路油壓系統 (C)定量油泵及變量油壓馬達組成之閉迴路油壓系統 (D)變量油泵及定量油壓馬達組成之閉迴路油壓系統。
5. 二個單向流量閥互為相反方向串聯相接,其開度設定可流通油量分別為 6LPM 及 8LPM,則通過這二個流量閥的順反向最大油量為 (A)6 與 8LPM (B)7 與 7LPM (C)8 與 14LPM (D)2 與 14LPM。
6. 使用聯軸器(Coupling)連接泵的轉軸和電動機驅動軸時,其兩軸之偏心誤差大約保持在________mm 以下。 (A)0.02(B)0.3 (C)0.15 (D)0.03
7. 比例方向閥所控制的流量隨著閥前後兩端的差壓成 (A)正比 (B)不變 (C)平方比 (D)反比。
8. 0.5 級之儀錶其允許誤差在 (A)任何指示值之 0.5% (B)最小刻度之 0.5% (C)滿刻度之 0.5% (D)任何指示值之 5%。
9. 使各活塞平行排列的方式與泵浦旋轉軸的方向一致平行,利用一個斜盤裝置,在與中心軸線交成某一角度的位置而旋轉的油壓泵叫 (A)輻射式活塞油壓泵(星式) (B)軸向式活塞油壓泵 (C)偏心迴轉輻射活塞式油壓泵 (D)徑向式活塞油壓泵。
10. 已知頻率 500Hz,輸入示波器上一週期佔有 4 小格,加入待測信號,一週期佔 2 格,則待測信號之頻率為 (A)1000 (B)500 (C)250 (D)200 Hz。
11. 用人的裸視可以看見髒物的質點大小是 (A)大於 30μm (B)大於 40μm (C)大於 10μm (D)大於20μm。
12. 某一液壓泵排量 q=20cc/rev,為 6 極三相感應馬達驅動,在泵出口之工作壓力 p=200kgf/cm2 時,該泵之容積效率 ηv=0.95,全效率 η=0.90,試求泵之輸出功率 No=? (A)8.48 (B)10.13(C)13.83 (D)7.45 HP。
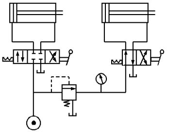
13. 如下圖所示,管路阻力忽略不計,在溢流閥設定壓力 50 kgf/cm2 時,止回閥 A、B 開啟壓力分別為 3、2 kgf/cm2,阻尼管 C 壓降為 5kgf/cm2,下列敘述何者正確?(A)P3 (B)P1 (C)P4 (D)P2 壓力為 10 kgf/cm2。
14. 如下圖所示,當電磁閥激磁時,若流經管線之壓降不計,則 C 點之壓力應為多少? (A)0 (B)50(C)100 (D)80 kgf/cm2。
15. 當使用油壓馬達驅動大質量的慣性負載時,為防止空蝕噪音,應在迴路上設計 (A)煞車迴路 (B)止回迴路 (C)補油迴路 (D)配衡迴路。
16. 油箱上之通氣蓋(air breather),其容量以泵吐出量的 (A)1 倍 (B)3 倍 (C)4 倍 (D)2 倍。
17. 通常用在蓄壓迴路或高壓小容量、低壓大容量之二壓泵場合宜用 (A)抗衡閥 (B)減壓閥 (C)分流閥(D)卸載閥。
18. 機車為空氣污染物之主要排放來源之一,下列何者可降低空氣污染物之排放量:A.將四行程機車全面汰換成二行程機車;B.推廣電動機車;C.降低汽油中之硫含量? (A)ABC 皆正確 (B)僅 AB (C)僅 AC (D)僅 BC。
19. 從事於易踏穿材料構築之屋頂修繕作業時,應有何種作業主管在場執行主管業務? (A)擋土支撐組配 (B)施工架組配 (C)屋頂 (D)模板支撐。
20. 我國移動污染源空氣污染防制費的徵收機制為何? (A)依牌照徵收 (B)依照排氣量徵收 (C)隨油品銷售徵收 (D)依車輛里程數計費。
21. 勞工在何種情況下,雇主得不經預告終止勞動契約? (A)確定被法院判刑 6 個月以內並諭知緩刑超過 1 年以上者 (B)經常遲到早退者 (C)不服指揮對雇主暴力相向者 (D)非連續曠工但 1 個月內累計達 3 日以上者。
22. 電磁閥作動不良時,下列何者不是檢查項目? (A)安裝方向 (B)閥軸塞是否被汙染物卡住 (C)電磁圈是否燒毀 (D)彈簧是否斷裂。
23. 油壓邏輯開關元件可做方向控制而附加開度限制器時亦可做為 (A)位置控制 (B)流量控制 (C)力量控制 (D)調壓控制。
24. 下圖之迴路為一 (A)順序迴路 (B)壓力保持迴路 (C)調速迴路 (D)剎車迴路。
25. 冷氣房內為減少日照高溫及降低空調負載,下列何種處理方式是錯誤的? (A)屋頂加裝隔熱材、 高反射率塗料或噴水 (B)於屋頂進行薄層綠化 (C)將窗戶或門開啟,讓屋內外空氣自然對流 (D)窗戶裝設窗簾或貼隔熱紙。
26. 已知一油泵排量為每轉 10cm3,若其用於 100bar 之壓力時之容積效率為 85%,以電動機四極轉差率 3%,試問每分鐘之理論吐出量(1pm)為 (A)17.46 (B)16.54 (C)19.32 (D)15.86。
27. 油缸之滑動抵抗因迫緊(packing)之形狀、材質而異,一般約為________ kgf/cm2。(A)1 (B)3 (C)5 (D)10
28. 冷氣外洩會造成能源之浪費,下列的入門設施與管理何者最耗能? (A)自動門無氣簾 (B)自動門有氣簾 (C)全開式無氣簾 (D)全開式有氣簾。
29. 下列的能源效率分級標示,哪一項較省電? (A)4 (B)1 (C)2 (D)3。
30. 如下圖符號為 (A)OR (B)AND (C)NOR (D)保持電路。
31. 如下圖之迴路為一 (A)調速迴路 (B)同步迴路 (C)調壓迴路 (D)洩壓迴路。
32. 受僱人於職務上所完成之著作,如果沒有特別以契約約定,其著作人為下列何者? (A)雇用公司或機關法人代表 (B)受僱人 (C)雇用人 (D)由雇用人指定之自然人或法人。
33. 下列對於感電電流流過人體的現象之敘述何者有誤? (A)顏面、手腳燒傷 (B)血壓降低、呼吸急促、精神亢奮 (C)強烈痙攣 (D)痛覺。
34. 下列哪一種液壓油可以承受較高的運轉溫度? (A)合成油 (B)石油系油 (C)W/O 型乳化劑油 (D)水乙二醇系油。
35. 營業秘密可分為「技術機密」與「商業機密」,下列何者屬於「商業機密」? (A)設計圖 (B)程式(C)生產製程 (D)商業策略。
36. 乘坐轎車時,如有司機駕駛,按照國際乘車禮儀,以司機的方位來看,首位應為 (A)前座右側 (B)後排左側 (C)後排中間 (D)後排右側。
37. 一般油壓控制閥裝配面的平面度要求在 (A)0.01 (B)0.1 (C)0.05 (D)0.03 mm。
38. 溢流閥(relief valve)發生顫振的主要原因是 (A)黏度太小 (B)流量太大 (C)導壓遙控管路容積太大 (D)流量太少。
39. 油壓邏輯開關元件之功能為 (A)力量控制 (B)調壓控制 (C)流量控制 (D)方向控制。
40. 使用比例方向閥來控制一變動的負載時,如欲達到精確的速度控制,我們必須裝置 (A)節流閥 (B)壓力補償器 (C)改變控制信號 (D)溫度補償器。
41. 以下何者不是油缸迫緊(packing)所需條件? (A)摩擦係數大 (B)耐熱耐寒性 (C)耐油性 (D)抗磨性。
42. 如下圖之情況,表 2 的壓力值為 (A)200 (B)150 (C)100 (D)0 PSi。
43. 下圖所示之符號為 (A)消音器 (B)增壓器 (C)擺動馬達 (D)預壓槽。
44. 英制一吋鋼管係指其 (A)內徑接近 1 吋 (B)外徑等於 1 吋 (C)外徑接近 1 吋 (D)內徑等於 1 吋。
45. 電動馬達的轉速與下列何者無關? (A)電流 (B)極數 (C)轉差率 (D)頻率。
46. 當在油箱內部配置泵的吸入管與回油管時,其原則為 (A)沒有一定的規則 (B)吸入管與回油管愈近愈好 (C)使用隔板將吸入管與回油管隔開 (D)吸入管與回油管安裝於油箱內的兩端即可。
47. 用三用電表之 DCV 檔測量 AC 10 伏電壓,則指針 (A)不準確 (B)不動 (C)14.14 伏 (D)10 伏。
48. 伺服系統中,「感測器」的用途是 (A)信號放大 (B)信號檢知 (C)信號設定 (D)信號比較。
49. 小張獲選為小孩學校的家長會長,這個月要召開會議,沒時間準備資料,所以,利用上班期間有空檔非休息時間來完成,請問是否可以? (A)不可以,因為這是私事,不可以利用上班時間完成 (B)可以,因為他能力好,能夠同時完成很多事 (C)可以,只要不要被發現 (D)可以,因為不耽誤他的工作。
50. 能產生正弦波、三角波、方波的儀器是下列那一種? (A)函數信號產生器 (B)掃描標誌信號產生器(C)低週波信號產生器 (D)高週波信號產生器。
51. 下列那種泵,通常其排量為不能改變? (A)軸向式活塞泵 (B)齒輪泵 (C)斜板式活塞泵 (D)輪葉泵。
52. 外食自備餐具是落實綠色消費的哪一項表現? (A)回收再生 (B)環保選購 (C)降低成本 (D)重複使用。
53. 對於核計勞工所得有無低於基本工資,下列敘述何者有誤? (A)僅計入在正常工時內之報酬 (B)應計入加班費 (C)不計入休假日出勤加給之工資 (D)不計入競賽獎金。
54. 利用豬隻的排泄物當燃料發電,是屬於下列那一種能源? (A)生質能 (B)地熱能 (C)太陽能 (D)核能。
55. 有一滿刻度為 1200kgf 之負荷囊,其激發輸出信號比值為 2.5mV/1V,今提供 24V 的激發電壓,則負荷囊輸出比例常數為 (A)30 (B)20 (C)40 (D)10 kgf/mV。
56. 有最好的流量曲線,但對塵土也最敏感,壓力反應性比較慢,可以限制系統內的壓力以何種壓力控制閥為宜? (A)差壓提動洩壓閥 (B)減壓順序閥 (C)引導操作式洩壓閥 (D)直動式洩壓閥。
57. 由汽油、溶劑、油脂等引發的火災,一般使用 (A)二氧化碳滅火器 (B)泡沫滅火器 (C)大量的水 (D)乾粉滅火器滅火。
58. 油壓系統中,孔口型流量閥之流量是 (A)與壓力差△P 成反比 (B)與壓力差△P 成正比 (C)與成正比 (D)與成反比。
59. 引導式止回閥未加引導壓力時 (A)逆向可通 (B)逆向不可通 (C)雙向均可通 (D)順向不可通。
60. F/V 轉換器的主要功能為 (A)電壓轉成脈衝 (B)電壓轉成電流 (C)脈衝轉成電流 (D)脈衝轉成電壓。
61. 有關卸載閥(unloadingvalve)內部結構的敘述,下列何者為真? (A)全部都需與止回閥並聯,才能使用 (B)引導方式全是外部引導 (C)閥的額定流量要滿足系統需求,當最大流量通過時,一次側壓力需小於 3.5kgf/cm2 (D)排泄(Drain)方式有內部排泄與外部排泄。
62. 如下圖所示,下列敘述何者為真? (A)圖中流量補整閥在使慢速動作時使用 (B)圖中減速閥在使快速變為慢速時,產生減速動作 (C)機械式兩段速度控制閥(快速、慢速) (D)圖中止回閥在防止壓油逆流。
63. 如下圖所示,油壓閉迴路系統中油壓馬達的轉速與轉矩、轉速與馬力之關係,下列何者為正確的特性圖? (A)(B)(C)(D)。
64. 如下圖所示,下列敘述何者為真? (A)該閥為四口三位中位全閉換向閥 (B)連續正方形之數量,係表示閥之換向位置之數量 (C)各正方形內之箭頭,係表示一個換向位置之流量方向 (D)係表示閥之通路關閉。
65. 油壓馬達每轉容量 q=50cc/rev、轉速 n=1200rpm、入口壓力 P1=110kgf/cm2、出口壓力P2 =10kgf/cm2、馬達的機械效率ηm=0.95、容積效率ηv=0.92,下列敘述何者為真? (A)實際輸入馬達之流量為65.2 lpm (B)輸出軸之馬力為 9.3kW (C)出軸之馬力為 10.7kW (D)實際輸入馬達之流量為 63.2 lpm。
66. 我們一啟動馬達時,保險絲即燒斷或無熔絲開關即跳脫,下列何者為引起的原因? (A)馬達的驅動負載過重 (B)馬達線圈短路 (C)馬達的啟動方式設計不良 (D)保險絲太粗或無熔絲開關容量太 大。
67. 油壓缸的安裝如採用前端凸緣式安裝,下列敘述何者為真? (A)受推力時,負載是由凸緣板承受 (B)受拉力時,負載是由固定螺栓承受 (C)受拉力時,負載是由凸緣板承受 (D)受推力時,負載是由固定螺栓承受。
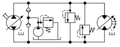
68. 有關積層閥(modularvalves)的特性,下列何者為正確? (A)迴路的壓力損失較少,可節約能源 (B)元件較複雜,維護、檢修不易 (C)可大幅縮小安裝空間 (D)組裝工作需要很熟練的技術。
69. 如下圖所示,下列敘述何者為真?
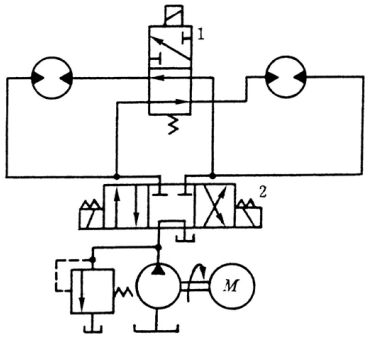
(A)為外部引導式 (B)為內部引導式 (C)為外部引導式抗衡閥 (D)卸載閥。
70. 如下圖所示,要得到較高的馬達轉速,下列作法何者正確? (A)電磁閥 2 激磁,電磁閥 1 不激磁(B)兩液壓馬達並聯 (C)兩液壓馬達串聯 (D)電磁閥 1 及 2 兩個電磁閥都激磁。
71. 三相交流感應電動機運轉中若電線欠一相時,電動機會 (A)轉速變慢產生噪音 (B)立即停止 (C)繼續原速運轉 (D)轉速變慢導致過載保護跳脫。
72. 如下圖所示,壓力補償式流量控制閥與負載 W 變大的關係,下列敘述何者為真? (A)通過壓力補償式流量控制閥之流量 Q 不變 (B)P2 壓力變大 (C)壓力差 ΔP 變大 (D)壓力差 ΔP 變小。
73. 選用油泵時須考量的因素 (A)最高轉數 (B)泵浦效率 (C)最高使用壓力 (D)油的黏度。
74. 水冷卻器冷卻銅管在構造上有 (A)鰭管式 (B)裸管式 (C)牙管式 (D)多管式。
75. 在沒使用蓄壓器之油壓系統使用流量,試問由下列哪些項目總和決定? (A)同時工作的各致動器總合使用流量 (B)加上卸載時的卸載流量 (C)各油壓缸及油壓馬達總合使用量 (D)必要流量乘上系統的洩漏係數。
76. 螺絲起子的使用,下列敘述何者正確? (A)大小一定要與螺絲頭的大小配合 (B)鋒部的厚度要與螺絲頭上的槽配合 (C)握住起子後,使刀桿和螺絲頭成 80°再旋轉 (D)在鬆開一個生銹的螺絲時,可斜握著起子輕輕敲打。
77. 如下圖所示,下列敘述何者有誤? (A)單向變排量式液壓馬達 (B)定排量式液壓泵 (C)雙向變排量式液壓泵 (D)雙向變排量式液壓馬達。
78. 如下圖所示,若把 B、Y 兩口連接於油箱時,全部組合起來使用可以做為何種用途,下列敘述何者為真?
(A)作為壓力控制邏輯閥 (B)作為電磁控制溢流邏輯閥 (C)作為方向控制邏輯閥 (D)作為流量控制邏輯閥。
79. 下列何者是油壓傳動機構的主要特性? (A)油壓傳動機構慣性小反轉容易 (B)機件小產生的力量大(C)容易達成無段變速 (D)發生故障維修較氣壓容易。
80. 要增加油壓馬達輸出轉矩,下列敘述何者為真? (A)增大馬達的每轉排量 q (B)提高馬達工作壓力(C)降低馬達工作壓力 (D)降低馬達的每轉排量 q。