所屬科目:泉勝◆基本電學(下冊)
1. 電阻電感串聯充電瞬間(下圖黃色波形代表開關瞬間接通),電感會感應一個電動勢E(下圖藍色波形),讓電流維持開關接通時,瞬間不變。(A)O(B)X
2. 電阻電感串聯充電,穩態後 vL電壓趨近充電電壓 E(A)O(B)X
3. 電阻電感串聯充電,穩態後 vR電壓趨近充電電壓 E(A)O(B)X
4. 電阻電感串聯充電,穩態後 iR電流趨近 0(A)O(B)X
5. 電阻電感串聯充電至穩態,所需時間 5L/R(A)O(B)X
6. 電阻電感串聯充電,若不是標準一個電阻與一個電容串聯,則可將電容當負載,轉為戴維寧等效電路(A)O(B)X
7. 電阻電感串聯放電瞬間,如下圖黃色波形(電壓 0),電感會感應一個反向電動勢E,如下圖藍色波形,讓電流維持不變。(A)O(B)X
8. 電阻電感串聯放電,穩態後 vL電壓趨近充電電壓 E(A)O(B)X
9. 電阻電感串聯放電,穩態後 vR電壓趨近充電電壓 E(A)O(B)X
10. 電阻電感串聯放電,穩態後 iR電流趨近 0(A)O(B)X
11. 電阻電感串聯放電至穩態,所需時間 5L/R(A)O(B)X
12. 電阻電感串聯充電與放電的電流方向相反(A)O(B)X
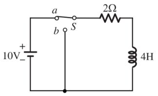
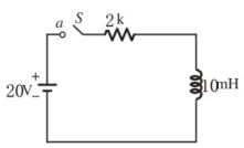
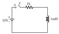
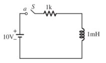
1. 電阻與電感串聯電路如圖,電感無任何電荷,t = 0 時,S 接通 a 點,求充電時間常數 τ 為何?(A)1us(B)1ms(C)2us(D)3us
2. 電阻與電感串聯電路如圖,電感無任何電荷,t = 0 時,S 接通 a 點,求 t = 0 時, vL、為何?(A)10V(B)6.32V(C)3.68V(D)0V
3. 電阻與電感串聯電路如圖,電感無任何電荷,t = 0 時,S 接通 a 點,求 t = 0 時,i 為何?(A)0A(B)6.32mA(C)8.65mA(D)9.95mA
4. 電阻與電感串聯電路如圖,電感無任何電荷,t = 0 時,S 接通 a 點,求 t = 1us 時, vL、為何?(A)10V(B)6.32V(C)3.68V(D)0V
5. 電阻與電感串聯電路如圖,電感無任何電荷,t = 0 時,S 接通 a 點,求 t = 1us 時,i 為何?(A)0A(B)6.32mA(C)8.65mA(D)9.95mA
6. 電阻與電感串聯電路如圖,電感無任何電荷,t = 0 時,S 接通 a 點,求 t = 2us 時, vL為何?(A)10V(B)6.32V(C)3.68V(D)1.35V
7. 電阻與電感串聯電路如圖,電感無任何電荷,t = 0 時,S 接通 a 點,求 t = 2us 時,i 為何?(A)0A(B)6.32mA(C)8.65mA(D)-8.65mA
8. 電阻與電感串聯電路如圖,電感無任何電荷,t = 0 時,S 接通 a 點,求 t = 8us 時, vR為何?(A)10V(B)6.32V(C)3.68V(D)1.35V
9. 電阻與電感串聯電路如圖,電感無任何電荷,t = 0 時,S 接通 a 點,求 t = 8us 時,i 為何?(A)10mA(B)6.32mA(C)8.65mA(D)-8.65mA
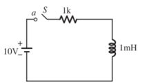
10. 電阻與電感串聯電路如圖,電感無任何電荷,t = 0 時,S 接通 a 點,求充電時間常數 τ 為何?(A)1us(B)1ms(C)2us(D)5us
11. 電阻與電感串聯電路如圖,電感無任何電荷,t = 0 時,S 接通 a 點求: t = 5us 時, vL為何?(A)10V(B)7.36V(C)3.68V(D)0V
12. 電阻與電感串聯電路如圖,電感無任何電荷,t = 0 時,S 接通 a 點求: t = 10us 時,i 為何?(A)0A(B)6.32mA(C)8.65mA(D)-8.65mA
13. 如下圖所示之暫態電路及電流 iL (t) 時間響應圖,電流 IS = 10A,時間常數 τ 為 0.02 秒。已知電阻 RS = 2Ω,且電感在開關 S1閉合前無儲存能量,當時間為零時(t = 0 秒)開關 S1閉合(導通),則此電路的直流電壓源 ES與電感 LS分別為何?(統測 112)(A)(B)(C)(D)
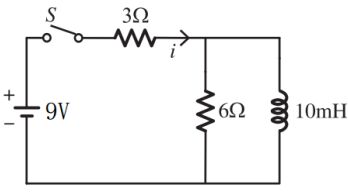
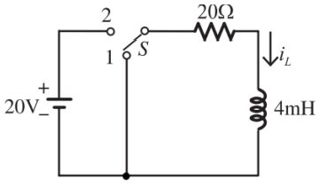
14. 如圖所示電路,t = 0 秒前電感器儲存能量為零,若 t = 0 秒時將開關 S 由位置 1 切至位置 2,則下列敘述何者正確?(統測 111)(A) 流經電感器的初始電流值為 1A 且電路時間常數為 80ms(B) 流經電感器的初始電流值為 0A 且電路時間常數為 80ms(C) 流經電感器的初始電流值為 1A 且電路時間常數為 0.2ms(D) 流經電感器的初始電流值為 0A 且電路時間常數為 0.2ms
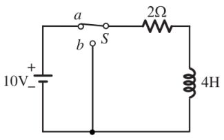
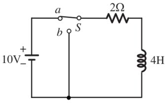
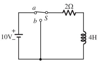
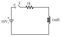
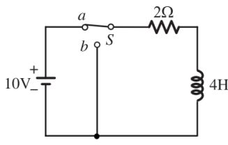
15. RL 串聯電路如圖,t < 0 時,開關置於 a,t = 0 時開關 S 置於 b。求:放電時間常數 τ= ?(A)1s(B)1ms(C)2s(D)1us
16. RL 串聯電路如圖,t < 0 時,開關置於 a,t = 0 時開關 S 置於 b。求:t=0 時,VL=?(A)10V(B)-10V(C)0V(D)-3.68V
17. RL 串聯電路如圖,t < 0 時,開關置於 a,t = 0 時開關 S 置於 b。求:t=0 時,VR=?(A)10V(B)-10V(C)0V(D)-3.68V
18. RL 串聯電路如圖,t < 0 時,開關置於 a,t = 0 時開關 S 置於 b。求:t=0 時,iL=?(A)5A(B)-5A(C)0A(D)1.84A
19. RL 串聯電路如圖,t < 0 時,開關置於 a,t = 0 時開關 S 置於 b。求:t=2s 時,VL=?(A)10V(B)-10V(C)0V(D)-3.68V
20. RL 串聯電路如圖,t < 0 時,開關置於 a,t = 0 時開關 S 置於 b。求:t=2s 時,VR=?(A)3.68V(B)-10V(C)0V(D)-3.68V
21. RL 串聯電路如圖,t < 0 時,開關置於 a,t = 0 時開關 S 置於 b。求:t=2s 時,iL=?(A)5A(B)-5A(C)0A(D)1.84
22. 如圖所示之電路,開關 SW 閉合一段時間達穩態後,在 t = 0 時將開關 SW 切離,則切離瞬間電感器兩端之電壓 vL為何?(統測 108)(A) 10V (B) 20V (C) 40V (D) 50V
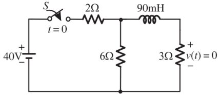
23. 如圖所示,電感在開關 S 閉合前已無儲能,若開關 S 在時間 t = 0 時閉合,則 t > 0 的電壓 v(t) 為何?(A)(B)(C)(D)
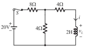
24. 電路如圖,求電路導通的瞬間,電流 i 為多少?(A)0A(B)1A(C)2A(D)3A
25. 電路如圖,求電路的時間常數?(A)1ms(B)2ms(C)5ms(D)5us
26. 電路如圖,求電路達穩態後的電流 i 是多少?(A)0A(B)1A(C)2A(D)3A
27. 電路如圖,開關 S 閉合一段時間,i 為多少?(A)0A(B)0.5A(C)1A(D)2A
28. 電路如圖,開關 S 閉合一段時間,打開 S 瞬間,vL是多少?(A)6V(B)7.5V(C)8V(D)20V
29. 電路如圖,開關 S 閉合一段時間,打開 S 後,t = 0.4 秒,vL是多少?(A)7.5V(B)2.76V(C)1.38V(D)0
30. 電路如圖,開關 S 閉合一段時間,打開 S 穩定後,i 為多少?(A)0A(B)0.5A(C)0.8A(D)-0.5A
31. 電路如圖,開關 S 打開的瞬間,電感的感應電動勢為何?(A)8V(B)-8V(C)20V(D)-20V