所屬科目:泉勝◆基本電學(下冊)
1. 如圖所示,開關 S 閉合時的充電時間常數及開關 S 啟斷後的放電時間常數,分別為多少秒? (統測 106)(A) 0.25 及 0.4 (B) 0.4 及 0.2(C) 0.4 及 0.25 (D) 0.2 及 0.4
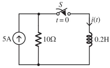
2. 如右圖所示,若開關 S 閉合時 t = 0,則 t > 0 的電流 i(t) 為何?統測 106(A)(B)(C)(D)
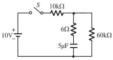
3. 如右圖所示,若電壓源 E=15V,R1 = R2 = R3 = 10Ω,C= 10µF,開關 SW 打開時為 t = 0,則下列敘述何者錯誤?(統測 105A)(A) t > 0 之電路時間常數 = 0.3ms(B) t = 0 電容器的電壓為零(C) 開關打開後電路達穩態時電容器 C 電壓大小為 7.5V(D) 電路達穩態後,沒有電流過電容器 C
4. 如右圖所示,若電壓源 E= 24V,R1 = 3Ω,R2 = 6Ω,L = 5mH,開關 SW 閉合時為 t = 0,請問 t > 0 之 iL(t) 為何?(統測 105)(A)(B)(C)(D)
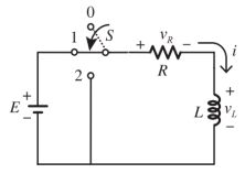
5. 如右圖所示,假設 E = 20V,R = 5Ω,L = 5H,若將開關 S 由位置 "0" 切換至 "1",試求: t= 0 秒時之 vL(A)20V(B)10V(C)-10V(D)0V
6. 如右圖所示,假設 E = 20V,R = 5Ω,L = 5H,若將開關 S 由位置 "0" 切換至 "1",試求: t= 1 秒時之 vL =?(A)20V(B)7.36V(C)12.64V(D)0V
7. 如右圖所示,假設 E = 20V,R = 5Ω,L = 5H,若將開關 S 由位置 "0" 切換至 "1",試求: t= 1 秒時之 vR=?(A)20V(B)7.36V(C)12.64V(D)0V
8. 如右圖所示,假設 E = 20V,R = 5Ω,L = 5H,若將開關 S 由位置 "0" 切換至 "1",試求: t= 1 秒時之 i=?(A)1A(B)2A(C)-2A(D)2.5A
9. 如右圖所示,假設 E = 20V,R = 5Ω,L = 5H,若將開關 S 由位置 "0" 切換至 "1",試求: t= 5 秒時之 vL=?(A)20V(B)7.36V(C)12.64V(D)0V
10. 如圖所示,假設電容無初始儲存能量,當 t = 0 秒時將 K 扳至 a 點,試求:電路時間常數為多少秒?
(A)1s(B)10s(C)100ms(D)500ms
11. 如圖所示,假設電容無初始儲存能量,當 t = 0 秒時將 K 扳至 a 點,當 t = 30 秒時,Vc(t =30s) 為多少伏特 (V) ?(A)100V(B)95V(C)98V(D)63.2V
12. 如圖所示,假設電容無初始儲存能量,當 t = 0 秒時將 K 扳至 a 點,若在 t = 30 秒時瞬間將 K 扳至 b 點,則 t = 40 秒時,iC為多少安培 ( A ) ?(A)-1mA(B)-0.64mA(C)-0.32mA(D)-1.35mA
13. 如圖所示電路,R= 6kΩ,C= 1µF,則時間常數為多少?(中油)(A) 1m sec (B) 4m sec (C)9m sec (D) 36m sec
14. 如圖所示電路,開關 S 已經在 1 的位置一段時間,電路已達穩定。若將開關切到 2 的位置,請問圖中 I 的瞬間電流大小為何?(自來水 110)(A) 1A (B) –1A (C) 2A (D) –2A
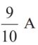
15. 如圖所示,若 E= 100V,R=10kΩ,C=50nF,且電容器的初始電壓為 30V,當開關 S 閉合之瞬間,流經電阻的電流為多少?(台北捷運)(A) 1.1mA (B) 1.8mA (C) 3.5mA (D) 7.0mA112
16. 如圖所示,開關閉合前,電容器沒有儲存能量。在開關閉合後的瞬間,電流 I 為多少安培( A )?(台北捷運)(A) 10A (B) 0A (C) 1A (D) 20A 112
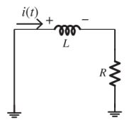
17. 如圖所示之無源 RL 電路,若 L = 2mH,R= 10Ω 及 I(0) = I0 = 5A,求電流 i(t) 之方程式?(111 鐵路特考)(A)(B)(C)(D)
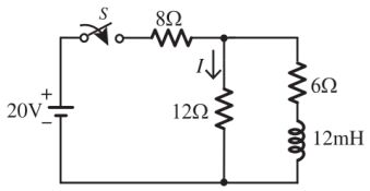
18. 如圖所示之電路,開關於 t = 0 時閉合,求 i(無限大 ) 為何?(112 身心障礙特考)(A) 12/7A(B) 1.0A (C) 6/7A (D) 8/7A
19. 如右圖所示之電路,在 t = 0 時之電流 i(0) = 10A,求其 t > 0 之電流 i(t) 為何?(112 初等考試)(A)(B)(C)(D)
20. 如右圖所示的電路,電源是 60V 的直流電,電感值為 0.32H。開關停留在 a 的位置很長一段時間,電路處於穩定的狀態;在 t = 0 秒鐘時,迅速切換到 b 位置, t = 0 時,開關在 a 位置, 流經電感的電流 i 為多少?(112 關務特考)(A)0A(B)0.5A(C)1A(D)2A
21. 如右圖所示的電路,電源是 60V 的直流電,電感值為 0.32H。開關停留在 a 的位置很長一段時間,電路處於穩定的狀態;在 t = 0 秒鐘時,迅速切換到 b 位置,t = 0 時,電感儲存的能量為多少焦耳?(112 關務特考)(A)0J(B)0.02J(C)0.04J(D)0.4J
22. 如右圖所示的電路,電源是 60V 的直流電,電感值為 0.32H。開關停留在 a 的位置很長一 段時間,電路處於穩定的狀態;在 t = 0 秒鐘時,迅速切換到 b 位置, t = 0 時,開關已切換到 b 位置時的電流 i 為多少?(112 關務特考)(A)0A(B)0.5A(C)1A(D)2A
23. 如圖所示的電路,電源是 60V 的直流電,電感值為 0.32H。開關停留在 a 的位置很長一段時間,電路處於穩定的狀態;在 t = 0 秒鐘時,迅速切換到 b 位置,開關已切換到 b 位置時的 vL=?(112 關務特考)(A)60V(B)-60V(C)-80V(D)80V
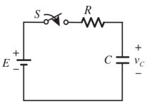
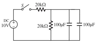
24. 如右圖所示的電路中,各個電容器原本都沒有儲存任何電荷量,開關在時間 t = 0 時閉合,假設經過 5 倍時間常數電容器能夠充滿電荷達到直流穩態,計算此電路需幾秒即可完成充電?(112鐵路特考)(A) 40 秒 (B) 60 秒 (C) 100 秒 (D) 120 秒
25. 如右圖所示電路,在 t = 0 秒時將開關 S 閉合;若電容電壓初值為 10V,則 S 閉合後的電容器瞬間電流 IC(0) 與充電時間常數 TC 分別為何?(111 台北自來水)(A)(B)(C)(D)
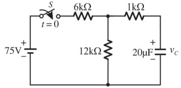
26. 如右圖所示電路,開關未閉合前,流經電感器之電流為 0A,當開關 S 按下的瞬間,電流 I =?(111 台糖)(A)(B)1A(C)(D)
27. 如右圖所示電路,在時間 t = 0 時開關 S 閉合,計算此電路之充電時間常數為何?(111 地方特考)(A) 1 秒 (B) 2 秒(C) 4 秒 (D) 5 秒