阿摩線上測驗
登入
首頁
>
技檢◆油壓-乙級
> 114年 - 07900 油壓 乙級 工作項目 01:識圖與製圖 1-50(2025/12/02 更新)#134064
114年 - 07900 油壓 乙級 工作項目 01:識圖與製圖 1-50(2025/12/02 更新)#134064
科目:
技檢◆油壓-乙級 |
年份:
114年 |
選擇題數:
50 |
申論題數:
0
試卷資訊
所屬科目:
技檢◆油壓-乙級
選擇題 (50)
1.
左圖表示 (A)稽納二極體 (B)SCR (C)OP Amp (D)SSR 。
2. 下列何者是壓力溫度補償流量控制閥 (A)
(B)
(C)
(D)
。
3. 下列何者不是蓄壓器符號? (A)
(B)
(C)
(D)
。
4. 油壓系統中下列何者元件類似電子電路二極體元件? (A)
(B)
(C)
(D)
。
5. 如下圖當 b 為 OFF 時,
(A)R=R (B)R=a (C)R=a‧R (D)R=a+R 。
6. Y=at,其中 t 為延時之控制迴路,下列何者正確(A)
(B)
(C)
(D)
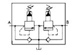
。
7. 下列何者為減壓閥 (A)
(B)
(C)
(D)
。
8.
左圖為一 (A)單向馬達 (B)雙向馬達 (C)單向可變馬達 (D)雙向可變排量馬達 之符號。
9.
左圖為一 (A)雙動 (B)單緩衝單動 (C)雙緩衝雙動 (D)單緩衝雙動油壓缸符號。
10.
左圖為一 (A)增壓器 (B)過濾器 (C)冷卻器 (D)潤滑器 之符號。
11.
左圖符號之意義係表示 (A)冷卻器 (B)加熱器 (C)溫度調節器 (D)乾燥器 。
12.
如下圖符號之意義係表示 (A)單向二極體 (B)NPN 電晶體 (C)PNP 電晶體 (D)P 型單接面電晶體 。
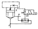
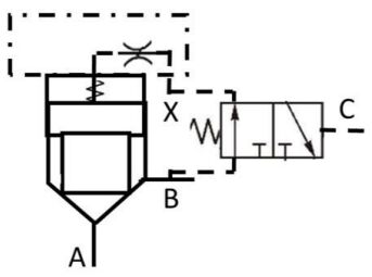
13. 如下圖,下列敘述何者為非
(A)此為二段壓力設定迴路 (B)適用於作動器在往復行程中出力不同的場合 (C)適用於作動器在作動途中,負荷產生變化的場合 (D)使用較小口徑的溢流閥(relief valve)是它的優點 。
14. 下圖符號在機械圖上之意義係表示
(A)傾斜度 (B)平行度 (C)平面度 (D)線之輪廓度 。
15. 表示排洩管路之符號,下列何者正確 (A)
(B)
(C)
(D)
。
16. 下圖的邏輯表示是
(A)
(B)
(C)
(D)Y=
。
17.
左圖在流程圖中表示 (A)運算 (B)判斷 (C)輸出入 (D)顯示 。
18. 如下圖在電氣迴路中屬於
(A)保持 (B)互鎖 (C)一致 (D)記憶 迴路。
19.
左圖表示 (A)電晶體 (B)FET (C)UTT (D)TRIAC 。
20. 電容器標示值 104 表示 (A)10
4
μF (B)10
5
μF (C)10
5
pF (D)10
5
nF 。
21. 如下圖,繪製止回閥時,其θ角度應為
(A)45° (B)60° (C)90° (D)120° 。
22.
左圖是工程製圖的 (A)第一角法 (B)第二角法 (C)第三角法 (D)第四角法 的表示符號。
23. 工程圖之尺寸標註
表示 (A)弧長 (B)弦長 (C)公差 (D)粗糙度 。
24.
左圖在電氣符號上表示 (A)電阻 (B)彈簧 (C)繼電器 (D)電磁線圈 。
25. 下圖信號-時間圖表示
(A)
(B)
(C)
(D)
。
26.
表示_________ 邏輯。(A)全等 (B)互斥 (C)反 (D)隱含
27. 如下圖表示
(A)全等 (B)限制 (C)互斥 (D)反或 邏輯。
28.
左圖為 (A)二極體 (B)乾電池 (C)電容器 (D)可變電容器 。
29. 下列何者為加熱器 (A)
(B)
(C)
(D)
。
30. 安培計的符號可用下列何者表示 (A)
(B)
(C)
(D)
。
31. 如下圖為____________ 之符號。
(A)兩段泵 (B)雙連泵 (C)複合泵 (D)壓力補償式可變排量型泵
32. 下圖為一壓力控制閥之符號,該閥為
(A)內部引導,內部排洩 (B)外部引導,內部排洩 (C)外部引導,外部排洩 (D)內部引導,外部排洩 。
33. 下圖為
之符號。(A)抗衡閥 (B)制動閥(剎車閥) (C)溢流閥 (D)引導動作型減壓閥
34. 下列何者為外部排洩之引導操作止回閥 (A)
(B)
(C)
(D)
。
35. 下列何者為油槽(油箱)之符號 (A)
(B)
(C)
(D)
。
36.
左圖為____________之符號。 (A)流量計 (B)壓力計 (C)溫度計 (D)油面計
37. 在控制電路圖中,下列何者為繼電器之 b 接點(A)
(B)
(C)
(D)
。
38. 下圖所示邏輯閘,當輸入 X
1
=0,X
2
=0,則輸出 Y 是
(A)1 (B)0 (C)11(D)10 。
39. 下圖所示邏輯閘,當輸入 X
1
=0,X
2
=0,則輸出 Y 是
(A)0 (B)1 (C)11(D)10 。
40.
左圖為_________ 之符號。(A)快速接頭 (B)梭動閥 (C)止回閥 (D)雙壓閥
41. 下列何者為疊加式溢流閥之符號 (A)
(B)
(C)
(D)
。
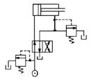
42. 下圖所示油路,當電磁線圈激磁時,下列敘述何者為正確
(A)壓油可由 A口流向 B 口,但 B 口不能流向 A 口 (B)壓油可由 B 口流向 A 口,但 A 口不能流向 B 口 (C)壓油可由 A 口流向 B 口,B 口流向 A 口 (D)A 口和 B 口互不相通 。
43. 如下圖所示油路,其功能和下列何種閥件之功能相同
(A)
(B)
(C)
(D)
。
44. 下列何者為附單側止回閥之快速接頭 (A)
(B)
(C)
(D)
。
45. 下圖所示為幾口幾位換向閥?
(A)三口三位 (B)三口二位 (C)四口三位 (D)四口二位 。
46. 下列何者為四口三位中位全開之換面閥 (A)
(B)
(C)
(D)
。
47. 下列何者可視為二通口節流閥 (A)
(B)
(C)
(D)
。
48. 如下圖的邏輯方程式是
(A)
(B)
(C)
(D)
。
49. 下列元件符號何者不正確? (A)元件
表示電氣 a 接點亦即常開接點符號 (B)元件
表示電氣 b 接點亦即常閉接點符號 (C)元件
表示 OFF 延遲型計時器的 b 接點 (D)元件
表示 OFF 延遲型計時器的 a 接點 。
50. 下列何者為反及閘(NAND)之邏輯符號(A)
(B)
(C)
(D)
。
申論題 (0)
相關試卷
114年 - 07900 油壓 乙級 工作項目 07:維修 51-76(2025/12/02 更新)#134080
114年 · #134080
114年 - 07900 油壓 乙級 工作項目 07:維修 1-50(2025/12/02 更新)#134079
114年 · #134079
114年 - 07900 油壓 乙級 工作項目 06:運轉與調整 51-94(2025/12/02 更新)#134078
114年 · #134078
114年 - 07900 油壓 乙級 工作項目 06:運轉與調整 1-50(2025/12/02 更新)#134077
114年 · #134077
114年 - 07900 油壓 乙級 工作項目 05:裝配 51-77(2025/12/02 更新)#134076
114年 · #134076
114年 - 07900 油壓 乙級 工作項目 05:裝配 1-50(2025/12/02 更新)#134075
114年 · #134075
114年 - 07900 油壓 乙級 工作項目 04:設計 201-222(2025/12/02 更新)#134074
114年 · #134074
114年 - 07900 油壓 乙級 工作項目 04:設計 151-200(2025/12/02 更新)#134073
114年 · #134073
114年 - 07900 油壓 乙級 工作項目 04:設計 101-150(2025/12/02 更新)#134072
114年 · #134072
114年 - 07900 油壓 乙級 工作項目 04:設計 51-100(2025/12/02 更新)#134071
114年 · #134071