阿摩線上測驗
登入
首頁
>
技檢◆油壓-乙級
> 114年 - 07900 油壓 乙級 工作項目 02:元件的認識 1-50(2025/12/02 更新)#134066
114年 - 07900 油壓 乙級 工作項目 02:元件的認識 1-50(2025/12/02 更新)#134066
科目:
技檢◆油壓-乙級 |
年份:
114年 |
選擇題數:
50 |
申論題數:
0
試卷資訊
所屬科目:
技檢◆油壓-乙級
選擇題 (50)
1. 下圖所示之意義為
(A)手調式機構控制可變量油泵 (B)手調伺服控制可變量油泵 (C)手調伺服控制一中心偏位(閉迴路使用)可變量油泵 (D)壓力補償控制可變量油泵 。
2. 圖示之意義
(A)手調式機構控制可變量油泵 (B)手調伺服控制可變量油泵(C)手調伺服控制一中心偏位(閉迴路使用)可變量油泵 (D)壓力補償控制可變量油泵 。
3. 圖示之意義
(A)手調式機構具輔助泵、防逆閥及洩壓閥之可變量油泵 (B)手調伺服控制可變量油泵 (C)手調伺服控制具輔助泵、防逆閥及洩壓閥之可變量油泵 (D)壓力補償控制可變量油泵 。
4. 圖示之意義
(A)手調式機構控制可變量油泵 (B)手調伺服控制可變量油泵(C)手調伺服控制一中心偏位(閉迴路使用)可變量油泵 (D)壓力補償控制可變量油泵 。
5. 圖示之意義
(A)壓力補償遠隔控制可變量油泵 (B)負載反應型壓力和流量控制可變量油泵 (C)流量補償控制可變量油泵 (D)壓力補償控制-中心偏位(閉迴路使用)可變量油泵 。
6. 圖示之意義
(A)壓力補償遠隔控制可變量油泵 (B)負載反應型壓力和流量控制可變量油泵 (C)流量補償控制可變量油泵 (D)壓力補償控制-中心偏位(閉迴路使用)可變量油泵 。
7. 如下圖所示之意義
(A)壓力補償遠隔控制可變量油泵 (B)負載反應型壓力和流量控制可變量油泵 (C)流量補償控制可變量油泵 (D)壓力補償控制-中心偏位(閉迴路使用)可變量油泵 。
8. 圖示之意義
(A)壓力補償遠隔控制具輔助泵、防逆閥及洩壓閥(開迴路使用)可變量油泵 (B)負載反應型壓力和流量控制可變量油泵 (C)流量補償控制可變量油泵 (D)壓力補償控制-中心偏位(閉迴路使用)可變量油泵 。
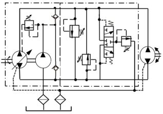
9. 下圖所示之意義為
(A)變量油泵及定量油壓馬達組成之開迴路油壓系統(B)變量油泵及定量油壓馬達組成之閉迴路油壓系統 (C)定量油泵及變量油壓馬達組成之開迴路油壓系統 (D)定量油泵及變量油壓馬達組成之閉迴路油壓系統 。
10. 下圖所示之意義
(A)變量油泵及定量油壓馬達組成之開迴路油壓系統 (B)變量油泵及定量油壓馬達組成之閉迴路油壓系統 (C)定量油泵及變量油壓馬達組成之開迴路油壓系統 (D)定量油泵及變量油壓馬達組成之閉迴路油壓系統 。
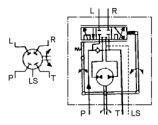
11. 下圖所示之意義
(A)中位開放,無反應型油壓動力轉向器 (B)中位關閉,無反應型油壓動力轉向器 (C)中位開放,具有反應型油壓動力轉向器 (D)負載感應型油壓動力轉向器 。
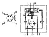
12. 下圖所示之意義
(A)中位開放,無反應型油壓動力轉向器 (B)中位關閉,無反應型油壓動力轉向器 (C)中位開放,具有反應型油壓動力轉向器 (D)負載感應型油壓動力轉向器 。
13. 下圖所示之符號為
(A)增壓器 (B)消音器 (C)預壓槽 (D)擺動馬達 。
14. 下圖所示之意義
(A)中位開放,無反應型油壓動力轉向器 (B)中位關閉,無反應型油壓動力轉向器 (C)中位開放,具有反應型油壓動力轉向器 (D)負載感應型油壓動力轉向器 。
15. 下圖符號表示意義
(A)底座型式之減壓閥 (B)配管型式之減壓閥 (C)積層型式之減壓閥 (D)插入型式之減壓閥 。
16. 下圖所示之意義為
(A)油壓一般性分流閥 (B)油壓流量優先閥 (C)油壓流量放大閥 (D)油壓煞車閥 。
17. 下圖所示之意義
(A)中位開放式油壓動力轉向器 (B)中位關閉式油壓動力轉向器 (C)機械油壓轉向扭力放大器 (D)機械油壓轉向流量放大器 。
18. 此圖之意義
(A)洩壓閥 (B)雙向減壓閥 (C)具有洩壓作用之減壓閥 (D)順序閥 。
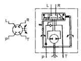
19.
左圖 T 口閉止,則此元件成為 (A)
(B)
(C)
(D)
。
20. 下列元件何者有光隔離的效果? (A)SCR (B)SSR (C)TRIAC (D)DIAC 。
21. 下列何種電容器必須考慮極性 (A)可變電容器 (B)陶質電容器 (C)電解電容器 (D)雲母電容器 。
22. 同種類電阻器的體積決定 (A)功率 (B)阻值 (C)耐壓 (D)誤差 。
23. 電阻色碼標示中,表示誤差值的顏色若是金色,其誤差值為 (A)±1% (B)±5% (C)±10% (D)±20% 。
24.
左圖符號為 (A)電容器 (B)二極體 (C)電晶體 (D)IC 。
25. 電阻器之規格中,除了電阻值及誤差外,尚須考慮 (A)耐壓值 (B)額定功率 (C)長度 (D)耐溫值 。
26. 電容器之電容量與兩極板之距離成 (A)正比 (B)反比 (C)平方正比 (D)無關 。
27. 電容器對直流而言,視為 (A)斷路 (B)通路 (C)視電壓大小而定為斷路或通路 (D)視電流大小而定為斷路或通路 。
28. 電容器對交流而言,視為 (A)斷路 (B)通路 (C)視電壓大小而定為斷路或通路 (D)視電流大小而定為斷路或通路 。
29. 電感器對直流而言,視為 (A)斷路 (B)通路 (C)視電壓大小而定為斷路或通路 (D)視電流大小而定為斷路或通路 。
30. 橋式整流所使用的二極體個數為 (A)1 (B)2 (C)4 (D)6 個。
31. 使各活塞平行排列的方式與泵浦旋轉軸的方向一致平行,利用一個斜盤裝置,在與中心軸線交成某一角度的位置而旋轉的油壓泵叫 (A)徑向式活塞油壓泵 (B)軸向式活塞油壓泵 (C)輻射式活塞油壓泵(星式) (D)偏心迴轉輻射活塞式油壓泵 。
32. 活塞與油壓缸體中心軸平行排列之活塞泵稱為 (A)縱列活塞式油壓泵 (B)軸向式活塞油壓泵 (C)輻射式活塞油壓泵(星式) (D)偏心迴轉輻射活塞式油壓泵 。
33. 可以使一個泵浦在預定壓力下減低其正常輸出,也可以使其保持預定的流量而不受系統壓力之影響之控制方式,以下列何種控制器為宜 (A)壓力流量補償控制器 (B)伺服機構 (C)馬力限制器 (D)恆流控制器 。
34. 可以自動的使油壓泵的輸出流量降到最低以保持其預定的壓力,以下列何種控制為宜 (A)機械衝程控制器 (B)壓力補償控制器 (C)伺服控制器 (D)恆流控制器 。
35. 可以隨系統內之壓力而控制調節油壓泵輸出以保持動力之馬力大小不變,以下列何種控制器為宜 (A)機械衝程控制器 (B)馬力限制器 (C)伺服控制器 (D)恆流控制器 。
36. 具壓力補償控制功能,且可以容許油壓泵衝程機構超過中心位置使油壓泵當作壓力補償馬達一樣的控制器以何者為宜? (A)馬力限制器 (B)伺服控制機構 (C)超中線壓力調節器 (D)壓力流量補償控制器 。
37. 可以控制油壓泵的輸出保持在預定流量而不受油壓泵轉動速率及系統壓力之影響之控制器,以何者為宜? (A)馬力限制器 (B)恆流控制器 (C)壓力補償控制器 (D)伺服控制器 。
38. 利用中間開放凹軸閥門,而配合上一個梭動活塞,當主閥門開始放油時就推動此梭動活塞開始不斷的控制流量以使主閥門前後二邊維持14kgf/cm
2
的固定壓力差之控制閥門,以何者為宜 (A)流量補償方向控制閥 (B)壓力補償方向控制閥 (C)流量補償控制閥 (D)負荷反應補償控制閥 。
39. 將閥門二邊不相等的壓力維持在 14kgf/cm
2
,使推柄上抗力減到很輕,且能產生很好流量控制性能,並可使中位流量之壓力落差保持在(1.5kgf/cm
2
)左右之閥門,以下列何者為宜? (A)流量補償方向控制閥 (B)壓力補償方向控制閥 (C)負荷反應補償方向控制閥 (D)流量補償控制閥 。
40. 有最好的流量曲線,但對塵土也最敏感,壓力反應性比較慢,可以限制系統內的壓力以何種壓力控制閥為宜? (A)直動式洩壓閥 (B)差壓提動洩壓閥 (C)引導操作式洩壓閥 (D)減壓順序閥 。
41. 可以限制系統內的壓力,但構造簡單、動作快、對污染敏感,在裂點與滿流之間的差壓不好之閥是屬於何種壓力控制閥? (A)直動式溢流閥(relief velves) (B)差壓提動溢流閥 (C)引導操作式洩壓閥 (D)卸載閥 。
42. φ39 係表示 (A)直徑 39 (B)半徑 39 (C)長 39 (D)寬 39 。
43. 變動排量油壓泵配合固定排量油壓馬達,系統可以提供 (A)穩定的扭力、動力及速率 (B)穩定扭力及可變動的速率及動力 (C)穩定馬力與可變動的扭力及速率 (D)變動的扭力、動力及速率 。
44. 固定排量油壓泵,配合變動排量油壓馬達為一系統,可以提供 (A)穩定的扭力、動力及速率 (B)穩定的扭力及可變動的速率及動力 (C)穩定的馬力與可變動的扭力及速率 (D)變動的扭力、動力及速率 。
45. 油壓邏輯元件依功能分類有 (A)開關元件和調壓元件二種 (B)開關元件和流量元件二種 (C)流量元件和調壓元件二種 (D)開迴路元件和閉迴路元件二種 。
46. 油壓邏輯開關元件之功能為 (A)流量控制 (B)調壓控制 (C)方向控制 (D)力量控制 。
47. 油壓邏輯開關元件可做方向控制而附加開度限制器時亦可做為 (A)流量控制 (B)調壓控制 (C)力量控制 (D)位置控制 。
48. 常開式調壓邏輯元件一般可作為 (A)洩壓主級或旁通型壓補閥 (B)減壓閥主級或限流型壓補閥 (C)透氣開、導壓關 (D)透氣關、導壓開 。
49. 常閉式調壓邏輯元件一般可作為 (A)溢流閥主級或旁通型壓補閥 (B)減壓閥主級或限流型壓補閥 (C)透氣開、導壓關 (D)透氣關、導壓開 。
50. 常開式開關邏輯元件一般可作為 (A)溢流閥主級或旁通型壓補閥 (B)減壓閥主級或限流型壓補閥 (C)透氣開、導壓關 (D)透氣關、導壓開 。
申論題 (0)
相關試卷
114年 - 07900 油壓 乙級 工作項目 07:維修 51-76(2025/12/02 更新)#134080
114年 · #134080
114年 - 07900 油壓 乙級 工作項目 07:維修 1-50(2025/12/02 更新)#134079
114年 · #134079
114年 - 07900 油壓 乙級 工作項目 06:運轉與調整 51-94(2025/12/02 更新)#134078
114年 · #134078
114年 - 07900 油壓 乙級 工作項目 06:運轉與調整 1-50(2025/12/02 更新)#134077
114年 · #134077
114年 - 07900 油壓 乙級 工作項目 05:裝配 51-77(2025/12/02 更新)#134076
114年 · #134076
114年 - 07900 油壓 乙級 工作項目 05:裝配 1-50(2025/12/02 更新)#134075
114年 · #134075
114年 - 07900 油壓 乙級 工作項目 04:設計 201-222(2025/12/02 更新)#134074
114年 · #134074
114年 - 07900 油壓 乙級 工作項目 04:設計 151-200(2025/12/02 更新)#134073
114年 · #134073
114年 - 07900 油壓 乙級 工作項目 04:設計 101-150(2025/12/02 更新)#134072
114年 · #134072
114年 - 07900 油壓 乙級 工作項目 04:設計 51-100(2025/12/02 更新)#134071
114年 · #134071