所屬科目:統測◆(一)電子學、基本電學
1. 有一個 1200 W 電鍋每日使用 4 小時及四個 100 W 燈泡每日使用 10 小時,若電費每度3 元,則 30日共需付電費為何? (A) 987元 (B) 792元 (C) 678元 (D) 543元
2. 有一電阻線,當加上120V電壓時通過的電流為12A,若將此電阻線均勻拉長使長度成為原來的2倍,則當加上120V電壓時通過的電流為何? (A) 9A (B) 6A (C) 4A (D) 3A
3. 如圖(一)所示電路,若R1消耗功率為36W,則電阻R2值為何?(A) 70Ω(B) 65Ω(C) 60Ω(D) 55Ω
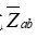
4. 如圖(二)所示電路,電流I 為何?(A) 4A(B) 3A(C) 2A(D) 1A
5. 如圖(三)所示電路,電流I 為何?(A) 0.75A(B) 1.55A(C) 2.25A(D) 3.75A
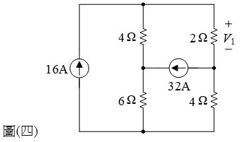
6. 如圖(四)所示電路,電壓V1為何?(A) 60V(B) 50V(C) 40V(D) 30V
7. 如圖(五)所示電路,若轉移至負載RL的最大功率為6mW,則電阻R 值為何?(A) 12 kΩ(B) 6 kΩ(C) 4 kΩ(D) 3 kΩ
8. 有一只初始無儲存能量的電容器,若以定電流 1 mA 連續充電 10 秒,其儲存能量為 10 焦耳,則此電容器的電容值為何? (A) 10μF (B) 5μF (C) 1μF (D) 0.5μF
9. 如圖 ( 六 )( a )所示為兩個互相耦合的電感,若電流 i ( t ) 如圖 ( 六 )( b )所示,則下列感應電勢波形何者正確? (A)(B)(C)(D)
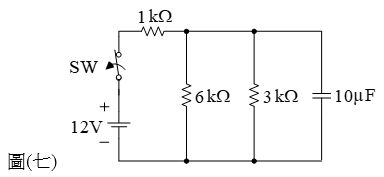
10. 如圖(七)所示電路,開關SW為閉合狀態,當開關SW打開後,電路的放電時間常數為何?(A) 60ms(B) 30ms(C) 20ms(D) 10ms
11. v1 (t)與v2 (t)之間的相位關係為何?(A) v 1 (t)落後v2 (t)為 90 ゚ (B) v1 (t)領先v2 (t)為 90 ゚(C) v2 (t)落後v1 (t)為 45 ゚ (D) v 2 (t)領先v1 (t)為 45 ゚
12. 若v (t)=v1 (t)+v2 (t),則v (t)為下列何者?(A)10sin(200πt ) V (B)10cos(200πt ) V(C)10cos(100πt ) V(D)10sin(200πt ) V
13. 交流電路中,電感為20mH其端電壓為50sin(500t) V ,則電感電流的有效值為何? (A) 5A (B)5A(C) 10A (D)10A
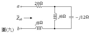
14. 如圖(九)所示交流電路,a、b 兩端的阻抗為何? (A) 20 – j20 Ω (B) 20+ j20 Ω (C) 20+ j2 Ω (D) 20 – j2 Ω
15. 如圖 ( 十 ) 所示電路,電源電壓 es(t)=100sin(377t ) V ,電源提供的平均功率 Ps、虛功 率Qs分別為何?(A) Ps=1000W、Qs=1000VAR (B) Ps=1800W、Qs=1600VAR (C) Ps=1800W、Qs=400VAR (D) Ps=2000W、Qs=1600VAR
16. 已知電感 LP =5mH,則電容CP為何?(A) 5μF (B) 25μF (C) 40μF (D) 50μF
17. 若電阻 RP =40Ω,則電感電流 iL (t)的有效值為何?(A)10A(B) 10A (C)5A(D) 5A
18. 如圖 ( 十二 ) 所示之三相平衡電路,電感性負載端線電壓有效值為200V ,三相負載的總平均功率為15 kW、總虛功率為15 kVAR,則負載阻抗為何? (A) 5+ j5 Ω (B) 4+ j4 Ω (C) 2+ j2 Ω (D) 2 – j2 Ω
19. 變壓器、發電機或配電盤所引起的電氣火災歸屬於下列何種火災?(A) D類 (B) C類 (C) B類 (D) A類
20. 如圖 ( 十三)所示,電阻器 R1 與R2 串聯後,若 a、b 兩端總電阻為 90 Ω,則 R2 的色環由第一環至第五環顏色依序可能為下列何者?(A) 橙橙黑紅棕(B) 綠藍黃橙紫(C) 綠棕黑金紫(D) 橙黑橙棕紅
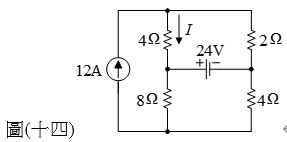
21. 如圖(十四)所示電路,電流I 為何?(A) 0A(B) 4A(C) 8A(D) 12A
22. 使用LCR表量測一只標示104K電容器的電容值,則下列何者為合理的量測值?(A) 0.95μF (B) 127 nF (C) 96 nF (D) 11 nF
23. 如圖 ( 十五 ) 所示 RL 電路,開關 SW是打開狀態且電路已穩態,若開關 SW在時間 t = 0時閉合,充電時間常數為 τ,則下列何者正確?( e 為自然指數,e ‒ 10.368 ) (A)vR (t=τ)=0.816E (B) vL (t=τ)=0.368E (C)i 1(t=τ)= (D)i L(t=τ)=
24. 如圖 ( 十六 ) 所示交流電路,採用交流電壓表量測各端電壓,若電壓表 V1 讀值為 200 V,則下列敘述何者正確?(A) V2的讀值為160V,V3的讀值為120V (B) V2的讀值為120V,V3的讀值為160V(C) V2的讀值為120V,V3的讀值為80V (D) V2的讀值為80V,V3的讀值為120V
25. 單相家用吹風機主要元件有電熱線、溫度開關及直流風扇馬達,其示意電路如圖 ( 十七 ) 所示,其中 ①、②、③ 表示元件編號,下列組合何者正確? (A) ①為直流風扇馬達,②為溫度開關,③為電熱線 (B) ①為電熱線,②為溫度開關,③為直流風扇馬達 (C) ①為溫度開關,②為直流風扇馬達,③為電熱線 (D) ①為直流風扇馬達,②為電熱線,③為溫度開關
26. 下列有關半導體材料之敘述,何者正確?(A) 矽(Si)摻雜( doping)砷(As),形成P型半導體(B) N型半導體為電中性,其多數載子為電子(C) P型半導體為正電性,其多數載子為電洞(D) 本質半導體摻雜三價元素,形成N型半導體
27. 單相理想二極體橋式全波整流電路,若輸入弦波電源且負載為純電阻,則輸出電壓的波形因數(form factor)為何? (A) (B) (C)(D)
28. 下列有關二極體之敘述,何者正確?(A) PN接面二極體,空乏區內的電位差,稱為順向偏壓(B) PN接面二極體,溫度升高時,逆向飽和電流降低(C) 一般發光二極體(LED)元件,發光顏色主要由工作電壓值大小決定(D) 發光二極體元件,順向偏壓下,電子和電洞復合時釋出能量發光
29. 此放大器輸出阻抗Zo約為何?(A) 12.9Ω (B) 26Ω (C) 129Ω (D) 2.6 kΩ
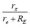
30. 若此 BJT 之基極交流電阻為rπ及射極交流電阻為re,則電壓增益vo / vi為何? (A) (B)(C) (D)
31. 下列有關MOSFET之敘述,何者正確?(A) D-MOSFET,閘源極間未加VGS電壓時,汲源極間無法導通(B) P通道E-MOSFET,閘源極間須加正電壓,才可使汲源極間導通(C) E-MOSFET,閘源極間須加逆偏電壓,才可關閉汲源極間導通電流(D) N通道MOSFET之基體(substrate )為P型半導體
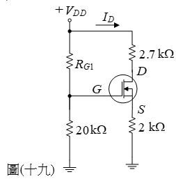
32. 如圖(十九)所示電路,VDD=12V,MOSFET 之夾止(pinch-off)電壓Vp=–3V,IDSS=9mA,工作點之I D =1.44mA,則電阻RG1約為何?
(A) 202.2 kΩ (B) 180.8 kΩ (C) 156.5 kΩ (D) 112.6 kΩ
33. 一 N 通道 D-MOSFET 電路操作於飽和區 ( 夾止區 ) ,MOSFET 之夾止電壓 Vp = – 4 V, IDSS = 10 mA,工作點之VGS=–3V,則此工作點之交流轉移電導gm為何? (A) 0.82mA/V (B) 1.25mA/V (C) 1.56mA/V (D) 1.82mA/V
34. 則此工作點下之 MOSFET 交流轉移電導gm為何?(A) 1.2mA/V (B) 1.8mA/V (C) 2.4mA/V (D) 3.2mA/V
35. 則此工作點下之輸入阻抗Zi約為何?(A) 45.2 kΩ (B) 38.6 kΩ (C) 33.3 kΩ (D) 24.5 kΩ
36. 如圖(二十一)所示理想運算放大器電路,其輸出電壓Vo為何?(A) 10mV(B) 20mV(C) 30mV(D) 55mV
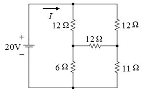
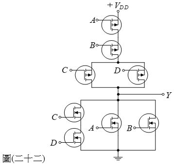
37. 如圖(二十二)所示CMOS數位電路,其輸出Y 的布林代數式為何? (A) (B)(C) AB (C+ D)(D)
38. 當電路產生穩定弦波振盪時,則電阻Rf之理論值為何?(A) Rf =20 kΩ (B) Rf =50 kΩ(C) Rf =100 kΩ (D) Rf =300 kΩ
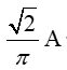
39. 此電路振盪頻率約為何?(A) 1.59 kHz (B) 3.18 kHz (C) 1.59MHz (D) 3.18MHz
40. 如圖 ( 二十四 ) 所示,示波器量測得之弦波電壓信號 v ( t ),測試棒及示波器端之衰減比皆設定為 1:1,若示波器垂直刻度設定為 2 V / DIV、水平刻度設定為 1 ms / DIV,則此信號峰對峰值及頻率分別為何? (A)16 V、500Hz (B) 16V、500Hz (C)8V 、250Hz (D) 8V、250Hz
41. 指針型三用電表,將功能旋扭轉至 R × 1 k 歐姆檔,並依常規將紅色及黑色測試線正確接至電表。電表歸零後,將電表黑測棒固定接觸 BJT 之其中一接腳,再將電表紅測棒分別接觸BJT另外兩隻接腳,若電表皆指示低電阻值狀態,則下列敘述何者正確? (A) 為NPN電晶體,黑測棒接觸接腳為射極 (B) 為PNP電晶體,黑測棒接觸接腳為基極 (C) 為PNP電晶體,黑測棒接觸接腳為射極 (D) 為NPN電晶體,黑測棒接觸接腳為基極
42. 如圖 ( 二十五 ) 所示理想二極體全波整流電路, vs =110 sin(377t )V ,變壓器匝數比 N1:N2:N3=11:1:1,若負載RL=10Ω,則二極體電流iD的平均值為何?
(A)(B)(C) (D)
43. 如圖 ( 二十六 ) 所示音訊放大器直流偏壓電路, VCC = 12 V、 RB = 452 k Ω 及 RC = 3 k Ω,當 BJT之VBE =0.7V、β=80時,則VC =VCC /2=6V。若BJT之 β 變為100,則VC為何? (A) 7.5V (B) 6.5V (C) 5.5V (D) 4.5V
44. 若vi輸入信號以示波器 CH 1量測波形如圖 (二十八)所示,且當開關 SW 切於 b 處時,以CH2量測vo1之示意波形可能為何? (A)(B)(C)(D)
45. 電阻 RB2約為何?(A) 8.61 kΩ (B) 12.96 kΩ (C) 21.35 kΩ (D) 24.36 kΩ
46. 如圖 ( 二十九 ) 所示串級放大實驗電路,MOSFET Q1 之參數 K1 = 0.5 mA / V2、臨界電壓Vt 1 = 1 V,Q2 之參數 K2 = 0.5 mA / V2、臨界電壓 Vt2 = 1.5 V,調整RG1後測得兩電晶體直流工作點之 Q1 汲極電流 ID1 = 0.5 mA、Q2 汲極電流 ID2 = 2 mA,則放大器之電壓增益 vo / vi為何?(A) 15 (B) – 10 (C) – 12 (D) – 15
47. 如圖 ( 三十 ) 所示電路,輸出 Vo 飽和電壓為±15V ,若輸出為 + 15 V 時,則輸入電壓 Vi可能為何?(A) – 8V (B) – 2V (C) 2V (D) 8V
48. 如圖(三十一 )所示理想運算放大器振盪電路,若R1 =20 kΩ、R2 = 60 k Ω、R3 = 9 kΩ、 C=0.1μF,則振盪時電路輸出vo頻率約為何? (A) 83.3Hz (B) 833Hz (C) 1.78 kHz (D) 17. 8 kHz
49. 如圖(三十二)所示理想運算放大器濾波電路,該濾波器類型及其截止頻率為何? (A) 高通濾波器,截止頻率為Hz (B) 高通濾波器,截止頻率為 Hz(C) 低通濾波器,截止頻率為Hz (D) 低通濾波器,截止頻率為Hz
50. 某 MOSFET 數位電路的輸入 A、B 及輸出 Y 波形如圖 ( 三十三 ) 所示,若 + VDD為高準位 (邏輯1 ),0V為低準位(邏輯0),則此數位電路為何? (A) (B)(C)(D)