所屬科目:技檢◆油壓-乙級
1. 其它條件不變,閥體流量係數 Cv 愈大,則流量 (A)不一定 (B)愈大 (C)不變 (D)愈小。
2. 節流閥使用時,應安裝於油壓缸何處? (A)愈近愈好 (B)無所謂 (C)愈遠愈好 (D)中間位置。
3. 下列那項不是增加扭矩的方法 (A)增加油壓馬達轉速 (B)擴大減速比 (C)增加系統的壓力 (D)增加油壓馬達排量。
4. 量出迴路的特性是 (A)可做為減壓迴路 (B)動力不會損失,油溫也不升高 (C)可作快速運動 (D)負荷有遽變時,致動器不會受影響。
5. 下圖中安裝O形環時,其 α 角度大約為(A)15~30° (B)3~8° (C)30~45° (D)8~15°。
6. 下列何者非屬資源回收分類項目中「廢紙類」的回收物? (A)報紙 (B)紙袋 (C)雜誌 (D)用過的衛生紙。
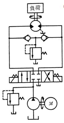
7. 左圖為 (A)順序迴路 (B)調速迴路 (C)壓力保持迴路 (D)減壓迴路。
8. 為了得到伺服閥最好的控制性能,一般伺服閥的導引壓力 (A)使用一穩定的外部導引壓力,壓力變動率在±5kgf/cm2 之內 (B)使用外部導引壓力 (C)導引壓力與伺服閥的性能沒有影響 (D)使用內部導引與主系統壓力相通。
9. 三用電表測量電流時要和被測電路 (A)串聯 (B)並聯 (C)先並聯再串聯 (D)先串聯再並聯。
10. 下列何種元件在油壓系統中能產生油流? (A)節流閥 (B)流量控制閥 (C)油泵 (D)止回閥。
11. 計算蓄壓器使用容量規格時,下列何壓力不必考慮? (A)最高作動壓力 (B)最低作動壓力 (C)平均作動壓力 (D)預充氣體壓力。
12. 使用鑽孔機時,不應使用下列何護具? (A)棉紗手套 (B)耳塞 (C)防塵口罩 (D)護目鏡。
13. 作動油之下列何種屬性對其雷諾數沒有影響 (A)重力加速度 (B)管內平均流速 (C)動黏度 (D)管內徑。
14. 一鑄鐵管每分鐘輸水量 30000 公升,流速 335cm/sec,最大壓力 120kg/㎝ 2 鑄鐵之允許力為3000kg/㎝ 2,則管之內徑為 (A)63.6 (B)33.6 (C)43.6 (D)53.6 cm。
15. 某一液壓泵排量 q=20cc/rev,為 6 極三相感應馬達驅動,在泵出口之工作壓力 p=200kgf/cm2 時,該泵之容積效率 =0.95,全效率 ηv=0.90,試求泵之輸出功率 No=? (A)10.13 (B)13.83 (C)7.45 (D)8.48 HP。
16. 差動迴路中,油缸截面積 A=200cm2,桿側面積 A1 =150cm2,前進速度 20 ㎝/sec,則前進時油泵流量為 (A)60 (B)30 (C)400 (D)180 lpm。
17. 下列敘述何者正確? (A)公務機關委託的代檢(代驗)業者,不是公務員,不會觸犯到刑法的罪 責 (B)賄賂或不正利益,只限於法定貨幣,給予網路遊戲幣沒有違法的問題 (C)受公務機關委託辦 理案件,除履行採購契約應辦事項外,對於蒐集到的個人資料,也要遵守相關保護及保密規定 (D)在靠北公務員社群網站,覺得可受公評且匿名發文,就可以謾罵公務機關對特定案件的檢查情形。
18. 齒輪式油壓馬達一般廠商建議在回油管線上裝置過濾器之過濾精度為何? (A)5μm (B)10μm(C)20μm (D)25μm。
19. 下列何者為減壓閥 (A)(B)(C)(D) 。
20. 電容器之電容量與兩極板之距離成 (A)反比 (B)正比 (C)平方正比 (D)無關。
21. 職業安全衛生法所稱有母性健康危害之虞之工作,不包括下列何種工作型態? (A)輪班及工作負荷 (B)長時間站立姿勢作業 (C)駕駛運輸車輛 (D)人力提舉、搬運及推拉重物。
22. 下列何者「不是」潔淨能源? (A)風能 (B)地熱 (C)太陽能 (D)頁岩氣。
23. 夾小墊圈或螺帽到狹窄的地方工作的鉗子是 (A)剝線鉗 (B)電工鉗 (C)尖嘴鉗 (D)斜口鉗。
24. 按照現行法律規定,侵害他人營業秘密,其法律責任為 (A)僅需負民事損害賠償責任 (B)刑事責任與民事損害賠償責任皆不須負擔 (C)僅需負刑事責任 (D)刑事責任與民事損害賠償責任皆須負擔。
25. 有一以油壓缸推動之垂直升降搬運機構,可採用何種方式或電磁閥來達成於油壓缸中間區域停止不掉落? (A)5/3 中位釋壓型電磁閥 (B)5/2 電磁閥+引導式逆止閥 (C)5/3 中位釋壓型電磁閥+引導 式逆止閥 (D)5/3 中位加壓型電磁閥。
26. 如下圖所示,當電磁閥不激磁時,若流經管線之壓降不計,則 B 點之壓力應為多少? (A)0 (B)100(C)80 (D)50 kgf/cm2。
27. 以繼電器來控制電磁閥動作時應 (A)兩者電壓大小須一致且要同屬交流或直流 (B)兩者的額定電壓可以不同,也可以使用交流或直流 (C)電磁閥線圈之電壓和繼電器線圈之額定電壓要一致 (D)兩者額定電壓可以不同,但一定都是直流電。
28. 三用電表測量電流時,其讀數是 (A)有效值 (B)最大值 (C)平均值 (D)絕對值。
29. 在不妨害水體正常用途情況下,水體所能涵容污染物之量稱為 (A)涵容能力 (B)運轉能力 (C)消化能力 (D)放流能力。
30. 下圖中,若管路摩擦力不計,負載所須之工作壓力為 40kgf/cm2,管 1 之流量值 (A)14 (B)20 (C)9(D)11 lpm。
31. 當一比例油壓系統驅動負載作動時,決定油壓缸的最大加速度時,我們必須考慮之因素為 (A)油壓缸的自重 (B)系統的自然頻率 (C)油壓缸出力之大小 (D)負載之慣性。
32. 電氣設備裝設於有潮濕水氣的環境時,最應該優先檢查及確認的措施是? (A)有無可能傾倒及生鏽 (B)有無在線路上裝設漏電斷路器 (C)有無過載及過熱保護設備 (D)電氣設備上有無安全保險 絲。
33. 下列何者為磷酸酯系液壓油的特性? (A)防銹性良好 (B)潤滑性佳 (C)安定性好 (D)黏度優良。
34. 如下圖,繪製止回閥時,其 θ 角度應為 (A)45° (B)120° (C)60° (D)90°。
35. 如下圖所示,當電磁閥激磁時,若流經管線之壓降不計,則 A 點之壓力應為多少? (A)80 (B)20(C)0 (D)100 kgf/cm2。
36. 液壓引導型電磁閥,為使其正常操作引導壓力至少是 (A)5kg/cm2 以上 (B)3.5kg/cm2 (C)1kg/cm2(D)2.5kg/cm2。
37. 左圖 T 口閉止,則此元件成為 (A)(B)(C)(D) 。
38. 油泵吸油口過濾器的網目大小一般採用 (A)200~250 (B)50~100 (C)100~150 (D)150~200 篩孔 (mesh)。
39. 一般而言影響液壓元件故障率最大的因素為 (A)液壓油的清淨度 (B)油箱之油位高低 (C)油溫的變化 (D)系統工作壓力設定值。
40. 油壓閥的輸入信號以機械變位等機械信號者稱為 (A)電氣一油壓伺服閥 (B)油壓電磁閥 (C)油壓比例閥 (D)機械輸入伺服閥。
41. 下列何者是造成聖嬰現象發生的主要原因? (A)霧霾 (B)臭氧層破洞 (C)溫室效應 (D)颱風。
42. 下列何者為環境保護的正確作為? (A)不隨手關燈 (B)自己開車不共乘 (C)鐵馬步行 (D)多吃肉少蔬食。
43. 油壓系統中液壓油在維修更換時下面那一項不正確 (A)液壓油種類依元件製造廠的規定 (B)使用代用油時滿足牌號的要求 (C)液壓油的黏度依元件製造廠的規定 (D)任何廠牌的液壓油可以混用。
44. 使用 3"充滿閥,油箱每高出充滿閥每 1M,可增預充流量 (A)50L (B)150L (C)100L (D)200L。
45. 捨棄單邊電磁彈簧回位 4/2 位方向閥,採用雙邊電磁控制方向閥的主要目的是 (A)成本較低廉 (B) 停電保持,避免撞機 (C)反應較快 (D)油壓缸可任意位置停駐。
46. 下圖所示之意義為 (A)手調式機構控制可變量油泵 (B)手調伺服控制一中心偏位(閉迴路使用)可變量油泵 (C)壓力補償控制可變量油泵 (D)手調伺服控制可變量油泵。
47. 因故意或過失而不法侵害他人之營業秘密者,負損害賠償責任該損害賠償之請求權,自請求權人知有行為及賠償義務人時起,幾年間不行使就會消滅? (A)7 年 (B)5 年 (C)2 年 (D)10 年。
48. 當使用油壓缸時應考慮外力的方向必需與活塞的動作方向平行,如油壓缸作動時負載的方向會發生變化時,則我們應選擇 (A)FB (B)LA (C)FA (D)CA 的方式安裝。
49. 如下圖之情況,模具已壓住工件,則加在工作上之力量為 (A)19500 磅 (B)4500 磅 (C)24000 磅(D)4000 磅。
50. 如下圖符號表示為 (A)NOT (B)AND (C)OR (D)串聯電路。
51. 下圖的迴路中如裝有導壓操作止回閥,則換向閥的中位形式應為 (A)中位全開 (B)中位 ABT 通較為理想 (C)中位 PT 通 (D)中位全閉。
52. 若勞工工作性質需與陌生人接觸、工作中需處理不可預期的突發事件或工作場所治安狀況較差,較容易遭遇下列何種危害? (A)組織外部不法侵害 (B)潛涵症 (C)多發性神經病變 (D)組織內部 不法侵害。
53. 小吳是公司的專用司機,為了能夠隨時用車,經過公司同意,每晚都將公司的車開回家,然而,他發現反正每天上班路線,都要經過女兒學校,就順便載女兒上學,請問可以嗎? (A)可以,要資源須有效使用 (B)可以,反正順路 (C)不可以,這是公司的車不能私用 (D)可以,只要不 被公司發現即可。
54. 凸緣管接頭適用於 (A)管內壓力低時 (B)管徑較小時 (C)管內流體速度較小時 (D)管徑較大時。
55. 下圖中的換向閥一般流量應在 (A)180LPM (B)120LPM (C)60LPM (D)30LPM 以上使用。
56. 電動馬達的轉速與下列何者無關? (A)轉差率 (B)頻率 (C)電流 (D)極數。
57. 下列何者是海洋受污染的現象? (A)形成紅潮 (B)形成黑潮 (C)臭氧層破洞 (D)溫室效應。
58. 依經濟部能源署「指定能源用戶應遵行之節約能源規定」,在正常使用條件下,公眾出入之場所其室內冷氣溫度平均值不得低於攝氏幾度? (A)26 (B)22 (C)24 (D)25。
59. 轉速計的單位,以分鐘計算應為 (A)rpm (B)lpm (C)ppm (D)rps。
60. 勞動基準法第 84 條之 1 規定之工作者,因工作性質特殊,就其工作時間,下列何者正確? (A)得由勞雇雙方另行約定 (B)不另給予延時工資 (C)完全不受限制 (D)無例假與休假。
61. 有關油壓的特性,下列敘述何者正確? (A)使用油壓可得到廣泛的無段變速 (B)使用油壓無法防止超負荷 (C)油壓系統性能常受作動油溫度變化的困擾 (D)漏油會影響油壓的性能。
62. 選擇油壓缸時,如以經濟層面來思考,下列何者為真? (A)降低工作壓力 (B)加大油壓缸活塞面積(C)提升工作壓力 (D)減少油壓缸活塞面積。
63. 如下圖所示,下列敘述何者為真? (A)內部排泄 (B)主閥中立位置流路模式為四口(A、B、P、T)皆閉合 (C)以電磁閥當引導閥及引導操作換向閥當主閥組裝而成 (D)外部引導。
64. 如下圖所示,下列敘述何者為真? (A)有壓力補正之流量補整閥 (B)主節流口固定 (C)有溫度補正之流量補整閥 (D)主節流口為可變。
65. 有關輪葉泵的特性,下列何者正確? (A)對壓油的品質要求高 (B)運轉平穩,壓力脈動小 (C)結構較複雜,零件製造精度要求較高 (D)平衡型易於實現變排量。
66. 新的液壓系統泵產生噪音的原因? (A)驅動馬達轉速太快 (B)油中氣泡太多 (C)油位太低 (D)吸油管端過濾器阻塞,吸入阻力變大。
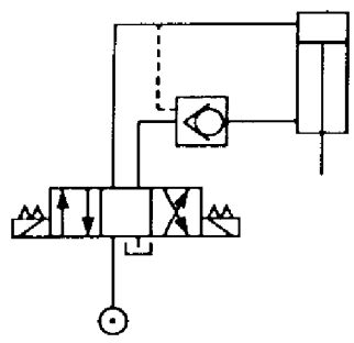
67. 當液壓馬達停止運轉(停止供油)時,由於慣性的原因,會再轉動一點,使馬達入口處無法得到供油,造成真空現象,為補充馬達入口處缺油,可採用下列何種迴路? (A)(B)(C)(D) 。
68. 下列何者為泵產生空蝕(cavitation)現象的因素,泵入口之 (A)真空度太小 (B)絕對壓力太低 (C)絕對壓力太高 (D)真空度太大。
69. 如下圖所示,壓力補償式流量控制閥與負載 W 變大的關係,下列敘述何者為真? (A)通過壓力補償式流量控制閥之流量 Q 不變 (B)壓力差 ΔP 變小 (C)壓力差 ΔP 變大 (D)P2 壓力變大。
70. 使用噪音計測量噪音時,應注意音源的 (A)方向 (B)頻率 (C)音量 (D)距離。
71. 如下圖所示,管路阻力忽略不計,在額定流量 20 l/min 時,止回閥 A、B 開啟壓力分別為 3.5、5kgf/cm2,阻尼管 C 壓降為 1.5kgf/cm2,下列敘述何者為真? (A)錶 3 壓力為 1.5 (B)錶 1 壓力為10 (C)錶 4 壓力為 1.5 (D)錶 2 壓力為 6.5 kgf/cm2。
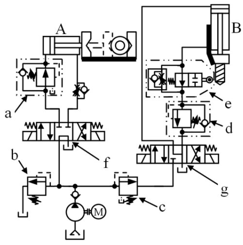
72. 如下圖是一部自動鑽孔機械,其 A 缸:夾料缸、B 缸:鑽孔缸,而動作順序為 ,試問 d 處使用之閥件名稱及功能,下列敘述何者為真? (A)可限制鑽孔最大出力 (B)一般型順序閥(C)平衡鑽孔模組自身重量 (D)抗衡閥。
73. 如下圖所示,下列敘述何者有誤? (A)內部引導,內部排泄 (B)外部引導,內部排泄 (C)內部引導,外部排泄 (D)外部引導,外部排泄。
74. 有關溢流閥(reliefvalve)使用狀況的敘述,下列何者為真? (A)直動型溢流閥的反應非常靈敏,但額定流量較小 (B)引導動作型溢流閥的設定壓力可以低於外部遙控閥 (C)引導動作型溢流閥經常做為系統最高壓力控制用 (D)引導動作型溢流閥的引導口可以做為遙控壓力使用。
75. 有關齒輪泵的特性,下列何者正確? (A)內漏大,容積效率低 (B)造簡單維修容易 (C)效率高,容易得到高壓 (D)不適用在中高壓系統場合。
76. 有關液壓泵油管之安裝,下列何者正確? (A)吸油管和回油管應盡量遠離 (B)吸油管的口徑較吐出油管直徑為大,以避免吸入不良 (C)回油管末端要浸在液面下 (D)吸油管和回油管應盡量靠近。
77. 如下圖所示,若把 B、Y 兩口連接於油箱時,其中閥 3 之名稱及用途,下列敘述何者為真? (A)直動型溢流閥 (B)節流閥 (C)作為控制壓力高低用 (D)使邏輯閥的開啟及關閉較和緩。
78. 可變容量泵與固定容量泵基本差異是 (A)省馬力 (B)須加外部排泄 (C)最大吐出量可以調整 (D)適用較高轉數〈RPM〉馬達。
79. 如下圖所示,閥 1、閥 2、閥 3、閥 4 各閥件在回路中的功能,下列敘述何者為真? (A)閥 1 為控 制系統最高壓力 (B)閥 2 為可遙控控制閥 1 (C)閥 4 為控制供給油壓缸壓力 (D)閥 3 為控制油壓缸前進/後退之閥件。
80. 如下圖所示,下列敘述何者為真?(A)減壓閥 (B)閥正常未作動時,一次側到二次側(P2 )是關閉的 (C)引導壓油由二次側(P2 )引導 (D)溢流閥。