阿摩線上測驗
登入
首頁
>
技師◆結構設計
> 95年 - 95年專門職業及技術人員高等建築師、技師暨普通不動產經紀人、地政士土木工程技師#38281
95年 - 95年專門職業及技術人員高等建築師、技師暨普通不動產經紀人、地政士土木工程技師#38281
科目:
技師◆結構設計 |
年份:
95年 |
選擇題數:
0 |
申論題數:
8
試卷資訊
所屬科目:
技師◆結構設計
選擇題 (0)
申論題 (8)
⑴設計外柱 AB 時,試列式說明如何判定是否 應考慮長柱效應(10 分)
⑵假設此構架之側位移不大(nonsway frame),且設計 柱 AB 時應考慮長柱效應,試繪圖列式說明如何利用現行設計規範繪製該柱之軸力 與彎矩的強度互制圖(interaction diagram)(15 分)。
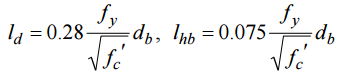
【已刪除】二、假設圖示之鋼筋混凝土構架之梁的兩端及中央處之撓曲鋼筋需求量已經分別求得, 撓曲鋼筋不在張力區被切斷,試繪圖列式說明如何配置 AB 及 BC 兩跨之撓曲鋼筋 ,請同時說明如何檢核規範對鋼筋錨定之規定及標示鋼筋切斷點之位置。梁之撓曲 鋼筋採用 D22 鋼筋(d
b
= 2.2 cm),內外柱之箍筋採用 D10 鋼筋(d
b
= 1 cm)。 f′ c = 280 kgf/cm
2
, f
y
= 4200 kgf/cm
2
,
。(25 分)
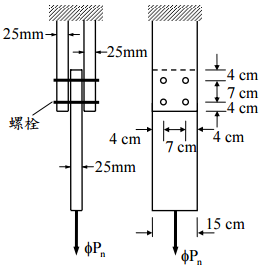
【已刪除】三、圖示之鋼板以螺栓接合,鋼板之厚度皆為 25 mm ,鋼材之 F
y
= 2.5 t/cm
2
,F
u
= 4.1 t/cm
2
。螺栓採 A490 標稱直徑 22 mm 承壓型螺栓,螺紋在剪力 平面上,螺栓標稱剪力強度為 4.2 t/cm
2
。螺栓孔 為標準孔,孔徑為 23.5 mm。試以我國現行極限 設計法規範,計算此接合能承受之最大拉力強度 φP
n
。螺栓孔承壓強度之檢核採螺栓孔邊距≧1.5d (d 為螺栓直徑),螺栓間距≧3d,作用力方向 有二排(含)以上螺栓,且螺栓孔附近之變形為設 計之考慮因素時, R
n
= 2.4dtF
u
。(25 分)
【已刪除】
1.可側向位移構架之受壓構材:C
m
=0.85
2.含斜撐構架之受束制壓力構材,且在構材彎曲平面兩端點間無橫向載重時: C
m
=0.6-0.4(M
1
/M
2
)
3.含斜撐構架之受壓構材若在構材彎曲平面兩端點間受橫向力作用時,C
m
之值可 依合理分析方法決定之或依以下之規定: 1.構材在所考慮彎曲平面之端點受束制者,C
m
=0.85 2.構材在所考慮彎曲平面之兩端點未束制者,C
m
=1.0
相關試卷
114年 - 114 專技高考_土木工程技師:結構設計(包括鋼筋混凝土設計與鋼結構設計)#133709
114年 · #133709
114年 - 114 司法特種考試_三等_檢察事務官營繕工程組:結構設計(包括鋼筋混凝土設計與鋼結構設計)#129579
114年 · #129579
113年 - 113 專技高考_土木工程技師:結構設計(包括鋼筋混凝土設計與鋼結構設計)#123949
113年 · #123949
113年 - 113 司法特種考試_三等_檢察事務官營繕工程組:結構設計(包括鋼筋混凝土設計與鋼結構設計)#122119
113年 · #122119
112年 - 112 專技高考_土木工程技師:結構設計(包括鋼筋混凝土設計與鋼結構設計)#117675
112年 · #117675
112年 - 112 司法特種考試_三等_檢察事務官營繕工程組:結構設計(包括鋼筋混凝土設計與鋼結構設計)#116212
112年 · #116212
111年 - 111 專技高考_土木工程技師:結構設計(包括鋼筋混凝土設計與鋼結構設計)#111976
111年 · #111976
111年 - 111 司法特種考試_三等_檢察事務官營繕工程組:結構設計(包括鋼筋混凝土設計與鋼結構設計)#110324
111年 · #110324
110年 - 110 專技高考_土木工程技師:結構設計(包括鋼筋混凝土設計與鋼結構設計)#104169
110年 · #104169
110年 - 110 司法特種考試_三等_檢察事務官營繕工程組:結構設計(包括鋼筋混凝土設計與鋼結構設計)#103219
110年 · #103219