阿摩線上測驗
登入
首頁
>
電工學(電工原理)
> 97年 - 97 公路特種考試_高員三級_汽車工程:電工學#48970
97年 - 97 公路特種考試_高員三級_汽車工程:電工學#48970
科目:
電工學(電工原理) |
年份:
97年 |
選擇題數:
0 |
申論題數:
6
試卷資訊
所屬科目:
電工學(電工原理)
選擇題 (0)
申論題 (6)
一、如圖一電路所示,各參數為 V
S1
= 12 V;V
S2
= 5 V;R
1
=50 Ω;R
2
= R
3
= 20 Ω;R
4
=10 Ω; R
5
=15 Ω。試求跨接於電阻 R
4
兩端之電壓值。(20 分)
二、如圖二所示之電路,在 t =0+時將開關予以接通,且其中各參數為 V
s
= 12 V;R
1
=31 kΩ; R
2
=22 kΩ;C= 0. 5 µF;L =0.9 mH。試求當此電路達到穩態時(steady state)跨接 於電容器 C 之電壓值。(20 分)
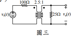
三、如圖三所示之理想變壓器(ideal transformer)電路,其中 v
s
(t) = 294 cos (377t) V, 試求 v
o
(t)之電壓值。(20 分)
四、如圖四所示之三相(three-phase)電路,其中 v
1
=170 cos (ωt) volt; v
2
=170 cos (ωt - 2π/3) volt; v
3
=170 cos (ωt + 2π/3) volt; f =400 Hz;R =100 Ω V2 C=0.47μF;L=100 mH, 圖四 試求流經電阻 R 之電流值。(20 分)
五、設有一額定值為 30 kW、440 V 之並激(shunt)式直流發電機,若其電樞(armature) 電阻為 0.1 Ω,且其並激場電阻(field circuit resistance)為 200 Ω,試求此發電機在 額定負載(rated load)下之產生功率(power developed)。(10 分)
六、設有一 60 Hz、440 V 六極(six pole)三相(three phase)之感應電機,具有下列等 效電路參數:R
s
= 0.8 Ω(stator resistance per phase)、X
s
= 0.7 Ω(stator reactance per phase)、R
R
= 0.3 Ω(rotor resistance per phase)、X
R
= 0.7 Ω(rotor reactance per phase)、X
m
= 35 Ω(mutual reactance),試求此感應電機在 1200 rpm 轉速下之功 率因數(power factor)。(10 分)