阿摩線上測驗
登入
首頁
>
電子學
> 97年 - 97 地方政府特種考試_三等_電力工程、電子工程:電子學#48694
97年 - 97 地方政府特種考試_三等_電力工程、電子工程:電子學#48694
科目:
電子學 |
年份:
97年 |
選擇題數:
0 |
申論題數:
8
試卷資訊
所屬科目:
電子學
選擇題 (0)
申論題 (8)
⑴直流偏壓電路 (10 分
)⑵交流放大電路(5 分)
⑶交直流隔離(Blocking)或旁路(Bypass)電 路。(5 分)
二、請運用一個 1:1 變壓器,兩個PN 接面二極體(PN Junction Diode)與兩個電容器 設計一輸出直流電壓V
out
= -2Vp之電壓倍壓電路,其中假設變壓器一、二次側弦波 交流峰值電壓均為V
p
,二極體順偏電壓V
D
= 0V。(20 分)
三、擬比較一個雙載子接面電晶體(Bipolar Junction Transistor)於不同放大器組態 (Amplifier Configuration)時之各種電路特性,請用 H(High,代表高),M (Medium,代表中),或 L(Low,代表低)填入下表各空白欄位。(每個欄位 2 分,共有 10 個欄位,總計 20 分)
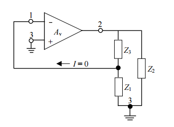
四、下圖為振盪器(Oscillator)之基本電路組態(Circuit Configuration),其中放大 器之電壓放大率AV為適當大小,放大器輸入電阻R
in
= ∞,放大器輸出電阻R
out
≠ 0Ω,外部阻抗Z1 = jX
1
,Z
2
= jX
2
,Z
3
= jX3。請證明振盪頻率滿足下列條件: (X
1
+X
2
+X
3
)= 0。(20 分)
⑴詳細推導 輸出入邏輯關係。(10 分)
⑵畫出半加器電路圖。(10 分)
相關試卷
115年 - 115-1 臺北市立大安高工教師甄選試題_電子/控制科:電子學#138452
115年 · #138452
115年 - 115 國營臺灣鐵路股份有限公司從業人員_甄試試題_第10階-助理技術員-電力、電務:電子學概要#138261
115年 · #138261
114年 - 114 地方政府公務特種考試_三等_電力工程、電子工程、電信工程:電子學#134800
114年 · #134800
114年 - 114 地方政府公務特種考試_四等_電力工程、電子工程、電信工程:電子學概要#134742
114年 · #134742
114年 - 114 專技高考_電子工程技師:電子學#133712
114年 · #133712
114年 - 114 公務升官等考試_薦任_電力工程、電子工程、電信工程:電子學#133247
114年 · #133247
114年 - 114 原住民族特種考試_四等_電子工程:電子學概要#130947
114年 · #130947
114年 - 114 專技高考_專利師(選試專業英文及電子學)、專利師(選試專業日文及電子學):電子學#130110
114年 · #130110
114年 - 114 普通考試_電力工程、電子工程、電信工程:電子學概要#128790
114年 · #128790
114年 - 114 高等考試_三級_電力工程、電子工程、電信工程:電子學#128768
114年 · #128768