阿摩線上測驗
登入
首頁
>
電工學(電工原理)
> 97年 - 97 警察特種考試_三等_交通警察人員電訊組:電工學#48728
97年 - 97 警察特種考試_三等_交通警察人員電訊組:電工學#48728
科目:
電工學(電工原理) |
年份:
97年 |
選擇題數:
0 |
申論題數:
5
試卷資訊
所屬科目:
電工學(電工原理)
選擇題 (0)
申論題 (5)
一、有一導體同軸圓柱殼(厚度不計)長度為 L,其內殼導體半徑為 a 且帶正電,外殼 導體半徑為 b 且帶負電,若用平行於中心軸之平面將此同軸圓柱殼加以二等分,並 在兩殼間之一半空間填入介電常數為 ε
1
之介電質及另一半空間填入介電常數為 ε
2
之 介電質,試求此電容器之總電容量。(20 分)
二、有一邊長為 a 之正方形導體迴路置放於 xy 平面上,中心點位於原點且迴路中載有電 r 流 I(逆時針方向),試求正方形導體迴路中心軸上 P(0,0,z)位置之
。(20 分)
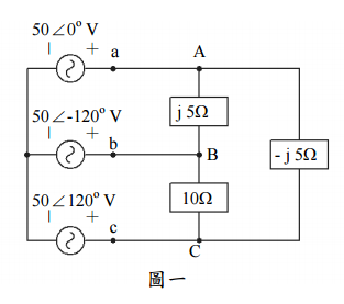
三、如圖一所示,試求不平衡三相電路的線電流 I
aA
、I
bB
及 I
cC
。(20 分)
四、如圖二所示,試求電流 I
2
。(20 分)
五、如圖三所示,試求穩態電流 i。(20 分)