阿摩線上測驗
登入
首頁
>
電子學
> 98年 - 98 鐵路特種考試_員級_電力工程:電子學概要#48044
98年 - 98 鐵路特種考試_員級_電力工程:電子學概要#48044
科目:
電子學 |
年份:
98年 |
選擇題數:
0 |
申論題數:
8
試卷資訊
所屬科目:
電子學
選擇題 (0)
申論題 (8)
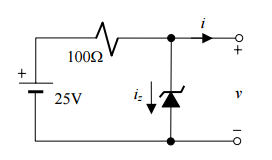
一、如下圖中Zener二極體之R
z
= 5 Ω,V
z
= 20 V,試繪製i- v圖形,並詳細標示圖形中轉 折點與斜率。(20 分)
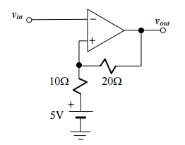
二、如下圖之OP電路,OP輸出最大範圍為 ± 30V,試繪製v
in
-v
out
圖形,並詳細標示圖形 中轉折點與斜率。(20 分)
⑴試繪製其輸入電壓v
in
(t)、電容電壓v
c
(t)及輸出v
o
(t)波形。(10 分)
⑵求二極體之導通時間。(10 分)
⑴V
DS
。(10 分)
⑵I
D
。(10 分)
⑴試繪製小訊號等效電路(small-signal equivalent circuit)。(10 分)
⑵試求輸出阻抗。(10 分)
相關試卷
115年 - 115-1 臺北市立大安高工教師甄選試題_電子/控制科:電子學#138452
115年 · #138452
115年 - 115 國營臺灣鐵路股份有限公司從業人員_甄試試題_第10階-助理技術員-電力、電務:電子學概要#138261
115年 · #138261
114年 - 114 地方政府公務特種考試_三等_電力工程、電子工程、電信工程:電子學#134800
114年 · #134800
114年 - 114 地方政府公務特種考試_四等_電力工程、電子工程、電信工程:電子學概要#134742
114年 · #134742
114年 - 114 專技高考_電子工程技師:電子學#133712
114年 · #133712
114年 - 114 公務升官等考試_薦任_電力工程、電子工程、電信工程:電子學#133247
114年 · #133247
114年 - 114 原住民族特種考試_四等_電子工程:電子學概要#130947
114年 · #130947
114年 - 114 專技高考_專利師(選試專業英文及電子學)、專利師(選試專業日文及電子學):電子學#130110
114年 · #130110
114年 - 114 普通考試_電力工程、電子工程、電信工程:電子學概要#128790
114年 · #128790
114年 - 114 高等考試_三級_電力工程、電子工程、電信工程:電子學#128768
114年 · #128768