阿摩線上測驗
登入
首頁
>
電子學
>
98年 - 98 鐵路特種考試_員級_電力工程:電子學概要#48044
> 申論題
題組內容
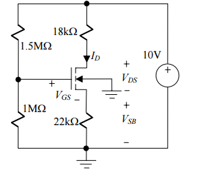
四、如下圖電路中,MOSFET之
,試求:
⑵I
D
。(10 分)
相關申論題
一、如下圖中Zener二極體之Rz = 5 Ω,Vz = 20 V,試繪製i- v圖形,並詳細標示圖形中轉 折點與斜率。(20 分)
#166428
二、如下圖之OP電路,OP輸出最大範圍為 ± 30V,試繪製vin-vout圖形,並詳細標示圖形 中轉折點與斜率。(20 分)
#166429
⑴試繪製其輸入電壓vin(t)、電容電壓vc(t)及輸出vo(t)波形。(10 分)
#166430
⑵求二極體之導通時間。(10 分)
#166431
⑴VDS。(10 分)
#166432
⑴試繪製小訊號等效電路(small-signal equivalent circuit)。(10 分)
#166434
⑵試求輸出阻抗。(10 分)
#166435
6. 已知下圖疊接放大電路之MOSFET參數K₁=K₂=0.5mA/V²,靜態汲極電流ID為0.5mA,則電路之gm為?
#566892
5. 如圖所示電路,Vi=3.77cos377tV,R=100kΩ,C=1μF,電容電壓初值為零,則輸出電壓Vo為?
#566891
4. 如圖所示電路,若運算放大器具理想特性且Vo=12V,試求電流源I1為?
#566890
相關試卷
115年 - 115-1 臺北市立大安高工教師甄選試題_電子/控制科:電子學#138452
115年 · #138452
115年 - 115 國營臺灣鐵路股份有限公司從業人員_甄試試題_第10階-助理技術員-電力、電務:電子學概要#138261
115年 · #138261
114年 - 114 地方政府公務特種考試_三等_電力工程、電子工程、電信工程:電子學#134800
114年 · #134800
114年 - 114 地方政府公務特種考試_四等_電力工程、電子工程、電信工程:電子學概要#134742
114年 · #134742
114年 - 114 專技高考_電子工程技師:電子學#133712
114年 · #133712
114年 - 114 公務升官等考試_薦任_電力工程、電子工程、電信工程:電子學#133247
114年 · #133247
114年 - 114 原住民族特種考試_四等_電子工程:電子學概要#130947
114年 · #130947
114年 - 114 專技高考_專利師(選試專業英文及電子學)、專利師(選試專業日文及電子學):電子學#130110
114年 · #130110
114年 - 114 普通考試_電力工程、電子工程、電信工程:電子學概要#128790
114年 · #128790
114年 - 114 高等考試_三級_電力工程、電子工程、電信工程:電子學#128768
114年 · #128768