阿摩線上測驗
登入
首頁
>
電子學
> 99年 - 99 鐵路特種考試_員級_電力工程、電子工程:電子學概要#46849
99年 - 99 鐵路特種考試_員級_電力工程、電子工程:電子學概要#46849
科目:
電子學 |
年份:
99年 |
選擇題數:
0 |
申論題數:
8
試卷資訊
所屬科目:
電子學
選擇題 (0)
申論題 (8)
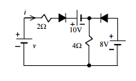
一、如下圖中之兩個二極體皆為理想二極體,試繪製 i-v 圖形,並詳細標示圖形中轉折 點與斜率。(20 分)
二、如下圖之OP電路,試推導v
out
與v
1
及v
2
之關係,須具備推導過程。(20 分)
⑴試繪製其 0 ≤ t ≤ 6.5 之輸出v
o
(t)波形。(10 分)
⑵求t = 6.5 時之輸入電壓v
o
。(10 分)
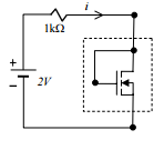
四、如 下 圖 虛 線 標 示 之 電 子 元 件 中 包 含 一 金 氧 半 場 效 應 電 晶 體 ( Metal Oxide Semiconductor Field Effect Transistor, MOSFET ) , 該 MOSFET 之 V
T
= 1V , I
DSS
= 400 µA ,試求電流
i
。(20 分)
⑴試繪製圖⑴之大訊號直流等效電路(Large-signal DC equivalent circuit)。(10 分)
⑵試由該等效電路,說明其電路對不同負載電阻R
L
之穩壓原理。(10 分)
【已刪除】 ⑵
相關試卷
115年 - 115-1 臺北市立大安高工教師甄選試題_電子/控制科:電子學#138452
115年 · #138452
115年 - 115 國營臺灣鐵路股份有限公司從業人員_甄試試題_第10階-助理技術員-電力、電務:電子學概要#138261
115年 · #138261
114年 - 114 地方政府公務特種考試_三等_電力工程、電子工程、電信工程:電子學#134800
114年 · #134800
114年 - 114 地方政府公務特種考試_四等_電力工程、電子工程、電信工程:電子學概要#134742
114年 · #134742
114年 - 114 專技高考_電子工程技師:電子學#133712
114年 · #133712
114年 - 114 公務升官等考試_薦任_電力工程、電子工程、電信工程:電子學#133247
114年 · #133247
114年 - 114 原住民族特種考試_四等_電子工程:電子學概要#130947
114年 · #130947
114年 - 114 專技高考_專利師(選試專業英文及電子學)、專利師(選試專業日文及電子學):電子學#130110
114年 · #130110
114年 - 114 普通考試_電力工程、電子工程、電信工程:電子學概要#128790
114年 · #128790
114年 - 114 高等考試_三級_電力工程、電子工程、電信工程:電子學#128768
114年 · #128768