阿摩線上測驗
登入
首頁
>
電子學
>
99年 - 99 鐵路特種考試_員級_電力工程、電子工程:電子學概要#46849
> 申論題
題組內容
三、如下圖電路中之二極體為理想二極體,時間 t 之單位為秒(second),電壓之單位 為伏特(volt),其初始輸出電壓為
,輸入電壓為
⑵求t = 6.5 時之輸入電壓v
o
。(10 分)
相關申論題
一、如下圖中之兩個二極體皆為理想二極體,試繪製 i-v 圖形,並詳細標示圖形中轉折 點與斜率。(20 分)
#160881
二、如下圖之OP電路,試推導vout與v1及v2之關係,須具備推導過程。(20 分)
#160882
⑴試繪製其 0 ≤ t ≤ 6.5 之輸出vo(t)波形。(10 分)
#160883
四、如 下 圖 虛 線 標 示 之 電 子 元 件 中 包 含 一 金 氧 半 場 效 應 電 晶 體 ( Metal Oxide Semiconductor Field Effect Transistor, MOSFET ) , 該 MOSFET 之 VT = 1V , I DSS = 400 µA ,試求電流 i。(20 分)
#160885
⑴試繪製圖⑴之大訊號直流等效電路(Large-signal DC equivalent circuit)。(10 分)
#160886
⑵試由該等效電路,說明其電路對不同負載電阻RL之穩壓原理。(10 分)
#160887
6. 已知下圖疊接放大電路之MOSFET參數K₁=K₂=0.5mA/V²,靜態汲極電流ID為0.5mA,則電路之gm為?
#566892
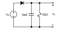
5. 如圖所示電路,Vi=3.77cos377tV,R=100kΩ,C=1μF,電容電壓初值為零,則輸出電壓Vo為?
#566891
4. 如圖所示電路,若運算放大器具理想特性且Vo=12V,試求電流源I1為?
#566890
3. 如圖所示主動式帶通濾波器,其高頻截止頻率為fH,低頻截止頻率為fL,若C₂=5C₁,R₂=4R₁,則fH/fL為?
#566889
相關試卷
115年 - 115-1 臺北市立大安高工教師甄選試題_電子/控制科:電子學#138452
115年 · #138452
115年 - 115 國營臺灣鐵路股份有限公司從業人員_甄試試題_第10階-助理技術員-電力、電務:電子學概要#138261
115年 · #138261
114年 - 114 地方政府公務特種考試_三等_電力工程、電子工程、電信工程:電子學#134800
114年 · #134800
114年 - 114 地方政府公務特種考試_四等_電力工程、電子工程、電信工程:電子學概要#134742
114年 · #134742
114年 - 114 專技高考_電子工程技師:電子學#133712
114年 · #133712
114年 - 114 公務升官等考試_薦任_電力工程、電子工程、電信工程:電子學#133247
114年 · #133247
114年 - 114 原住民族特種考試_四等_電子工程:電子學概要#130947
114年 · #130947
114年 - 114 專技高考_專利師(選試專業英文及電子學)、專利師(選試專業日文及電子學):電子學#130110
114年 · #130110
114年 - 114 普通考試_電力工程、電子工程、電信工程:電子學概要#128790
114年 · #128790
114年 - 114 高等考試_三級_電力工程、電子工程、電信工程:電子學#128768
114年 · #128768