阿摩線上測驗
登入
首頁
>
電子學
>
104年 - 104 專技高考_電子工程技師:電子學#41835
> 申論題
題組內容
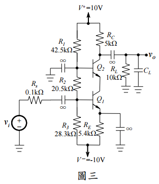
三、如圖三所示的電晶體疊接電路,兩個電晶體的參數為 β =120、V
A
=∞、V
BE(on)
=0.7、 C
π
=12pF、C
μ
=2pF,熱電壓(thermal voltage)V
T
=0.026 V,未列出的參數之特 性假設理想。假設兩個電晶體皆已工作於順向主動區,且其靜態工作點集級電流 I
CQ1
=I
CQ2
=1.02 mA。
⑴就頻率響應而言,放大器疊接的目的為何?(3 分)
相關申論題
⑴當 vi = −3 V 時, vo 之值為何?(4 分)
#130632
⑵當 vi = 2 V 時, vo 之值為何?(4 分)
#130633
⑶繪 vo 對 vi 的轉換特性(transfer characteristics),並標示各斷點(break point)的 座標 vi 、 vo 之值。(7 分)
#130634
⑴電壓增益 vo / vi 為多少?(10 分)
#130635
⑵輸入電阻 Ri 為多少?(5 分)
#130636
⑵若電路中的 CL 為開路,試求此一電路的輸入位置的上 3dB 頻率 fHπ 及輸出位置的 上 3dB 頻率 fHμ。(10 分)
#130638
⑶求中頻帶電壓增益 Av。(4 分)
#130639
⑷若負載電容 CL =15pF 被連接到輸出端,則上 3dB 頻率是被負載電容或電晶體特 性電容所主宰。(3 分)
#130640
⑴當 vX =5V,vo1=0.15V 及 MD1 與 ML1 所構成的反向器(inverter)之功率消耗不超 過 250μW。試計算 ML1、MD1 的寬長比 (W / L) M L1 及 (W / L) M D1 。(13 分)
#130642
⑵當 vX =vY =0 時,試計算 vo2。(7 分)
#130643
相關試卷
115年 - 115-1 臺北市立大安高工教師甄選試題_電子/控制科:電子學#138452
115年 · #138452
115年 - 115 國營臺灣鐵路股份有限公司從業人員_甄試試題_第10階-助理技術員-電力、電務:電子學概要#138261
115年 · #138261
114年 - 114 地方政府公務特種考試_三等_電力工程、電子工程、電信工程:電子學#134800
114年 · #134800
114年 - 114 地方政府公務特種考試_四等_電力工程、電子工程、電信工程:電子學概要#134742
114年 · #134742
114年 - 114 專技高考_電子工程技師:電子學#133712
114年 · #133712
114年 - 114 公務升官等考試_薦任_電力工程、電子工程、電信工程:電子學#133247
114年 · #133247
114年 - 114 原住民族特種考試_四等_電子工程:電子學概要#130947
114年 · #130947
114年 - 114 專技高考_專利師(選試專業英文及電子學)、專利師(選試專業日文及電子學):電子學#130110
114年 · #130110
114年 - 114 普通考試_電力工程、電子工程、電信工程:電子學概要#128790
114年 · #128790
114年 - 114 高等考試_三級_電力工程、電子工程、電信工程:電子學#128768
114年 · #128768