阿摩線上測驗
登入
首頁
>
電子學
>
98年 - 98 公務升官等考試_薦任_電力工程、電子工程:電子學#48190
> 申論題
題組內容
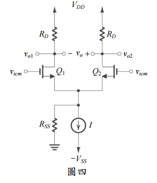
四、如圖四所示之一MOS差動對(differential pair)電路工作在 1 mA之偏壓電流,電晶體
之W/L=100,k
’n
=0.1 mA/V
2
,而R
D
=5 kΩ,R
SS
=
25 kΩ,電路完全匹配(perfectly
matched)。
⑴若輸出以單端(single-endedly)取出,求差動增益(differential gain)、共模增益 (common-mode gain)、共模拒絕比(common-mode rejection ratio)(以 dB 表 示)。(10 分)
相關申論題
一、如圖一所示電路,求分枝電流(branch currents)i1、i2、i3與輸出電壓vo。另外,i2與 i3差異之電流來自何處?(16 分)
#167319
二、如圖二所示電路,求分枝電流I1、ID與節點電壓VG、VD、VS。其中電晶體之Vt=1 V, k’n(W/L)=1 mA/V2,通道調變可忽略。(20 分)
#167320
三、如圖三所示之主動負載CE放大器,定電流源I由一pnp電晶體組成。令I=0.1 mA,兩 電晶體之|VA|=40 V,β=200,求Ri、ro、gm及放大器電壓增益Av。(20 分)
#167321
⑵若輸出以差動方式(differentially)取出,重複⑴各項所求。(10 分) VDD RD RD vo1 - vo + vo2 vicm Q1 Q2 vicm RSS I -VSS 圖四
#167323
⑴求迴路增益(loop gain)夠大時之Io /Vs。(12 分)
#167324
⑵若輸出電壓由Q5的源極取出,求閉迴路電壓增益(closed-loop voltage gain)。 (12 分)
#167325
(二)當 vA = vB = 5 V 時,vO = ?(15 分)
#570154
(一)當 vA = vB = 0 V 時,vO = ?(10 分)
#570153
三、圖 三 為 一 個 npn 雙 載 子 接 面 電 晶 體 ( BJT ) 疊 接 放 大 器 ( Cascode Amplifier)電路,電晶體 Q1 與 Q2 皆工作在主動模式(Active Mode) 下。為計算方便,未顯示其偏壓電路,但已知 IC2 = 1 mA。電晶體 Q1 與 Q2 的參數如下:β1 = β2 =100,VA1 = VA2 = 150 V,VT1 = VT2 = 25 mV, Cπ1 = Cπ2 = 15 pF,Cμ1 = Cμ2 = 0.3 pF,CS1 = CS2 = 0。電路部分,Rsig = 2 kΩ, RL = 4 kΩ,CL = 20 pF。請計算中頻增益 AM 與上 3dB 頻率 fH。(25 分)
#570152
二、圖二為一個 pnp 雙載子接面電晶體(BJT)電路,電晶體 Q 的參數如下: β = 100,ro = ∞,VT = 25mV,如果電晶體 Q 導通,其 VEB = 0.7V。電路 中,RB = 100kΩ,RE = 5kΩ,RL = 2kΩ,CC 是一個耦合電容,其值為∞。 請計算輸入電阻 Rin、輸出電阻 Rout 與電壓增益 vo/vsig。(25 分)
#570151
相關試卷
115年 - 115 身心障礙特種考試_三等_電子工程:電子學#138969
115年 · #138969
115年 - 115 身心障礙特種考試_四等_電子工程:電子學概要#138929
115年 · #138929
115年 - 115-1 臺北市立大安高工教師甄選試題_電子/控制科:電子學#138452
115年 · #138452
115年 - 115 國營臺灣鐵路股份有限公司從業人員_甄試試題_第10階-助理技術員-電力、電務:電子學概要#138261
115年 · #138261
114年 - 114 地方政府公務特種考試_三等_電力工程、電子工程、電信工程:電子學#134800
114年 · #134800
114年 - 114 地方政府公務特種考試_四等_電力工程、電子工程、電信工程:電子學概要#134742
114年 · #134742
114年 - 114 專技高考_電子工程技師:電子學#133712
114年 · #133712
114年 - 114 公務升官等考試_薦任_電力工程、電子工程、電信工程:電子學#133247
114年 · #133247
114年 - 114 原住民族特種考試_四等_電子工程:電子學概要#130947
114年 · #130947
114年 - 114 專技高考_專利師(選試專業英文及電子學)、專利師(選試專業日文及電子學):電子學#130110
114年 · #130110