阿摩線上測驗
登入
首頁
>
電子學
>
104年 - 104 鐵路特種考試_高員三級_電力工程、電子工程:電子學#22393
> 申論題
題組內容
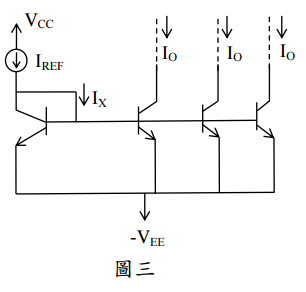
三、圖三電流鏡電路中所有電晶體特性均相同,均具有β = 80,忽略電晶體之輸出電阻, 已知 I
REF
= 10 mA,請求出:
(二)I
o
=?(10 分)
相關申論題
(一)VBS之正負號應為何?(4 分)
#23502
(二)加上 VBS會引起何種效應?(6 分)
#23503
(一)流入 Y 處之電流信號大小相對輸入信號電壓比值 iY/vI =?(10 分)
#23505
(二)Av = vO/vI =?(10 分)
#23506
(一)Ix =?(10 分)
#23507
(一)電晶體操作於何種工作區?(10 分)
#23509
(二)R =?(10 分)
#23510
(一)請繪出 vX(t)波形圖?(10 分)
#23511
(二)請求出輸出 vO(t)之振盪頻率為多少 Hz?(10 分)
#23512
6. 已知下圖疊接放大電路之MOSFET參數K₁=K₂=0.5mA/V²,靜態汲極電流ID為0.5mA,則電路之gm為?
#566892
相關試卷
115年 - 115-1 臺北市立大安高工教師甄選試題_電子/控制科:電子學#138452
115年 · #138452
115年 - 115 國營臺灣鐵路股份有限公司從業人員_甄試試題_第10階-助理技術員-電力、電務:電子學概要#138261
115年 · #138261
114年 - 114 地方政府公務特種考試_三等_電力工程、電子工程、電信工程:電子學#134800
114年 · #134800
114年 - 114 地方政府公務特種考試_四等_電力工程、電子工程、電信工程:電子學概要#134742
114年 · #134742
114年 - 114 專技高考_電子工程技師:電子學#133712
114年 · #133712
114年 - 114 公務升官等考試_薦任_電力工程、電子工程、電信工程:電子學#133247
114年 · #133247
114年 - 114 原住民族特種考試_四等_電子工程:電子學概要#130947
114年 · #130947
114年 - 114 專技高考_專利師(選試專業英文及電子學)、專利師(選試專業日文及電子學):電子學#130110
114年 · #130110
114年 - 114 普通考試_電力工程、電子工程、電信工程:電子學概要#128790
114年 · #128790
114年 - 114 高等考試_三級_電力工程、電子工程、電信工程:電子學#128768
114年 · #128768