題組內容
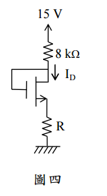
四、圖四中 NMOS 電晶體之 Vt = 1 V,μn•Cox = 15 μA/V2,W = 50 μm,L = 5 μm,忽略通
道調變效應(λ= 0),已知電路中 ID = 0.3 mA,試問:

(二)R =?(10 分)
詳解 (共 1 筆)
詳解
...