阿摩線上測驗
登入
首頁
>
機械設計
>
100年 - 100 交通事業公路、港務升資考試_員級晉高員級_技術類(選試機械設計):機械設計#33927
> 申論題
題組內容
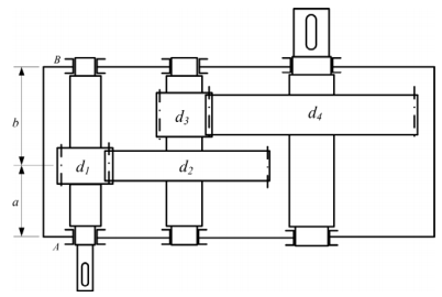
七、依據下圖正齒輪減速機構的配置,d
1
、d
2
、d
3
和d
4
是四個齒輪的節圓直徑。
⑵請問軸承A的徑向受力F
Ar
(N)與軸向受力F
Aa
(N),軸承B的徑向受力F
Br
(N)與軸向 受力FBa (N)各為何?(10 分)
相關申論題
二、請寫出動力轉軸加工製造流程。(5分)並請說明滾壓或是珠擊法用於動力轉軸表面 的目的為何?(5 分)
#85117
三、請說明撓性聯軸器的主要功能,以及主要使用那些材料來達成撓性的性質。(10 分)
#85118
四、請依據提供的參數,列出滾柱軸承壽命Lu推算公式,Lu為軸承破壞前所經歷的轉動 次數,滾柱軸承的靜負荷指數為Co和動負荷指數為C,軸承受徑向負荷為Fr和軸向 負荷為Fa,經公式推得等值靜負荷為Fo和等值動負荷為F。(10 分)
#85119
五、請以簡圖和文字說明一組減速比為 1:4 的皮帶輪機構的構成,並標示機構運轉中皮 帶會承受最大拉應力的地方。(10 分)並列出該處皮帶最大拉應力的組成。(10 分) (注意:所繪簡圖必須顯示出皮帶輪尺寸比例關係。)
#85120
⑴在不改變減速比和不影響強度的情況下,如果要縮小整體機構的尺寸,基本上會 採取那些策略?(10 分)
#85121
⑵請簡要說明齒輪機構壓力角和齒模數的定義以及兩者之關係。(5 分)
#85122
⑶對於漸開線齒形,小齒輪的最少齒數限制的原因。(5 分)
#85123
⑴輸入驅動動力為P (kW),轉速為n (rpm),已知齒輪壓力角為θ (°),請問齒輪d1會 承受多大的徑向力Fr (N)?(10 分)
#85124
四、一對具有 25° 壓力角 與模數 m = 2 mm 的全深齒的鋼質正齒輪組,大齒輪與小齒輪的齒數比 mG= Ng/Np = 5。已知與大齒輪嚙合時不會發生干涉時的小齒輪齒數的公式為根據上述公式及已知條件,求該對齒輪組不會發生嚙合干涉的最少小齒輪齒數Np及大齒輪齒數Ng,並求大齒輪及小齒輪的節圓直徑,以及兩齒輪的中心距。(25 分)
#569700
三、下圖的二鋼板利用螺栓來接合以承受水平拉力 F 的作用,已知該螺栓抵抗剪力失效的剪應力面積 As = 225.2 mm2,剪應力降伏強度 Sys = 350 MPa。考慮安全因數 n = 2 條件下,求該螺栓的容許剪應力τall,並求其抵抗剪力失效時可承受的最大拉力 F。若在相同的容許剪應力下,當拉力提升為50000 N,試求螺栓所需的最小直徑以避免剪力失效。(25 分)
#569699
相關試卷
115年 - 115 身心障礙特種考試_四等_機械工程:機械設計概要#138890
115年 · #138890
115年 - 115 身心障礙特種考試_三等_機械工程:機械設計#138882
115年 · #138882
114年 - 114 地方政府公務特種考試_三等_機械工程:機械設計#134728
114年 · #134728
114年 - 114 地方政府公務特種考試_四等_機械工程:機械設計概要#134719
114年 · #134719
114年 - 114 公務、關務升官等考試_薦任_機械工程、技術類(選試機械設計)-關務:機械設計#133265
114年 · #133265
114年 - 114 交通事業港務升資考試_員級晉高員級_技術類(選試機械設計)-港務:機械設計#133244
114年 · #133244
114年 - 114 高等考試_二級_機械工程:機械設計學#131583
114年 · #131583
114年 - 114 原住民族特種考試_四等_機械工程:機械設計概要#130917
114年 · #130917
114年 - 114 高等考試_三級_機械工程:機械設計#128741
114年 · #128741
114年 - 114 普通考試_機械工程:機械設計概要#128447
114年 · #128447