阿摩線上測驗
登入
首頁
>
電子學
>
96年 - 96 地方政府特種考試_三等_電力工程、電子工程、電信工程:電子學#49301
> 申論題
申論題
試卷:96年 - 96 地方政府特種考試_三等_電力工程、電子工程、電信工程:電子學#49301
科目:電子學
年份:96年
排序:0
申論題資訊
試卷:
96年 - 96 地方政府特種考試_三等_電力工程、電子工程、電信工程:電子學#49301
科目:
電子學
年份:
96年
排序:
0
題組內容
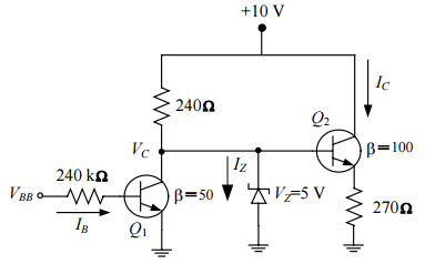
三、如下圖電路:(20 分)
申論題內容
⑴當 V
BB
= 0 V 時,試求 I
B
、I
C
、V
C
與 I
Z
。