阿摩線上測驗
登入
首頁
>
電子學
>
96年 - 96 地方政府特種考試_三等_電力工程、電子工程、電信工程:電子學#49301
> 申論題
申論題
試卷:96年 - 96 地方政府特種考試_三等_電力工程、電子工程、電信工程:電子學#49301
科目:電子學
年份:96年
排序:0
申論題資訊
試卷:
96年 - 96 地方政府特種考試_三等_電力工程、電子工程、電信工程:電子學#49301
科目:
電子學
年份:
96年
排序:
0
題組內容
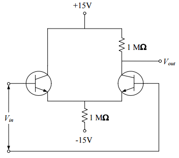
五、如下圖之差動放大器(Differential amplifier):(20 分)
申論題內容
⑵試求 V
in
= 1 mV 之共模增益(Common mode gain)與共模斥拒比(Common mode rejection ratio)。