阿摩線上測驗
登入
首頁
>
電子學
>
103年 - 103 普通考試_電力工程、電子工程、電信工程:電子學概要#43459
> 申論題
題組內容
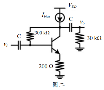
三、圖二所示電路中,BJT 電晶體之共射極順向短路電流增益 β
F
= 150,I
bias
= 0.6 mA, V
BE
約為 0.7 V,熱電壓 V
T
為 24 mV,耦合電容 C 接近無限大。
⑴試計算直流集極電流及集極電壓。(10 分)
相關申論題
一、試畫出一互補式金氧半場效電晶體(CMOS)之剖面圖(cross-section),請清楚標 示所使用之各項半導體物質與節點名稱,並解釋源極(Source)與汲極(Drain)之 間通道長度調變效應發生之原因。(20 分)
#139810
⑵畫出此放大器之小訊號等效電路圖。(10 分)
#139813
⑶求出放大器電壓增益 vo / vi =?(10 分)
#139814
⑴忽略寄生電容,試求放大器之電壓增益 vo / vi =?(10 分)
#139815
⑵使用米勒定理,計算此放大器之高頻 3 dB 頻率 fH。(10 分)
#139816
⑶使用開迴路時間常數法,計算此放大器之高頻 3 dB 頻率 fH。(10 分)
#139817
6. 已知下圖疊接放大電路之MOSFET參數K₁=K₂=0.5mA/V²,靜態汲極電流ID為0.5mA,則電路之gm為?
#566892
5. 如圖所示電路,Vi=3.77cos377tV,R=100kΩ,C=1μF,電容電壓初值為零,則輸出電壓Vo為?
#566891
4. 如圖所示電路,若運算放大器具理想特性且Vo=12V,試求電流源I1為?
#566890
3. 如圖所示主動式帶通濾波器,其高頻截止頻率為fH,低頻截止頻率為fL,若C₂=5C₁,R₂=4R₁,則fH/fL為?
#566889
相關試卷
115年 - 115-1 臺北市立大安高工教師甄選試題_電子/控制科:電子學#138452
115年 · #138452
115年 - 115 國營臺灣鐵路股份有限公司從業人員_甄試試題_第10階-助理技術員-電力、電務:電子學概要#138261
115年 · #138261
114年 - 114 地方政府公務特種考試_三等_電力工程、電子工程、電信工程:電子學#134800
114年 · #134800
114年 - 114 地方政府公務特種考試_四等_電力工程、電子工程、電信工程:電子學概要#134742
114年 · #134742
114年 - 114 專技高考_電子工程技師:電子學#133712
114年 · #133712
114年 - 114 公務升官等考試_薦任_電力工程、電子工程、電信工程:電子學#133247
114年 · #133247
114年 - 114 原住民族特種考試_四等_電子工程:電子學概要#130947
114年 · #130947
114年 - 114 專技高考_專利師(選試專業英文及電子學)、專利師(選試專業日文及電子學):電子學#130110
114年 · #130110
114年 - 114 普通考試_電力工程、電子工程、電信工程:電子學概要#128790
114年 · #128790
114年 - 114 高等考試_三級_電力工程、電子工程、電信工程:電子學#128768
114年 · #128768