阿摩線上測驗
登入
首頁
>
電子學
>
100年 - 100 鐵路特種考試_高員三級_電力工程、電子工程:電子學#45808
> 申論題
申論題
試卷:100年 - 100 鐵路特種考試_高員三級_電力工程、電子工程:電子學#45808
科目:電子學
年份:100年
排序:0
申論題資訊
試卷:
100年 - 100 鐵路特種考試_高員三級_電力工程、電子工程:電子學#45808
科目:
電子學
年份:
100年
排序:
0
題組內容
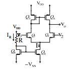
二、
申論題內容
⑵v
1
= -v
2
= 0.5vid,求小訊號電壓增益v
o
/v
id
。(14 分)
詳解 (共 1 筆)
詳解
提供者:牛奶
求解釋