阿摩線上測驗
登入
首頁
>
電子學
>
101年 - 101 專利商標審查特種考試_三等_電子工程:電子學#44612
> 申論題
題組內容
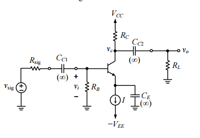
一、如圖為一共射(CE)放大器,電晶體之β = 100,爾利電壓(Early voltage)VA = 100 V; VCC = V
EE
= 10 V,R
B
= 100 kΩ,R
C
= 6 kΩ,R
sig
= 5 kΩ,R
L
= 5 kΩ;I = 1.01 mA。 B 取熱電壓VT = 25 mV。
⑶列出電壓增益A
v
≡ v
o
/v
i
及G
v
≡ v
o
/v
sig
的表示式。(6 分)
相關申論題
⑴試加以直流分析,取VBE(on) = 0.7 V,求IE、IB、IC、VB、VE、VC之值。(6 分)
#147572
⑵試求小訊號參數gm、rπ、re及ro之值。(8 分)
#147573
⑴求源極電壓VS的直流值。(4 分)
#147575
⑵求電壓增益Av ≡ vo/vi及Gv ≡ vo/vsig的值(視各C為短路)。(6 分)
#147576
⑶若RD值可調變,求可使電晶體維持操作於飽和區的RD最大值。(5 分)
#147577
⑷求CS至少應多大,使此放大器之低-3 dB頻率ωL = 100 rad/sec(不計CC1、CC2之效 應)。(5 分) VDD RD CC2 vd vo Rsig CC1 RL + + vsig - VS vi RG CS - I −VSS
#147578
⑴求vi之值,使Qn、Qp均工作於飽和區,此時之iD =?vo =?(8 分)
#147579
⑵當vi = 3 V時,求iD =?此時Qn、Qp分別工作於何種 + Qn 工作區?(6 分) vo
#147580
⑶當vi = 6 V時,求iD =?此時Qn、Qp分別工作於何種 vi - - 工作區?(6 分)
#147581
⑴ 由 B1 、 B2 看 的 輸 入 差 動 電 阻 ( Input Differential Resistance)Rid之值。(6 分)
#147582
相關試卷
115年 - 115-1 臺北市立大安高工教師甄選試題_電子/控制科:電子學#138452
115年 · #138452
115年 - 115 國營臺灣鐵路股份有限公司從業人員_甄試試題_第10階-助理技術員-電力、電務:電子學概要#138261
115年 · #138261
114年 - 114 地方政府公務特種考試_三等_電力工程、電子工程、電信工程:電子學#134800
114年 · #134800
114年 - 114 地方政府公務特種考試_四等_電力工程、電子工程、電信工程:電子學概要#134742
114年 · #134742
114年 - 114 專技高考_電子工程技師:電子學#133712
114年 · #133712
114年 - 114 公務升官等考試_薦任_電力工程、電子工程、電信工程:電子學#133247
114年 · #133247
114年 - 114 原住民族特種考試_四等_電子工程:電子學概要#130947
114年 · #130947
114年 - 114 專技高考_專利師(選試專業英文及電子學)、專利師(選試專業日文及電子學):電子學#130110
114年 · #130110
114年 - 114 普通考試_電力工程、電子工程、電信工程:電子學概要#128790
114年 · #128790
114年 - 114 高等考試_三級_電力工程、電子工程、電信工程:電子學#128768
114年 · #128768