阿摩線上測驗
登入
首頁
>
1.電路學及電子電路;2.電力系統及電機機械;3.控制系統
> 104年 - 中鋼104師級電機#23380
104年 - 中鋼104師級電機#23380
科目:
1.電路學及電子電路;2.電力系統及電機機械;3.控制系統 |
年份:
104年 |
選擇題數:
52 |
申論題數:
0
試卷資訊
所屬科目:
1.電路學及電子電路;2.電力系統及電機機械;3.控制系統
選擇題 (52)
1、 有關「戴維寧等效電路」(Thevenin equivalent circuit)之電路模型,下列何者為正確? (A) 一個電流源並聯一個電阻器 (B) 一個電壓源串聯一個電阻器 (C) 一個電流源串聯一個電阻器 (D) 一個電壓源並聯一個電阻器
2、 根據圖 1,i 值最接近以下何者?
(A) 0A (B) 1A (C) 2A (D) 3A
3、 根據圖 2,RL 的最大功率消耗最接近以下何者?
(A) 2W (B) 3W (C) 4W (D) 5W
4、 What is the imaginary part of an impedance in AC circuits? (A) reactance (B) resistance (C) conductance (D) susceptance
5、 若將家用單相、110 V、60 Hz 的插座電源,經過一個理想的橋式整流器做整流後,則 該橋式整流器輸出兩端的電壓平均值約為多少? (A) 49.5 V (B) 99 V (C) 77.78 V (D) 110 V
6、 根據圖 3,令臨界電壓 VT = 1V 與元件互導參數 k =100μA/V
2
,VO最接近以下何者?
(A) 0.1V (B) 0.5V (C) 1V (D) 1.5V
7、 若一個放大器的電壓增益(voltage gain)為 100 V/V、電流增益為(current gain)為 1000 A/A,則該放大器的功率增益(power gain)為下列何者? (A)80 dB (B) 70 dB (C) 60 dB (D) 50 dB
8、 根據圖 4,請利用諾頓(Norton)等效電路,計算其等效電阻最接近以下何者?
(A) 3Ω (B) 6Ω (C) 12Ω (D) 18Ω
9、 下列哪一種二極體專門應用在穩定電壓方面? (A) 稽納二極體(Zener diode) (B) 蕭特基二極體(Schottky barrier diode) (C) 發光二極體(light emitting diode) (D) 雷射二極體(laser diode)
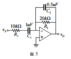
10、根據圖 5,若 vS = sin(200t),|vO/vS|最接近以下何者?
(A) 0.2 (B) 0.4 (C) 0.6 (D) 0.8
11、一個雙極性接面電晶體(BJT)做為放大器使用時,下列何者為正確的偏壓方式? (A) 集基接面為順偏、射基接面為順偏 (B) 集基接面為順偏、射基接面為反偏 (C) 集基接面為反偏、射基接面為順偏 (D) 集基接面為反偏、射基接面為反偏
12、有關「波德圖」(Bode plots)之繪製,下列何者為不正確之描述? (A) 波德圖之橫座標為頻率時,是採用對數刻度(logarithmic scale) (B) 波德圖之縱座標為振幅大小時,是以分貝(dB)為單位 (C) 波德圖之縱座標為相角時,是以度(degree)為單位 (D) 波德圖之橫座標為頻率時,是採用線性刻度(linear scale)
13、Consider a linear system
Which of the options below captures all the values of α and β for which the system is (asymptotically) stable? (A)α < 0 , β > 0 (B) α < 0 , β < 0 (C)β > 0 (D)α < 0
14、有關「特性方程式」(characteristic equation)之說明,下列何者為不正確之描述? (A) 特性方程式的根,即為特徵向量(eigenvector) (B) 令轉移函數的分母為零,即為特性方程式 (C) 經過非奇異轉換(nonsingular transformation)後,特性方程式不變 (D) 若狀態方程式是以相位變數典型式(phase-variable canonical form)來表示時, 特性方程式的係數恰為系統矩陣 A 最後一列的元素
15、下列何者不是控制系統單位步階輸入之時域暫態響應的規格(specification)? (A) 上升時間(rise time) (B) 穩態時間 (steady-state time) (C) 尖峰時間(peak time) (D) 最大超越量(maximum overshoot)
16、判定線性非時變離散系統之穩定度特性,下列何者為正確之描述? (A) 特性根大小皆小於 1 (B) 特性根大小皆等於 1 (C) 特性根大小皆大於 1 (D) 特性根大小皆不等於 1
17、在複數平面的左半平面加入一個極點(pole)於開迴路的轉移函數時,下列何者不是其 基本特性? (A) 有將根軌跡拉向右半平面的效果 (B) 易於降低系統相對穩定度 (C) 系統阻尼可以有效提升 (D) 會減慢響應速度
18、下列哪一種控制器型式可改善系統阻尼特性及穩定度,但該控制器的量過大時會使 系統變為過阻尼? (A) 比例控制器 (B) 積分控制器 (C) 微分控制器 (D) 超前-落後控制器
19、Nyquist criterion 可應用來設計鋼鐵製成的控制系統。關於 Nyquist criterion,下列敘述 何者有誤? (A) Nyquist criterion 跟 closed-loop system 的極點(poles)數目有關 (B) Nyquist criterion 跟 closed-loop system 的零點(zeros)數目有關 (C) Nyquist criterion 係利用 Nyquist plot 來判別系統的穩定性 (D) Nyquist criterion 是屬於 time-domain analysis
20、Our goal is to design a control system that can facilitate the iron melting process. Consider the positions of the poles of the closed-loop system resulting from a particular design. Which of the following should be generally avoided? (A) Two negative equal real poles (B) Two negative distinct real poles (C) Two distinct real poles, one negative and one positive (D) Complex-conjugate poles with negative real parts
21、若一個連續訊號的最高頻率為 f
max
(Hz),則欲將此連續訊號以抽樣(sample)的方式重新 建立起來,則下列何者為所需抽樣週期 T (s)之條件? (A) T > 1/(2 f
max
) (B) T ≤ 1/( f
max
) (C) T ≤ 1/(2 f
max
) (D) T > 1/(3 f
max
)
22、You need to design a PID control system for the steel rolling process. In that design, there are multiple objectives that must be achieved. Which of the following cannot be a possible objective? (A) To maximize the settling time (B) To minimize the steady-state error (C) To maximize the phase margin (D) To minimize the maximum overshoot
23、圖 6 為直流電動機定子與轉子示意圖,定子平均路徑長度為 50cm,截面積為 12cm
2
, 轉子的平均路徑長度為 5cm,截面積亦為 12cm
2
,位於轉子與定子間之氣隙長度皆為 0.05cm,其截面積(包含邊緣效應)為 14cm
2
。鐵心的導磁係數為 2,000,其上的線圈有 100 匝,若線圈流有 5 安培的電流,試求建立於氣隙的磁通密度為何?
(A) 0.48T (B) 1.08T (C) 1.56T (D) 2.35T
24、對於一個電力系統之元件標么阻抗值,下列何者說明為正確? (A) 標么阻抗值反比於基準電壓平方、正比於基準容量 (B) 標么阻抗值正比於基準電壓平方、反比於基準容量 (C) 標么阻抗值反比於基準電壓、正比於基準容量平方 (D) 標么阻抗值正比於基準電壓、反比於基準容量平方
25、一單相變壓器,輸入電壓為 230 伏特,無載電流為 2.1 安培,鐵損為 50 瓦, 其激磁電流為? (A) 1.594 安培 (B) 1.016 安培 (C) 2.089 安培 (D) 0.111 安培
26、等面積準則(equal area criteria)是用於分析電力系統中的哪一個基本特性? (A) 功率潮流 (B) 經濟調度 (C) 不對稱故障 (D) 穩定度
27、一部三相同步電機的運轉速度與下列何者有關? (A) 頻率及磁極數 (B) 槽數及相數 (C) 電刷數及路徑數 (D) 繞組匝數與整流片數
28、Which of the following analysis is used to determine magnitudes and phase angle of voltages at each bus and active and reactive power flow in each line? (A) power flow analysis (B) short circuit analysis (C) economic dispatch analysis (D) transient stability analysis
29、The daily load of a power system varies as shown in the following table. Please find the daily load factor.
(A) 45.23 (B) 67.59 (C) 53.24 (D) 78.24
30、A three-phase, 318.75kVA, 2300V alternator has an armature resistance of 0.35 Ω/ phase and a synchronous reactance of 1.2 Ω/ phase . Please determine the voltage regulation at full-load kVA, 0.5 power factor leading, and rated voltage. (A) 1.55% (B) 3.22% (C) 6.12% (D) -5.11%
複選題
31、According to the circuit shown in the following Figure 7, please choose the correct descriptions.
(A) vx = 10V (B) vO = 5V (C) iL = 1A (D) None of the above.
複選題
32、有關台灣一般家庭中的電氣插座與電源系統,下列何者為正確之描述? (A) 電氣插座可分為單相 110 V 以及單相 220 V 之 60 Hz 電源,可以分別使用 (B) 電氣插座的火線必須裝上開關或保險絲做保護,但地線不可裝上開關或保險絲 (C) 單相 110 V 的三孔式插座,其中有兩孔是火線、一孔是地線 (D) 家中屋外桿上變壓器,其一次側繞組是三相三線式,二次側繞組則是單相三線式
複選題
33、According to the circuit shown in the following Figure 8, please choose the correct descriptions.
(A) va = -1V (B) vb = -12V (C) vc = 0V (D) vo = 6V
複選題
34、有關電路儲能元件的電氣特性,下列何者為正確之描述? (A)電容器之電壓變動必須為連續,不可發生瞬間急劇地變動,但電容器之電流可以瞬 間發生變動 (B) 電感器之電流變動必須為連續,不可發生瞬間急劇地變動,但電感器之電壓可以瞬 間變動 (C) 在直流穩態下,電容器充滿電能為等效短路,電感器充滿電能為等效斷路 (D)在交流弦式穩態下,電容器為負值電容抗,電感器為正值電感抗,電容抗與電感抗 兩者皆為頻率的函數
複選題
35、According to the circuit shown in the following Figure 9, V
1
= z
11
I
1
+ z
12
I
2
, V
2
= z
21
I
1
+ z
22
I
2
, please choose the correct descriptions.
(A) z
11
= 20Ω (B) z
12
= 40Ω (C) z
21
= 40Ω (D) z
22
= 70Ω
複選題
36、有關一個理想運算放大器的基本特性,下列何者為正確之描述? (A) 輸入阻抗無限大、輸入電流為零 (B) 輸出阻抗為零 (C) 共模增益及差模增益均為無限大 (D) 開迴路增益與頻帶寬度均為無限大
複選題
37、According to the circuit shown in the following Figure 10, please choose the correct descriptions.
(A) D
1
on, D
2
on (B) I
1
= 1mA (C) D
3
off, D
4
on (D) I
2
= 4/3 mA
複選題
38、使用「固定電流源」(constant current source)來偏壓 MOSFET 放大器是最有效的偏壓 方式。有關採用雙顆 MOSFET 做為固定電流源的電路,下列何者為正確之描述? (A) 雙顆 MOSFET 之源極 S 與閘極 G 為共同連接,且操作在三極管區 (B) 主要 MOSFET 之源極 S 與閘極 G 為短路,並經由一顆電阻器連接至源極電源 (C) 雙顆 MOSFET 之通道寬長比(aspect ratio)與其通過汲極的電流成正比 (D) 此固定電流源電路又稱為「電流鏡」(current mirror),在積體電路 MOS 放大器 設計中十分常見
複選題
39、According to the circuit shown in the following Figure 11, calculate the frequency response of iO/iS and find the poles and zeros. Please choose the correct descriptions.
(A) 0.5 rad/s < pole < 1.5 rad/s (B) 1.5 rad/s < pole < 2.5 rad/s (C) 0.5 rad/s < zero < 1.5 rad/s (D) 1.5 rad/s < zero < 2.5 rad/s
複選題
40、已知一個系統方程式為:
,其中
,試問下列何者為正確之描述? (A) 該系統為可控制 (B) 該系統為不可觀察 (C) 該系統為可觀察 (D) 該系統為不可控制
複選題
41、若一個系統的單位步階響應(unit step response)為
,則下列 何者為該系統轉移函數(transfer function)特性之正確描述? (A) 有三個相異極點位在複數平面之左半平面實軸上 (B) 有兩個重根的極點位在複數平面之右半平面實軸上 (C) 有兩個共軛複數極點位在複數平面虛軸上 (D) 所有極點的留數(residue)均為小於 1 的正值。
複選題
42、一個二階控制系統在不同阻尼比(damping ratio)下的特性,下列何者為正確之描述? (A) 若阻尼比小於 1,則其特性根必為位在左半平面上的共軛複數根,系統為穩定 (B) 若阻尼比等於 1,則其特性根必為相同負實根,系統為穩定 (C) 若阻尼比等於 0,則其特性根必為共軛虛根,系統為穩定 (D) 若阻尼比小於 0,則其特性根必為正實部的根,系統為不穩定。
複選題
43、有關「轉移函數」(transfer function)的基本特性,下列何者為正確之描述? (A) 轉移函數只對線性非時變系統(linear time-invariant system)才有定義 (B) 系統輸入變數與輸出變數間的轉移函數,定義為步階響應(step response)之 拉氏轉換(Laplace transformation) (C) 系統的所有初始條件(initial conditions)均假設為零值 (D) 轉移函數與輸入無關
複選題
44、有關羅斯-赫維茲準則(Routh-Hurwitz criterion)之說明,下列何者為正確之描述? (A) 可決定線性非時變系統的絕對穩定度 (B) 可決定位於 s 平面右半面及虛軸的根之個數 (C) 可決定線性非時變系統的相對穩定度 (D) 其特性方程式的係數可以是複數或 s 的指數函數
複選題
45、若單一可變參數根軌跡(root loci)的問題可用下面的方程式來表示:
,下列何者為正確之 描述? (A) 將 F(s)兩側同時除以不含 K 之項的過程,稱為 K 規則(K rule) (B) K 之值是在-∞與+∞之間變化 (C) 根廓線(root contours)為超過一個以上參數在變化時的軌跡 (D) 根軌跡與互補根軌跡(complementary root loci)的結合稱為完全根軌跡(complete root loci),完全根軌跡對 s 平面的虛軸是對稱的
複選題
46、下列何者為一般固定結構設計(fixed configuration design)之連續時間控制系統中,不同 控制器(controller)之安排方式? (A) 控制器與受控程序並聯在一起,為「並聯或並接補償」(parallel or cascade compensation) (B) 控制器放在小的回授路徑上,為「回授補償」(feedback compensation) (C) 控制器與系統順向路徑並聯,為「前饋補償」(feedforward compensation) (D) 由狀態變數產生控制訊號後經控制器後做回授控制,為「狀態回授控制」(state feedback compensation)
複選題
47、下列何者為奈魁士準則(Nyquist criterion)特性之正確描述? (A) 提供系統絕對穩定性及穩定系統的穩定程度 (B) 提供系統時間響應的資料 (C) 可用來研究具有時間延遲的系統 (D) 可用來修改非線性系統
複選題
48、圖 12 所示為一交流電壓源供給一阻抗 Z = 20 ∠30° Ω 的負載,以下供給負載之電氣參數 何者正確?
(A) 電流 I = 6∠ 30° Ω (B) 實功率 P = 623.5W (C) 虛功率 Q = 360VAR (D) 視在功率 S = 720VA
複選題
49、 有關電力系統功率潮流的計算,下列何者為正確之描述? (A) 電力系統匯流排(bus)可分為搖擺匯流排(swing bus)、PQ 匯流排、PV 匯流排 (B) 一個匯流排功率潮流的電氣量計算,包含:電壓大小、電壓相角、實功、虛功 (C) 牛頓拉佛森法(Newton-Raphson method)中的賈可必矩陣(Jacobian matrix),其各 元素是由計算實功及虛功對電壓大小與電壓相角的偏微分量而得的 (D) 加速因子(acceleration factor)是用於快速解耦(fast decoupled)電力潮流計算法中
複選題
50、一台 10 馬力、三相、480 V、50 Hz、6 極、滿載轉差率為 4%之感應電動機,下列何者 為正確之描述? (A) 該感應電動機之同步轉速為 1200 rpm (B) 該感應電動機之滿載轉速為 960 rpm (C) 該感應電動機在額定負載下之轉子繞組頻率為 2 Hz (D) 該感應電動機之額定負載軸轉矩為 61.838 Nm
複選題
51、同步發電機欲並聯運轉必須符合以下並聯條件為何? (A) 兩發電機線電壓之均方根值必須相等 (B) 兩發電機必須有相同的相序 (C) 兩者的 a 相之相角必須相等 (D) 新併入電力系統之發電機,其頻率必須比正在運轉之電力系統頻率略低
複選題
52、高壓 69kV,三相短程輸電線 16 公里長,每相串聯阻抗為 0.125+ 0.4375 j Ω/ km ,試問 負載端電壓為 64kV,負載功率額定功率為 120MVA 且運轉於功率因數 1.0 時,下列何 者運轉電氣條件正確? (A) 送電端線電壓 V
S
= 63kV (B) 電壓調整率 VR = -7.8275% (C) 傳輸效率 η = 94.465% (D) 送電端功率輸出 S
S(3ψ)
= 127.031MW +24.609Mvar
申論題 (0)
相關試卷
111年 - 111 中國鋼鐵股份有限公司_新進人員甄試試題_師級-電機:1.電路學及電子電路 2.電力系統及電機機械 3.控制系統#111766
111年 · #111766
110年 - 110 中國鋼鐵股份有限公司_新進人員甄試_師級_電機:1.電路學及電子電路 2.電力系統及電機機械 3.控制系統#97711
110年 · #97711
108年 - 108 中國鋼鐵股份有限公司_新進人員甄試_師級_電機:1.電路學及電子電路 2.電力系統及電機機械 3.控制系統#76267
108年 · #76267
107年 - 107 中國鋼鐵股份有限公司新進人員甄試_師級_電機:1.電路學及電子電路 2.電力系統及電機機械 3.控制系統#97580
107年 · #97580
106年 - 106年中鋼新進人員師級-1.電路學及電子電路 2.電力系統及電機機械 3.控制系統#60061
106年 · #60061
104年 - 中國鋼鐵股份有限公司新進人員_師級_電機:1.電路學及電子電路 2.電力系統及電機機械 3.控制系統#97600
104年 · #97600
104年 - 中鋼104師級電機#23255
104年 · #23255