所屬科目:1.電路學及電子電路;2.電力系統及電機機械;3.控制系統
1.將一 BJT 接為共射極組態,若其基極工作點電流為 20 μA,熱電壓= 26 mV,且β =100,則 其交流輸入電阻約略為何? (A) 1.3 Ω (B) 13 Ω (C) 1.3 kΩ (D) 130 kΩ
6.某一電路的轉移函數為 ,則其增益頻寬乘積(gain-bandwidth product)為? (A) 2π MHz (B) 1 MHz (C) 400 kHz (D) 20/π kHz
11.一增強型 MOSFET 之臨界電壓 = 1 V,K = 0.5 mA/V2,gm = 1 mA/V,則應是多少? (A) 2V (B) 3V (C) 4V (D) 5V
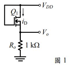
15.如圖 1,若= 2V,K = 1 mA/V2,VDD = 10 V 且,則 Vo 為何? (A) 2V (B) 3V (C) 4V (D) 8V
16.關於右列複變函數何者正確? (A) 有 3 個在無限遠的零點 (B) 構成一個非最小相位系統 (C) 有 3 個有限極點 (D) 低頻增益趨近於 10