所屬科目:A.基本電學、B.電工機械
2.如【圖 2】所示,長度 50 公分的導線置於 0.25 韋伯/平方公尺的均勻磁場中,若導線以每秒 5 公尺向左移 動,則導線之感應電勢與極性為何?(cos30º= 0.866、cos45º= 0.707、cos60º= 0.5)(A)感應電勢為 0.44 伏特、導線下方之極性為負 (B)感應電勢為 0.44 伏特、導線下方之極性為正 (C)感應電勢為 4.4 伏特、導線下方之極性為負 (D)感應電勢為 4.4 伏特、導線下方之極性為正
21.兩部 200kVA 的單相變壓器作 V-V 連接,其輸出容量約為:(註: =1.732) (A) 300 kVA (B) 325 kVA (C) 346 kVA (D) 400 kVA
44.如【圖 44】所示電路,若稽納二極體的崩潰電壓 VZ=6V,其電流限制在 5mA,則電阻 R 應該選用以下何 值?(A) 0.8 kΩ (B) 4 kΩ (C) 6 kΩ (D) 8 kΩ
45.如【圖 45】所示電路,若 Vs=4sinϖt V,VB=2V,二極體可視為理想元件,則輸出電壓 Vo之最低值為何? (A) 1 V (B) 2 V (C) 3 V (D) 4 V
46.如【圖 46】所示電路,若 Vs=4sint V,VB=2V,二極體可視為理想元件,則輸出電壓 Vo之最高值為何?(A) 1 V (B) 2 V (C) 3 V (D) 4 V
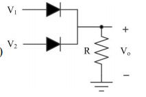
47.如【圖 47】所示電路,若 V1 及 V2 皆為輸入(0V 或 5V),則此電路之功能相當於何種邏輯電路? (A) OR (B) NOR (C) AND (D) NAND
50.如【圖 50】所示電路,若 VBE(on)=0.5V,β=99,則 IB約為何值? (A) 10 mA (B) 1 mA (C) 0.1 mA (D) 0.01 mA
55.如【圖 55】所示電路,若 VBE(on)=0.5V,β=100,VA=∞,IO=200μA,則 IO/IREF約 為何值? (A) 0.98 (B) 1.98 (C) 2.98 (D) 3.98
59.如【圖 59】所示之史密特觸發器(Schmitt trigger),其上臨界電壓 VTH約為何值? (A) 1 V (B) 2 V (C) 3 V (D) 4 V
60.如【圖 60】所示電路,應該屬於以下何種回授放大器(feedback amplifier)之架構?(A)串串(series-series) (B)串並(series-shunt) (C)並串(shunt-series) (D)並並(shunt-shunt)
66.如【圖 66】所示之 BJT 偏壓電路,假設 VBE = 0.7 V、β = 100、RB = 215 kΩ、RC = 4 kΩ,則 VCE為:(A) 0.7 V (B) 2 V (C) 5 V (D) 10 V
67.如【圖 67】所示之電流源偏壓電路,假設 β1 = 99、β2 = 98、IQ = 5 mA,則 IC2 為: (A) 5.1 mA (B) 5 mA (C) 4.9 mA (D) 4.8 mA
71.如【圖 71】所示之 NMOS 邏輯電路,請問以下何種輸入組合的輸出為高準位?(A) A = 0 V、B = 0 V (B) A = 0 V、B = 5 V (C) A = 5 V、B = 0 V (D) A = 5 V、B = 5 V