所屬科目:A.基本電學、B.電工機械
2.電容 C1 及 C2 串聯,串聯後總電容 為下列何者? (A) (B) (C) (D)
4.兩個電感 串聯,互感為 且為互助,串聯後的總電感 為何? (A) (B) (C) (D)
5.電阻 R1 與電感 L1 串聯電路,若電阻 R1 = Ω 0.2 、電路時間常數 ,則電感 L1 為何? (A) 10mH (B) 5mH (C) 4mH (D) 2mH
6.電阻 與電容 串聯電路,若電容 =100μF 、電路時間常數= 0.2 s(秒),則電阻為: (A) 20k Ω (B) 10k Ω (C) 5k Ω (D) 2k Ω
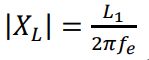
9.電源頻率 其單位為 Hz,電感 L1 其單位為 H,電感抗 其單位為 Ω ,則下列敘述何者正確? (A) (B) (C) (D)
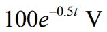
10.交流電壓的時間函數,此電壓的有效值為多少 V? (A) 400√3 (B) (C) 400√2 (D) 400
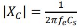
11.電源頻率 其單位為 Hz,電容 其單位為 F,電容抗 其單位為 Ω,下列何者正確? (A) (B) (C) (D)
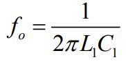
12.電阻、電感及電容三個元件並聯,電阻 R1 其單位為 Ω ,電感 L1 其單位為 H、電容 C1 其單位為 F,此 電路的諧振頻率其單位為 Hz,下列何者正確? (A) (B) (C) (D)
16.電阻組成電路如【圖 16】所示,此電路 a 、b 兩端的總電阻 為何?
(A) 18 Ω (B) 10 Ω (C) 8 Ω (D) 6 Ω
17.電容組成電路如【圖 17】所示,此電路 a 、b 兩端的總電容 為何?
18.直流電路如【圖 18】所示,若電流 = 60A ,則電流 I1 為何?
(A) 60A (B) 50A (C) 40A (D) 20A
21.交流負載端電壓時間函數 ,負載電流時間函數, 此負載的虛功率為何? (A) 5kVAR (B) 10kVAR (C) 15kVAR (D) 20kVAR
22.電阻及電容暫態電路如【圖 22】所示,在 a、b 兩端短路前,電容無儲存能量,當時間 t 為零, a 、 b 兩端短路,則電壓 時間函數為何?
(A) (B) (C) (D)
23.交流電路如【圖 23】所示,此電路 a 、b 兩端的總阻抗 為何?
(A) 50√2 45°∠ Ω (B) 100 ∠45° Ω (C) 100√2∠45°Ω (D) 50∠-45°Ω
24.交流電路如【圖 24】所示,若電源電壓 = 100∠ 0 V°(有效值),則電阻 3Ω 消耗功率為何?
25.在三相平衡系統中,負載為 △ 接,如【圖 25】所示,負載阻抗 = 5+j5Ω ,線電壓為 400V(有 效值),此三相負載總消耗功率為何?
(A) 48 √3 kW (B) 48 kW (C) 96√ 3 kW (D) 96 kW
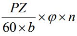
34.發電機原理的數學表示式之一為 ,有關該式,下列敘述何者錯誤? (A)磁極數為 P,總導體數為 Z (B)每磁極的磁通量為 φ (C)電樞繞組之並聯路徑數為 b (D)該式表示直流發電機的反電勢
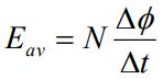
45.變壓器的感應電勢平均值 ,下列敘述何者正確? (A)該式表達及應用於無磁滯、線圈無電阻及無漏磁的理想變壓器 (B) N 為交流電的頻率,單位是赫茲(Hz) (C)磁通變化量為 △t (D)正弦波電壓平均值是有效值的 1.3 倍