所屬科目:A.基本電學、B.電工機械
1.小明想要設計一 LED 電路,如【圖 1】所示。若 LED 的順向壓降為 1.7V,且小明想要讓 LED 的電流控制在10mA,則限流電阻 R 應為多少? (A) 220Ω (B) 330Ω (C) 440Ω (D) 1kΩ
6.有一線圈測得其電感量為 2H,今有一電流如【圖 6】所示通過此線圈,請問在 t=1sec 時,此線圈的感應電勢 大小為何? (A) 20V (B) 10V (C) 5V (D) 0V
9.某平衡三相 Y 接電源,相序為 A-B-C,若 B 相電壓為 =100∠30° ,請問線電壓 = ?
(A) (B) (C) (D)
10.如【圖 10】所示電路,試求 RAB=? (A) 10Ω (B) 15Ω (C) 20Ω (D) 25Ω
11.如【圖 11】所示電路,請問此電路的功率因數為何?
(A) 0.8 滯後 (B) 0.6 滯後 (C) 0.8 超前 (D) 0.6 超前
13.如【圖 13】所示電路,請問 VAB=? (A) 24V (B) 33V (C) 40V (D) 54V
15.如【圖 15】所示電路,請問 R=? (A) 2Ω (B) 3Ω (C) 4Ω (D) 5Ω
17.如【圖 17】所示電路,下列敘述何者正確? (A)週期為 3 秒 (B)有效值為 (C)平均值為 3V (D)頻率為 3Hz
18.如【圖 18】所示電路,假設電感器無任何儲能,則下列敘述何者正確? (A)開關 S 閉合瞬間,電感器視為開路 (B)開關 S 閉合瞬間,電感器視為短路 (C)時間常數 τ = 50mS (D)經過 1S 之後,線路電流 I=5A
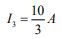
20.如【圖 20】所示電路,當此電路發生諧振時,請問下列敘述何者正確?
(A)諧振頻率 fo = 318Hz (B)品質因數 Q = 20 (C)諧振時,電感電壓 VLO = 2000V (D)頻寬 BW =15.9Hz
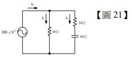
21.如【圖 21】所示電路,下列敘述何者正確?
(A) I1 = 20A (B) I2 =10A (C) I T = 30A (D) PT = 6kW
22.如【圖 22】所示電路,下列敘述何者正確? (A) (B) I2 = 0A (C) (D)
23.如【圖 23】所示為一多範圍電壓表,請問下列何者正確?
(A) R1=5kΩ (B) R2=20kΩ (C) R3=100kΩ (D) R1=10kΩ
36.如【圖 36】中之變壓器的極性已知,且匝數比 N1:N2 =2:1,當 V1=110 V 時,交流電壓表 V2與 V3的讀 值分別為多少? (A) 55V,165V (B) 110V,-110V (C) 110V,55V (D) 55V,55V
45.某三相、4 極、48 槽之交流電機,其線圈節距為79 ,且採用分布繞組,下列何者正確? (A)分布因數 (B)節距因數 Kp=cos20° (C)節距因數 Kp=sin40°(D)分布因數 Kd=