所屬科目:A.基本電學、B.電工機械
1.在一均勻電場中,將 1 單位的正電荷由 B 點移到 A 點需作功 8✕10-19 焦耳,請問 A、B 兩點的電位差為何? (A) 6V (B) 5V (C) 4V (D) 3V
4.如【圖 4】所示電路,假設電容器已無任何儲能,當開關 S 閉合瞬間,請問線路電流大小為何? (A) 0A (B) 1mA (C) 5mA (D) 10mA
5.如【圖 5】所示電路,開關 S 在 2 的位置已經一段時間,電感器已經無任何儲能,請問當開關 S 切換到 1 的瞬間時,I=? (A) 5A (B) 1A (C) 0.25A (D) 0A
6.若複數,則 =? (A) (B) 5∠45° (C) 1+j7 (D) -1-j7
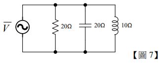
7.如【圖 7】所示電路,請求電路總阻抗 =? (A)10+ j10Ω(B)10-j10Ω (C)10∠45°Ω (D)10∠-45°Ω
8.如【圖 8】所示電路,請求=? (A)6∠45° (B) (C)6-j6Ω (D)6Ω
9.某平衡三相 Y 接電源,相序為正相序,若 A 相電壓,則=? (A) (B) (C) (D)
10.如【圖 10】所示電路,開關 S 未閉合時 I 為 X,開關 S 閉合後 I 為 Y,請問 =? (A) (B)2 (C) (D)
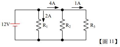
11.如【圖 11】所示電路,R1、R2、R3所消耗之功率比值 P1、P2、P3為何? (A) 2:3:1 (B) 2:4:1 (C) 4:3:2 (D) 1:2:3
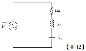
12.如【圖 12】所示電路,若此電路功率因數(Power Factor)為 0.8 滯後,請問 XC=? (A) 19Ω (B) 10Ω (C) 5Ω (D) 1Ω
13.有一交流電路如【圖 13】所示,其、i(t)=10sin(377t+30°)A,請問此電路的平均功率應為多少? (A) 1414W (B) 1000W (C) 866W (D) 500W
14.有一交流 RLC 並聯電路,其電壓源,已知電路 R=10Ω、C=20μF,若想要電源電流獲得最 小值,請問電感值 L 應為多少亨利? (A) 0.1H (B) 0.2H (C) 0.4H (D) 1H
15.如【圖 15】所示電路,請問 I=? (A) 4A (B) 3A (C) 2A (D) 1A
二、複選題 16.如【圖 16】所示電路,下列何者正確? (A) I=4A (B) V1=30V (C) V2=30 V (D) V3=20V
18.某甲利用戴維寧定理將一複雜電路簡化如【圖 18】所示,若欲使 RL獲得最大功率,則下列敘述何者正確? (A)當 RL=5Ω 時,RL可獲得最大功率 (B)當 RL=500Ω 時,RL可獲得最大功率 (C)最大功率為 5W (D)最大功率為 20W
20.在三相平衡正相序 Y 接電源中,下列敘述何者正確? (A)三相電壓的瞬時值總和為 1 (B)線電壓與相電壓之相位差120o (C)每相之相電壓相位各差 120o (D)線電壓大小為相電壓之倍
22.如【圖 22】所示電路,下列何者正確? (A) I=5A (B) =3-j4 A (C)P=460W (D)P.F.=0.6
23.如【圖 23】所示電路,下列何者正確? (A) I1=0A (B) I2=3A (C) I3= -1.5A (D) I4= -0.5A