所屬科目:A.基本電學、B.電工機械
2.如【圖 2】,電路中 R=30 Ω,XL=140 Ω,XC=100 Ω,求電路之總阻抗為何? (A) 50 Ω (B) 270 Ω (C) 30 Ω (D) 70 Ω
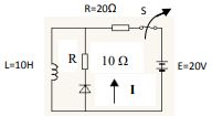
3.如【圖 3】,開關 S 閉合了二小時後,突然打開 S,此時電流 I 之值為何? (A) 0.5 A (B) 0 A (C) 2 A (D) 1 A
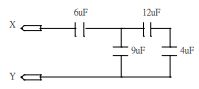
6.如【圖 6】所示,求 X、Y 兩點間的總電容量為: (A) 4 uF (B) 6 uF (C) 8 uF (D) 2 uF
12.如【圖 12】所示電路,求 a 點之電壓為何? (A) 30 V (B) 12 V (C) 18 V (D) 24 V
14.如【圖 14】電路中,應調整 RL為下列何值時,始可獲得最大功率輸出? (A) 8 Ω (B) 9 Ω (C) 4 Ω (D) 6 Ω
15.電路如【圖 15】所示,其中 E = 185 V,R = 150 kΩ,C = 20 μF, 當 t = 0 時,將 S 閉合,則該電路之時間常數為? (A) 3 秒 (B) 5 秒 (C) 7.5 秒 (D) 18.5 秒
16.如【圖 16】,X 至 Y 的電阻 RXY=? (A) 0.5 Ω (B) 1 Ω (C) 2 Ω (D) 4 Ω
18.如【圖 18】所示,導體 X 通以圖示方向之電流,則其受力方向為何? (A)上 (B)下 (C)左 (D)右
28.如【圖 28】之 R-L 串聯電路,求電感器兩端之電壓 VL 為何? (A) 80 V (B) 60 V (C) 45 V (D) 80 V
30.如【圖 30】所示電路,求流經 2 Ω 電阻的電流 I 為多少? (A) 2 A (B) 8 A (C) 4A (D) 1 A
31.如【圖 31】所示電路中,E = 200 伏特,R = 100 歐姆、L = 20mH,若開關在 t = 0 時閉合,則經 4×10 -4 秒時, 電流 i(t)等於: (A) 2(1-e -2 )A (B) 2 (e -2 )A (C) (1-e -1 )A (D) e -1 A
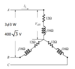
34.如【圖 34】三相負載電路,供給 電源,則電流 IL 為多少安培?
(A)(B) (C) (D)
36.如【圖 36】所示,試求電容 6 μF 兩端之電壓 V1及電容 9 μF 兩端之電壓 V2各為多少伏特? (A) 400 V,200 V (B) 360 V,240 V (C) 280 V,320 V (D) 380 V,220 V
37.如【圖 37】,用諾頓定理將(a)化作(b),則 IN、RN為: (A) 2 A,1 Ω (B) 4 A,2 Ω (C) 1 A,1 Ω (D) 2 A,2 Ω
39.如【圖 39】電路中,I 之值為何? (A) 3A (B) 4A (C) 5A (D) 6A
54.若變壓器一次側對二次側之匝數比為α ,則將一次側阻抗換算至二次側時必須乘以下列何者? (A) α2 (B)α (C) (D)