所屬科目:A.基本電學、B.電工機械
1.交流電壓 v(t)= v1(t)+ v2(t),若 v1(t)= 10sin(377t +30°)V,v2(t)= 10sin(377t–30°)V,則 v(t)為何? (A)v(t)=2.25sin(377t)V (B) v(t)=14.4sin(377t)V (C) v(t)=24.49sin(377t)V (D) v(t)=17.3sin(377t)V
2.如【圖 2】所示,其電壓平均值 Vav 近似為: (A)3.5 伏特 (B) 1.5 伏特 (C) -1.5 伏特 (D) 0 伏特
4.如【圖 4】所示電路,若所有電阻皆為 4Ω,則電流 I 為: (A) 1A (B) 4A (C) 2A (D) 2.5A
5.如【圖 5】所示之電路,已知圖中電流 I=5A,試求出電壓源 Vs 為何? (A) 0V (B) 75V (C) 50V (D) 100V
7.如【圖 7】所示,當磁場強度 H 為 100 安匝/米時,導磁係數為若干韋伯/(安匝-米)? (A) 0.6 (B)0.008 (C) 60 (D) 0.167
14.如【圖 14】所示,開關 S 切入後,短路電流為正常電流的幾倍?(A) 10 (B) 8 (C) 6 (D) 5
18.如【圖 18】所示之電路,則 a、b 二點間之電位差為何? (A) 1V (B) 4V (C) 5V (D) 9V
19.如【圖 19】所示為多範圍的電壓表,請問 R1、R2 分別為多少? (A) 19.9kΩ、30kΩ (B) 30kΩ、19.9kΩ (C) 40kΩ、9.9kΩ (D) 9.9kΩ、40kΩ
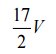
20.如【圖 20】所示電路,試求 R 之最大消耗功率為多少瓦特? (A) 8W (B) 12W (C) 16W (D) 20W
22.如【圖 22】所示電路,試求 Rab=? (A) 5Ω (B) 10Ω (C) 12Ω (D) 20Ω
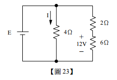
23.如【圖 23】所示電路,求 I=? (A) 5A (B) 4A (C) 3A (D) 2A
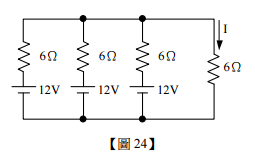
24.如【圖 24】所示電路,求 I=? (A) 1A (B) 1.5A (C) 2A (D) 2.5A
25.如【圖 25】所示電路,請問開關閉合後,經過幾秒後此電路才可達穩態? (A) 10 秒 (B) 5 秒 (C) 3 秒 (D) 1 秒
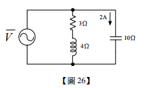
26.如【圖 26】所示電路,請問電阻器 3Ω 的壓降為多少伏特? (A) 6V (B) 8V (C) 12V (D) 20V
28.下列敘述何者錯誤? (A) 1 馬力(horse power)約等於 746 瓦特 (B) 1 度電約等於 瓦特 (C)電容量的單位為法拉 (D) 1 焦耳/秒等於 1 瓦特
32.如【圖 32】所示電路,請問 12Ω 之電壓降為何? (A) 24V (B) 36V (C) 48V (D) 60V
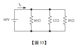
33.如【圖 33】所示電路,求 IT=? (A) 3A (B) 5A (C) 8A (D) 10A
34.如【圖 34】所示電路,求 V=? (A) 20V (B) 32V (C) 40V (D) 48V
37.如【圖 37】所示電路,試問電壓有效值 Vrms=? (A) (B) (C) (D) 13V
38.電壓方程式 ,請問相位關係為何? (A) v1 超前 v2 15o (B) v2 超前 v1 75o (C) v1 落後 v2 30o (D)無法比較
39. ,請問 + = ? (A) 9 - j4 (B) 9 + j4 (C) 11- j2 (D) 11+ j10
42.如【圖 42】所示,有一螺旋管的線圈匝數為 100 匝,磁通量在 5 秒內由 0.3 韋伯減至 0.1 韋伯,其兩端的感應電勢 VAB為何? (A) +4 V (B) +2 V (C) -4 V (D) -2 V
43.有一台單相 6 極,60Hz 之感應電動機,若轉子轉速為 1100rpm,則轉子轉速對於反向旋轉磁場之轉差率為何? (A) (B) (C) (D)
44.己知匝數比為 1.5:1 的自耦變壓器,若二次側輸出功率為 15kVA,則間接傳導容量為何? (A) 5kVA (B) 5 kVA (C) 10 kVA (D) 10 kVA
47.三相負載自電源取用有效功率 200kW,功率因數為滯後,欲將功因提高至 1,則同步調相機的容量為何? (A) 83.3 kVAR (B) 240 kVAR (C) 360 kVAR (D) 480 kVAR
49.如【圖 49】所示,測量直流發電機的無載特性曲線,當場電流上升時與下降時,所測得之特性曲線不會重疊的原因是: (A)有剩磁 (B)磁通飽和 (C)磁滯現象 (D)過激磁
54.三個單相變壓器匝數比為 N1:N2=5:1,以△-Y連接,已知二次側線電流為 20A,則一次側線電流為何? (A) 4 A (B) 5 A (C) 4A (D) 5A
68.某電感器的繞組匝數為 200 匝,耦合至繞組的磁通函數為 韋伯,t 表示時間單位為秒,此繞組兩端 感應電動勢的有效值為: (A) 200 V (B) 100 V (C) 50 V (D) 50 V
69.單相變壓器的額定為 10 kVA, ,則此變壓器高壓側的額定電流約為: (A) 182 A (B) 136.5 A (C) 91 A (D) 45.5 A
70.在磁路中,鐵心的截面積為 100 cm2,流經鐵心的磁通量為 3 5 10- 韋伯(Wb),則此磁通密度為多少高斯? (A) (B) (C)(D)
71.某電感器的電感為 2 mH,繞組匝數為 100 匝,當電感電流為 20 A 時,則產生磁通量為多少韋伯(Wb)? (A) (B) (C)(D)
74.單相變壓器的額定為 100 kVA, ,當低壓側的電壓為 200 V,假設變壓器為理想特性,則高壓側的電壓 為: (A) 3000 V (B) 3100 V (C) 3200 V (D) 3300 V