所屬科目:A.基本電學、B.電工機械
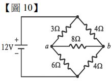
10.如【圖 10】所示電路,求 a、b 兩端的電壓為多少? (A) 1/3 V (B) 1 V (C) 4/3 V (D) 3 V
11.如【圖 11】所示電路,求電流 I 為多少? (A) 1 A (B) 3 A (C) 5 A (D) -5 A
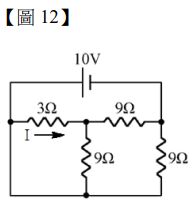
12.如【圖 12】所示,I=? (A) 1 A (B) 2/3 A (C) 4/3 A (D) 2 A
17.如【圖 17】所示,若將 bd 連接,測得 ac 兩端電感量為 16 H;若將 bc 連接,測得 ad 兩端電感量為 8 H,求兩 線圈之耦合係數為多少? (A) 0.5 (B) 0.75 (C) 0.8 (D) 1
18.如【圖 18】所示,磁鐵向右移開線圈瞬間,線圈 A、B 端之感應電勢關係為何? (A) VA>VB (B) VA<VB (C) VA = VB (D) 先 VA>VB 後 VA=VB 再 VA<VB
19.如【圖 19】所示,磁通密度為 10Wb/m2,導線長 50 公分,以每秒 10 米之速度朝上方運動(如 v 之箭頭方向), 則導線之感應電勢為何?(註:=1.732 ;=1.414 ) (A) 43.3 V (B) 70.7 V (C) 86.6 V (D) 100 V
20.如【圖 20】所示,電荷 Q 進入磁場後之運動方向為何? (A)向下偏移 (B)向紙平面上方偏移(朝向觀測者) (C)向紙平面背後偏移(遠離觀測者) (D)向上偏移
24.如【圖 24】所示電路,下列敘述何者正確? (A)電容充電瞬間 Vc 值為 120 V (B)充電瞬間流入電容之電流為 1 A (C)充電完成後,電容兩端電壓為 120 V (D)充電時間常數為 0.5 ms
25.如【圖 25】所示,此電路名稱為: (A)微分電路 (B)積分電路 (C)箝位電路 (D)低通電路
26.如【圖 26】所示,Zab =? (A) 5∠-37°Ω (B) 5∠-53°Ω (C) 7 Ω (D) 1 Ω
27.正旋波電壓方程式為 e(t)=100sin(1000t + 60°)V,請問頻率為多少赫茲(Hz)? (A) 1000 (B) 500 (C) 377 (D) 159
29.如【圖 29】所示,並聯化串聯等效電路,求 R′及 X′分別為多少 Ω? (A) 3.6、2.4 (B) 4、2 (C) 10、5 (D) 25、12.5
30.如【圖 30】所示,以交流電壓表測得:VR為 80 V,VL為 100 V,VC為 40 V,則電路之 P.F.=? (A) 0.8 (B) 0.6 (C) 0.75 (D) 0.866
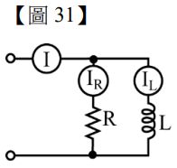
31.如【圖 31】電路中,若 IR及 IL交流安培計之指數均為 5 安培(假設 L 為理想線圈),則交流安培計 I 之指數為 多少安培? (A) 0 (B) 5 (C) 7.07 (D) 10
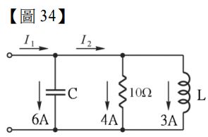
34.如【圖 34】所示之並聯電路(假設 L、C 均為理想元件),下列何者錯誤? (A) I1=5 A (B) I2=5 A (C)總視在功率為 200 VA (D)總功率因數為 0.6
37.如【圖 37】所示,電路諧振時,則 XC值為: (A) 4 Ω (B) 5 Ω (C) 6.25 Ω (D) 10 Ω
38.如【圖 38】所示,V=100 V,R=10 Ω,L=1 H,C=1 μF,諧振時 I=? (A) 0 A (B) 7.07 A (C) 10 A (D)無限大
40.有關三相發電機△連接,下列敘述何者正確? (A)線電壓=相電壓 (B)系統輸出之總視在功率=(線電壓×線電流)×3 (VA) (C)線電流=相電流 (D)線電流=相電流
43.某直流串激電動機在磁路未飽和下,若電樞電流由 60 A 降為 45 A,則其轉矩變為原來的多少倍? (A) (B)(C) (D)