所屬科目:A.電工原理、B.電子概論
5.如【圖5】所示,圖(b)為圖(a)的等效電路,則其與分別為多少? (A) (B) (C) (D)
7.下列電路符號何者為熱敏電阻? (A) (B) (C) (D)
15.如【圖15】所示電路,求電阻R L 可獲得最大功率時的電阻值為多少? (A) 1 Ω (B) 1.5 Ω (C) 2 Ω (D) 10 Ω
16.如【圖16】所示,求a、b兩點之諾頓等效電阻及諾頓等效電流各為多少? (A) (B) (C) (D)
19.如【圖19】所示,L1 =5 H,L2 =4 H,M =2 H,則為多少? (A) 5亨利 (B) 7亨利 (C) 11亨利 (D) 13亨利
24.如【圖24】所示,若LED順向電壓為2 V,內阻為100 Ω,則流過LED的電流為多少? (A) 15 mA (B) 20 mA (C) 25 mA (D) 40 mA
25.如【圖25】所示,欲使稽納(Zener)二極體正常工作,其R L 最小值為: (A) 0 Ω (B) 10 Ω (C) 30 Ω (D) 50 Ω
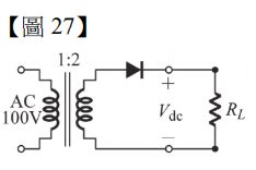
27.如【圖27】之電路,二極體為理想,則輸出平均值電壓為多少? (A) = 31.8V (B) = 63.6V (C) = 141.4V (D) = 90V
29.如【圖29】所示為倍壓器電路,若D1 、D2 為理想二極體,則輸出電壓Vo 為多少? (A) 141 V (B) -141 V (C) 200 V (D) -200 V
30.如【圖30】所示電路中,若Vi =10sinωt(伏特),二極體為理想的,則下列敘述何者正確? (A)當ωt = π / 2 時;Vo =15V (B)當ωt= -π / 2 時;Vo = -5V (C)當ωt = π / 6 時;Vo = 0V (D)當ωt= π - π / 6 時;Vo = 0V
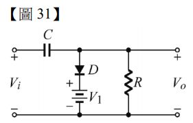
31.如【圖31】所示電路, 為+5V~-5V的方波,則Vo 為何? (A) +5V ~ -5V的方波 (B) +2V ~ -8V的方波 (C) +12V ~ +2V的方波 (D) 0V ~ -10V的方波
33.如【圖33】為電晶體偏壓電路,其中為可調電阻,在實驗一中,若固定,則欲使電晶體進入飽和區工作, 則應變大或變小?在實驗二中,若電晶體為順向主動區動作且固定 ,欲得到較大I C 電流,則應變大或變小? (A)實驗一的變大,實驗二的R B 變小 (B)實驗一的變大,實驗二的變大 (C)實驗一的變小,實驗二的變大 (D)實驗一的變小,實驗二的變小
34.如【圖34】之電晶體β=200,順偏時=0.7V,求集極對地的電壓≒? (A) 3.2 V (B) 5 V (C) 8.2 V (D) 10.7 V
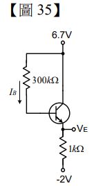
35.如【圖35】所示之電路,若β=100,則約為多少? (A) = 20μA, = 0V (B) = 20μA, = 2V (C) = 10μA, = −1V (D) = 10μA, = 1V
36.如【圖36】所示電路,電晶體α=0.995且=0.7 V,求其直流偏壓電壓為多少? (A) 26V (B) 14V (C) 6.8V (D) 0.7V
37.已知電晶體輸出直流 = 0.99mA,α= 0.99 及 = 25mV,求電晶體交流等效電阻為多少? (A) 50 Ω(B) 25 Ω(C) 30 Ω(D) 15 Ω
38.如【圖38】所示,若電晶體 = 2kΩ,β= 100,則約為多少? (A) 50 (B) 1 (C) 0.9 (D) 0.5
41.交流電路中電容器之電抗用表示,其電抗值之敘述,下列何者錯誤? (A)與電容值成反比 (B)與頻率值成反比 (C)與電壓值成正比 (D)與電流值無關
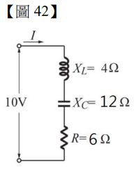
42. R-L-C串聯電路,如【圖42】所示電路之總阻抗為多少? (A) 6 Ω (B) 10 Ω (C) 14 Ω (D) 22 Ω
43.如【圖43】所示電路,若以一理想交流伏特表測得 = 80 V, = 20 V, = 80 V,則電源 為多少? (A) 20 V (B) 80 V (C) 100 V (D) 200 V
45.如【圖45】所示,電路之消耗功率為多少? (A) 900 W (B) 1000 W (C) 1200 W (D)
50.如【圖50】所示電路,若L1 = 6 H,L2 = 10 H,兩線圈的互感M =2 H,求並聯總電感為多少? (A) 2.3 H (B) 2.8 H (C) 12 H (D) 20 H
51.有一60 Hz交流正弦波,啟始值為0°在經過 秒瞬間,此時的電工角為多少? (A) 30° (B) 45° (C) 60° (D) 90°
55.有一JFET動作於夾止區,若夾止電壓Vp = −4V,,求 = −2V時的值為多少? (A) 2 mA (B) 4 mA (C) 8 mA (D) 10 mA
56.有關場效電晶體的敘述,下列何者錯誤? (A)場效電晶體的輸入阻抗大於雙接面電晶體 (B)場效電晶體的主要型式有JFET,空乏型MOSFET,增強型MOSFET (C)場效電晶體以控制通道之寬度而達到控制大小之目的 (D)在JFET中,若順向偏壓可使JFET夾止動作
57.空乏型N通道MOSFET中,下列哪一項可使元件不導通? (A) > 0 (B) = 0 (C) >> 0 (D) << 0
58.欲使增強式N通道MOSFET工作於飽和區,其偏壓條件為何? (A) >, > − (B) > , < − (C) < , > − (D) <,< −
59.如【圖59】所示電路,工作點設置於,則與分別為多少? (A)(B) (C)(D)
60.如【圖60】所示電路為N通道空乏型MOSFET的偏壓電路,設,MOSFET 的,則直流偏壓值與為何? (A) (B) (C) (D)
61.如【圖61】所示電路,忽略,若 = 4mA/V,Rs = 1kΩ ,則Av=Vo/Vi為多少? (A) 0.5 (B) 0.8 (C) 0.9 (D) 1
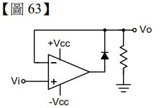
63.如【圖63】所示,若Vi=10sinωt伏特,且OPA之正、負飽和輸出電壓為±10V,則輸出電壓Vo範圍為何? (A) 0V (B) −10V~+10V (C) 0~+10V (D) −10V~0V
64.如【圖64】所示電路,Vi為一對稱三角波,則Vo的波形為何? (A)方波 (B)三角波 (C)脈波 (D)正弦波