所屬科目:A.電工原理、B.電子概論
2. 視在功率s̅= 100∠45° VA,則有效功率P為多少瓦特? (A)0 W (B)100 W (C)W (D)W
9. 一20mH電感器,兩端的電壓為,則流過此電感器之電流的有效值為何? (A) 5 A (B) 10 A (C)A (D)A
16. 將10Ω的電阻器兩端接至之交流電源,則該電路的電流=? (A) 10∠0°A (B) 20∠0°A (C)A (D)A
17. RLC交流串聯電路中,已知? = 8Ω,= 2Ω,= 8Ω,求此電路總阻抗大小為? (A) 6 Ω (B) 8 Ω (C) 10 Ω (D) 18 Ω
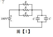
18. 如圖【1】所示電路,R=6kΩ,C=1μF,則時間常數為多少? (A) 1m sec (B) 4m sec (C) 9m sec (D) 36m sec
23. 加直流220V之電壓於一線圈,測得電流為27.5A,若改為交流220V之電壓,則得電流為22A,則此線圈之R和分別為多少? (A) R=8Ω,=10Ω (B) R=8Ω,=2Ω (C) R=8Ω,=6Ω (D) R=6Ω,=8Ω
25. 如圖【2】所示電路,迴路電流為何? (A) 1 A (B) 2 A (C) –1 A (D) –2 A
27. 如圖【3】所示,若Zener二極體崩潰電壓為10V,且12V≦≦15V,500Ω≦≦1000Ω, 則Zener二極體所消耗之最大功率為多少? (A) 0.5W (B) 0.4W (C) 0.3W (D) 0.2W
32. 有一鍺質二極體在28℃時,電流為1.3mA,若=26mV則其動態電阻rd為多少? (A) 1.3Ω (B) 13Ω (C) 20Ω (D) 26Ω
33. 如圖【4】為LED的驅動電路,使LED發亮的電壓為2V,電流為15mA。假設飽和電晶體之電壓降可忽略不計,試求的適當電阻值為多少? (A) 15kΩ,200Ω (B) 15kΩ,100Ω (C) 25kΩ,100Ω (D) 25kΩ,200Ω
41. 如圖【5】所示之電路,若 = 15V,R1 = R3 = 10kΩ,R2 = R4 = 20kΩ,V1 = 8V,V2 = 5V, 則Vo為多少? (A) – 6V (B) – 3V (C) + 3V (D) + 6V
43. 如圖【6】所示之理想運算放大器電路, 其輸出電壓Vo為多少? (A) 1.5V (B) 2.5V (C) 6.0V (D) 9.0V
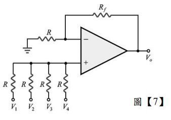
45. 如圖【7】所示之加法器,假設其理想運算放大器工作於線性區,若欲得到輸出電壓值 Vo = V1+V2+V3+V4,則之值應設定為多少? (A) 2R (B) 3R (C) 4R (D) 5R
49. 電晶體時,下列敘述之電晶體工作區域何者正確? (A)順向主動區 (B)反向主動區 (C)飽和區 (D)截止區
4. 如圖【8】所示,求=________A
5. 在RLC交流串聯電路中,已知Q = 20, = 100Hz,則頻帶寬度BW=________HZ
9. 有一電晶體三極的電流為,請以的比值關係,寫出β的定義公式:β=________。