阿摩線上測驗
登入
首頁
>
A.電工原理、B.電子概論
> 113年 - 113 台灣中油股份有限公司_僱用人員甄試_儀電類:電工原理、電子概論#123153
113年 - 113 台灣中油股份有限公司_僱用人員甄試_儀電類:電工原理、電子概論#123153
科目:
A.電工原理、B.電子概論 |
年份:
113年 |
選擇題數:
50 |
申論題數:
10
試卷資訊
所屬科目:
A.電工原理、B.電子概論
選擇題 (50)
1.某導線上的電流為3A,則在1分鐘內流過該導線的電量是多少? (A)3庫侖 (B)9庫侖 (C)60庫侖 (D)180庫侖
2.台積電目前最先進的3奈米製程技術受到廣泛關注。請問3奈米等於多少公尺? (A)3 × 10
−9
公尺 (B)3 × 10
−8
公尺 (C)3 × 10
−7
公尺 (D)3 × 10
−6
公尺
3.在相同電壓下,並聯電路中有三個電阻比為3:4:5,請問其電流比為? (A)1:1:1 (B)3:4:5 (C)12:16:20 (D)20:15:12
4.某電動車廠商設計了一款新型車,使用48V的鋰電池。如果電動車的馬達需要1.2kW 的功率,則馬達的工作電流應該是多少? (A)20A (B)25A (C)30A (D)35A
5.將三個相同的15 mH電感器並聯,不考慮互感量,則其並聯的總電感量為多少?(A)5 mH(B)10 mH(C)15 mH(D)45 mH
6.有一台1.5仟瓦特的電熱水器,連續使用2小時,若每度電費為6元,則應繳電費多少元? (A)6元 (B)9元 (C)12元 (D)18元
7.有一電壓源輸出開路時,輸出端電壓為150V,當輸出兩端接上50Ω電阻時,輸出端電 壓降為100V,則此電壓源之內阻為? (A)10Ω (B)15Ω (C)25Ω (D)50Ω
8.電磁感應所產生的應電勢方向,為反抗原磁通的變化,是利用什麼定律? (A)楞次定律 (B)高斯定律 (C)歐姆定律 (D)安培定律
9.下列何種元件在直流電源接通瞬間會呈現短路現象,穩定後會呈現開路現象? (A)二極體 (B)電阻器 (C)電容器 (D)電感器
10.下列何者不是能量的單位? (A)安培小時 (B)電子伏特 (C)焦耳 (D)卡
11.以三用電表交流ACV檔測量正弦波電壓,所測量出的數值為? (A)平均值 (B)有效值 (C)最大值 (D)峰對峰值
12.有一台P = 4極的發電機,電樞旋轉60°機械角,則應電勢經歷多少度電工角? (A)30° (B)60° (C)90° (D)120°
13.有一交流純電容電路,請問電壓與電流的相位關係為? (A)電壓超前電流45度 (B)電流超前電壓45度 (C)電壓落後電流90度 (D)電流落後電壓90度
14.某電動車公司推出了一款新型電動馬達,該電動馬達的平均功率為P,電抗功率為Q, 則該電動馬達的功率因數cosθ應為何? (A)
(B) P + Q(C)
(D)
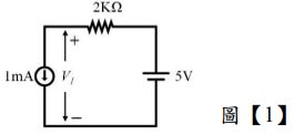
15.如圖【1】所示電路,求電壓V
1
=?
(A)3 V (B)4 V (C)5 V (D)7 V
16.台灣正在大力推動智慧工廠的建設,其中一個新建系統的功率轉換效率為80%,若損 失功率為100瓦特,則該系統的輸出功率是多少瓦特? (A)200 W (B)400 W (C)800 W (D)1000 W
17.如圖【2】所示電路,等效電阻R
ab
=?
(A)46KΩ (B)38KΩ (C)20KΩ (D)12KΩ
18.自動工廠的生產線上,有一台機器的功率消耗是500W,如果這台機器每天工作8小時, 一週工作5天,則每週的電能消耗是多少度電? (A)10度 (B)20度 (C)30度 (D)40度
19.某鋰電池的容量標示為2000mAh,該電池若以500mA的電流放電,理論上可以持續供 電多久? (A)2小時 (B)3小時 (C)4小時 (D)5小時
20.兩線圈的耦合係數為0.5,且其自感量各為10mH與40mH,則其互感量為? (A)10 mH (B)15 mH (C)25 mH (D)50 mH
21.交流正弦波電壓和電流的最大值分別為200V、5A,則其視在功率等於? (A)500 VA (B)1000 VA (C)2000 VA (D)4000 VA
22.將1/3Ω電阻和1/4Ω電容抗並聯後,連接於120∠0°V的電壓,則其總電流大小為? (A)6 A (B)10 A (C)60 A (D)600 A
23.有一個600匝的線圈,若磁通量在3秒內,由110毫韋伯降至100毫韋伯,求線圈兩端的 感應電壓大小? (A)2000 V (B)100 V (C)22 V (D)2 V
24.有一RL串聯電路,已知功率因數0.8、R=20Ω,試求X
L
為多少Ω? (A)8Ω (B)12Ω (C)15Ω (D)16Ω
25.將某銅線的長度與直徑各增加一倍後,則其電阻值為原電阻值的多少倍? (A)1/4倍 (B)1/2倍 (C)2倍 (D)4倍
26.下列材料,何者為半導體? (A)矽 (B)鉛 (C)砷 (D)硼
27.某一正弦波的峰值(VP)為100V,則其有效值(V
rms
)為多少伏特? (A) 63.6V (B) 70.7V (C) 100V (D) 200V
28.臺電公司所供應之110V / 60Hz家庭用電,以下何者為其瞬時電壓表示式(單位:伏特)? (A) 110sin(60t)(B)110sin(60πt)(C) 110
sin (60πt) (D) 110
sin (120πt)
29.稽納二極體應用於穩壓電路時,其外加工作電壓下列敍述何者正確? (A)順向電壓 (B)零電壓 (C)逆向低電壓 (D)逆向崩潰電壓
30.N型半導體的多數載子為自由電子,其內部總電荷特性下列敍述何者正確? (A)帶負電 (B)帶正電 (C)電中性 (D)不一定
31.有關MOSFET共汲極放大電路之敘述,下列敘述何者正確? (A)又稱為汲極隨耦器 (B)電壓增益很高 (C)輸出信號電壓與輸入信號電壓相位相反 (D)電壓增益小於1
32.某矽二極體,在25℃時之逆向飽和電流為3nA,若溫度上升到45℃則逆向飽和電流變為多少? (A) 3nA (B) 6nA (C) 12nA (D) 24nA
33.有關電晶體E、B、C極摻雜濃度的大小,下列何者正確? (A) E>C>B (B) B>C>E (C) C>E>B (D) E>B>C
34.某一電晶體之β=100,試計算其α值為多少? (A) 0.01 (B) 0.99 (C) 100 (D) 101
35.有一週期性變化的脈波,其脈波寬度為1ms,若脈波週期T=5ms,則其工作週期等於 多少? (A) 100% (B) 50% (C) 20% (D) 10%
36.若把電晶體的E極與C極對調使用,則此時電晶體的電流增益與耐壓會如何變化? (A)增大 (B)不一定 (C)不變 (D)降低
37.下列何種振盪器的輸出信號為方波? (A)555無穩態多諧振盪器 (B)RC相移振盪器 (C)考畢子振盪器 (D)哈特萊振盪器
38.所謂LSI(大型積體電路)是指在一個晶片上至少有多少個邏輯閘? (A) 10個 (B) 12個 (C) 100個 (D) 1000個
39.某電壓 v(t)=4
+6sin(377t)V ,v(t)之電壓最大值為多少伏特? (A) 11.66V (B) 10.66V (C) 6.66V (D) 5.66V
40.某一放大器,其正回授係數β=0.05,若欲使系統振盪,則開迴路增益A值應為多少? (A) 20 (B) 10 (C) 5 (D) 1
41.某交流電壓為 v(t)=100sin(377t)V ,則使用交流伏特表測量時,顯示出的電壓值應為多少伏特? (A) 63.6V (B) 70.7V (C) 100V (D) 200V
42.矽二極體的兩端施加直流電壓為0.9V,並測得流過二極體的電流ID為10mA,則此二極 體的靜態電阻為多少歐姆? (A) 90Ω (B) 90kΩ (C) 900Ω (D) 100kΩ
43.各級電壓增益皆大於1之串級放大電路,若串接級數增加則下列敘述何者正確? (A)總電壓增益越大且總頻寬越大 (B)總電壓增益越大且總頻寬越小 (C)總電壓增益越小且總頻寬越大 (D)總電壓增益越小且總頻寬越小
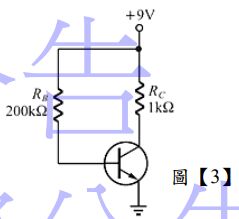
44.如圖【3】所示之電路,若電晶體的β = 100,基-射極間電壓V
BE
= 0.7V,則集-射極間電壓V
CE
為多少伏特?
(A) 0.75V (B) 3.25V (C) 4.85V (D) 8.0V
45.有一放大器的負3dB頻率為20Hz及15kHz,設其工作於標準測試頻率(1kHz)時的輸出為 20W,求其工作於20Hz和15kHz時的輸出功率為多少瓦特? (A) 5W (B) 10W (C) 15W (D) 20W
46.有關555定時IC的敘述,下列敘述何者錯誤? (A)第6腳為輸出 (B)第8腳為電源正端(V
CC
) (C)第1腳為接地端(GND) (D)外加電阻、電容即可完成定時功能
47.有一放大器,輸入電壓為300mV,輸出電壓為3V,則該放大器的分貝電壓增益為多少? (A) 10dB (B) 20dB (C) 40dB (D) 80dB
48.運算放大器之積體電路?A 741的輸出接腳,下列何者正確? (A)第3腳為輸出 (B)第6腳為輸出 (C)第2腳為輸出 (D)第7腳為輸出
49.有關BJT與MOSFET的特性,下列敘述何者錯誤? (A) BJT為雙載子元件 (B) MOSFET為單載子元件 (C) BJT的基極輸入阻抗比MOSFET的閘極輸入阻抗小 (D) n通道空乏型MOSFET的閘極加上一負電壓,則通道寬度增加
50.有一n通道增強型MOSFET工作於飽和區,則下列V
GS
外加偏壓何者正確? (A) V
GS
為正 (B) V
GS
為零 (C) V
GS
為負 (D)與V
GS
電壓極性無關
申論題 (10)
1. 台灣某大型風力發電廠的一台風力發電機輸出功率為3MW,若電壓為600V,則該發電 機的輸出電流為______A。
2. 某大型保麗龍自動切割器之電熱線電阻為25Ω,流經2A電流,經過10秒,產生熱量為_________焦耳。
3. 某自動化工廠的機器人系統需要穩定的24V電源供應,若該機器人的總功率需求為 1200W,則系統電流為________A。
4. 如圖【4】所示,求通過8Ω電阻之電流_______A。
5. 某自動化工廠平均消耗功率為24kW,功率因數為0.6落後,現在欲將功率因數提高至0.8 落後,求並聯電容器的無效功率為_______kVAR
6.有一方波的電壓有效值(V
rms)
=10V,則其平均值(V
av
)為______V
7. 溫度每上升10℃,二極體的逆向飽和電流會變成原來的_____倍
8. 當運算放大器的輸出端與反相輸入端接有負回授元件而成為線性放大器時,若將同相輸 入端接地,則此時的反相輸入端的電壓等於_____V
9. 半波整流濾波電路,若此電路中電容器之最低耐壓為V
P
,則二極體之最低耐壓值 為_____倍V
P
。
10. 巴克豪生準則:若放大器的電壓增益為A,回授係數為β,則當A✖ β≥______,就會產生振盪。
相關試卷
114年 - 114 台灣中油股份有限公司_僱用人員甄試_儀電類:電工原理、電子概論#137176
114年 · #137176
111年 - 111 台灣中油股份有限公司_僱用人員甄試試題_儀電類:電工原理、電子概論#113756
111年 · #113756
110年 - 110 台灣中油股份有限公司_雇用人員甄選_儀電類:電工原理、電子概論#113523
110年 · #113523
109年 - 109 台灣中油股份有限公司_僱用人員甄試_儀電類:電工原理、電子概論#95173
109年 · #95173
108年 - 108 台灣中油股份有限公司雇用人員甄試_儀電類(含睦鄰):電工原理、電子概論#81810
108年 · #81810
107年 - 107 台灣中油股份有限公司_僱用人員甄試_儀電類(含睦鄰):電工原理、電子概論(重複)#81898
107年 · #81898
107年 - 107 台灣中油股份有限公司_雇用人員甄試_儀電類(含睦鄰):電工原理、電子概論#80463
107年 · #80463
106年 - 106 台灣中油股份有限公司_僱用人員甄試_儀電類(含睦鄰):電工原理、電子概論#68182
106年 · #68182
105年 - 105 台灣中油股份有限公司_僱用人員甄試_儀電類、睦鄰-儀電類:A.電工原理、B.電子概論#93731
105年 · #93731
104年 - 104 台灣中油股份有限公司_雇用人員甄選_儀電類、睦鄰-儀電類:A.電工原理、B.電子概論#113541
104年 · #113541