所屬科目:A.電工原理、B.電子概論
1. 如圖【1】所示為交流RLC串聯電路,若欲使電路達到串聯諧振,則交流電源的頻率約為多少赫茲? (A)1592Hz (B)3183Hz (C)15.9kHz (D)20kHz
11. 有一個2✖10- 5 庫侖之電荷放在電場A點,已知該電荷受力為5✖10-2 牛頓,求A點之電場強度EA為何? (A) 10-7 V/m (B) 0.4✖10-3 V/m (C) 2.5✖10-3 V/m (D) 2.5 ✖103 V/m
14. 如圖【2】所示之電路,求c點電壓Vc為何?(A)8V (B)52V (C)60V (D)68V
15. 如圖【3】所示電路,當I=2A時,則電壓Vx之值應為何?(A)1V (B)2V (C)4V (D)8V
16. 使用兩瓦特表測量三相平衡負載,若兩瓦特表讀值分別為5kW與10kW,則此負載功率因數為何? (A) (B) (C) (D) 1
17. 如圖【4】所示之電路,若C1儲存的電荷為360μC,求C3=?(A)3μF (B)4μF (C)6μF (D)9μF
20. 有一個電壓方程式 ,當t=12.5ms時,求電壓值為何? (A)−70.7V (B)70.7V (C)−100V (D)100V
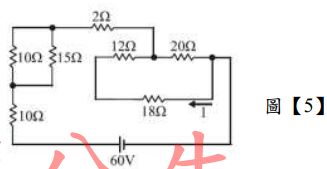
21. 如圖【5】所示電路,則電流I為何?(A)0.4A (B)−0.4A (C)0.8A (D)−0.8A
22. 如圖【6】所示電路,欲使電阻RL達最大功率之消耗,則電阻RL應調整為何? (A)1.5Ω (B)3Ω (C)4.5Ω (D)6Ω
23. 如圖【7】所示,原本伏特表滿刻度電壓為10V, 內阻為20kΩ,欲將伏特表擴大應用,則分壓器之電阻 RS1、 RS2 、 RS3 值分別為何?(A)180kΩ、800kΩ、1MΩ (B)180kΩ、1MΩ、2MΩ (C)200kΩ、1MΩ、2MΩ (D)200kΩ、800kΩ、1MΩ。
24. 如圖【8】所示電路,有一根導線長10公分,以每秒5公尺的速度向下移動,通過磁通密度為20Wb/m2的磁場,求該導線所得之感應電動勢的大小為何? (A)5V (B)6V (C)7.07V (D)8V
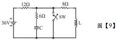
25. 如圖【9】所示,電路達穩態後,在時間t=0秒時,將開關SW閉合,求開關SW閉合瞬間, 電感器L兩端之電壓為何?(A)14.4V (B)8V (C)7.2V (D)0V
28. 如圖【10】所示,為電晶體的符號表示法,其中a、b、c三個端子依序分別表示電晶體的:(A)射極、基極、集極 (B)基極、集極、射極 (C)集極、射極、基極 (D)基極、射極、集極
29. 電晶體共射極(Common Emitter)放大器特性測試實驗所得到的輸入特性曲線為何? (A)(B)(C)(D)
30. 如圖【11】所示之達靈頓(Darlington)電路,下列敘述何者錯誤? (A)Q1與Q2之連接屬於直接耦合 (B)輸入阻抗極高 (C)輸出阻抗極低 (D)電流增益約為1
32. 如圖【12】所示,此曲線為下列何種FET的 ID-VGS 特性曲線?(VT為臨界電壓)(A)N通道JFET (B)N通道空乏型MOSFET (C)P通道增強型MOSFET (D)N通道增強型MOSFET
33. 如圖【13】所示之電路,為何種電路? (A)石英晶體掁盪器 (B)穩壓電路 (C)非反相放大器 (D)樞密特觸發器(Schmitt trigger)
42. 如圖【14】所示之電路,屬於下列何種偏壓電路?(A)固定偏壓電路 (B)集極回授偏壓電路 (C)射極回授偏壓電路 (D)基極分壓偏壓電路
45. 如圖【15】所示電路,為何種濾波器電路?(A)低通濾波器 (B)高通濾波器 (C)帶通濾波器 (D)帶拒濾波器
46. 增強型P通道絕緣閘MOSFET的符號為何? (A)(B)(C)(D)
47. 如圖【16】所示之電路符號,為何種電子元件?(A)JFET (B)N通道空乏型MOSFET (C)N通道增強型MOSFET (D)P通道空乏型MOSFET
1. 圖【17】電路中有50個10Ω電阻並聯接於5V電壓源,求電流IT為__________安培。
4. 如圖【18】所示之電路,求Rab為_________Ω。
5. 如圖【19】所示RL並聯電路,若R=16Ω且功率因數PF=0.6,則電感抗XL為________ Ω。
6. 如圖【20】所示為示波器螢光幕顯示的波形,若時間調整鈕TIME/DIV=2ms/DIV,振 幅調整鈕VOLTS/DIV=1V/DIV,則該波形之頻率等於________Hz。
7. 如圖【21】所示之理想運算放大器電路, R=1kΩ ,若 V1 =-1V,V2= 2V,V3 =-3V 時, Vo = 0V ,則 V4 等於_________伏特。
9. 如圖【22】所示電路,欲使Iz = 6mA,則R值應為____________ kΩ。
10. 如圖【23】所示電路,為矽質電晶體電路;若β = 100,RC = 1kΩ,R1 = 10kΩ,R2 = 15kΩ, VCC = 10V,VC = 5V時,IC為__________ mA