所屬科目:技師◆材料力學
一、有一 Z 字型斷面梁,一端為固定支承另一端為鉸支承,此梁受軸壓力 P。如梁 之尺寸 L = 4 m,b = 80 mm,h = 120 mm,t = 12 mm,慣性矩 Iy = 3.257 × 106 mm4, Iz = 6.507 × 106 mm4,彈性係數 E = 200 GPa。(一)試求梁斷面之慣性矩乘積 Iyz、慣性矩極大值 Imax 及慣性矩極小值 Imin。(二)如此梁在 yz 面任何方向均 可能產生側向位移,試求此梁之等效長度 Le 及臨界挫屈載重 Pcr。 (25 分)
二、有一斷面(300 mm × 300 mm)之箱型梁,厚度為 25 mm,A 點為鉸支 承,B 點為滾支承,C 點為自由端。此梁受均布載重 q,且梁之剪力圖 已繪製於梁下方。(一)求均布載重 q 之值與 A 點及 B 點之反力;(二)繪製梁 之彎矩圖;(三)計算梁內剪應力τ xy 之最大值;(四)計算梁內正向應力 σ x 之 最大值。(25 分)
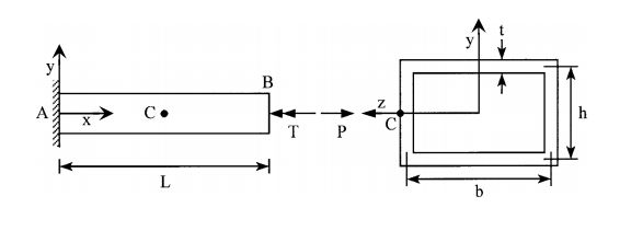
三、有一薄壁矩形斷面桿件 AB 同時受到軸力 P 及扭矩 T 之作用,A 為固定 端 B 為自由端,桿件長度 L = 4 m,斷面尺寸 b = 50 mm,h = 20 mm, 斷面厚度 t 為常數且 t = 3 mm。如 P = 8.4 kN,且 C 點所測得之正向應變 為 ε x = 100 × 10 −6 , ε y = −25 × 10−6 ,剪應變為 γ xy = 200 × 10−6 。(一)求此桿件 之伸長量 δ、彈性模數 E 及柏松比 v;(二)求此桿件之剪應力τ xy 、扭矩 T 及 B 端轉動角度 φ 。(25 分)
四、有一懸臂梁斷面彎矩勁度為 EI,此梁受到一彈簧之支撐,彈簧係數 k = EI/L3。求彈簧之反力 R 及梁受集中載重 P 處之位移,並請註明反力 及位移之方向。(25 分)