所屬科目:電子學
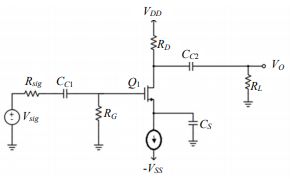
一、如圖一所示電路,其中MOSFET電晶體的特性μ n COX = 300 μA/V 2,W/L = 20, VA = 50 V,此電路之Q點偏壓,讓其 I D = 0.25 mA,RD = 10 kΩ,RG = 5 MΩ, Rsig = 500 kΩ,其負載電阻RL = 10 kΩ,假設CC1,CC2,CS皆無窮大,求輸入 阻抗Rin =?輸出阻抗RO =?開路電壓增益Avo =?全電路電壓增益(overall V voltage gain), Gv = O =?(20分)
二、如圖二所示電路,其中 BJT 電晶體的特性 β = 120 , γ O = 400 kΩ , 又 Cμ = 1 pF ,又 CC1,CC2,CE 皆無窮大,Rsig = 10 kΩ,R1 = 66 kΩ,R2 = 44 kΩ, RE = 4 kΩ,RC = 5 kΩ,VCC = 5 V,RL = 5 kΩ,直流偏壓電流 IE = 0.3 mA,假 設 fT = 900 MHz,求 fH(3 dB 頻率)=?(20 分) 圖二
五、請將 之函數以 Dynamic MOS logic circuits 之型式,畫出其電路圖,並說明其工作原理。(20 分)