所屬科目:結構分析(包括材料力學與結構學)
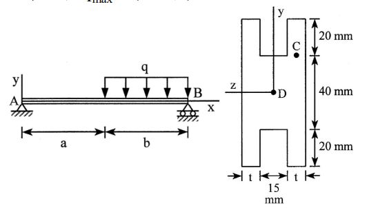
一、有一 H 型斷面梁,A 點為鉸支撐,B 點為滾支撐,此梁承受一均佈載重 q,q 之單位為 N/m。如 a = b = 1 m,剪應力 在橫斷面 C 點及 D 點之 值皆相同,且剪應力最大值不能超過 662 kPa,試求 H 型斷面 t 之寬 度及均佈載重之最大值 。
二、有一平面應力元素所受應力如下圖所示,已知該元素在 θ=30° 方向所受之正向應力為 , 在 θ=60° 方向所受之正向應力為 ,在 θ=0° 方向所受之正向應變為 ,在 θ=90° 方向所受之正向應變為 。試求此元素所受之應力 、此 元素之楊氏係數 E、柏松比 ν 及剪應變 。
提示:
三、有一桁架,C 點及 F 點為鉸支撐,B 點及 E 點各受一集中力 P,D 點受 一集中力 2P,所有桿件之楊氏係數均為 E,橫斷面面積均為 A。試求 C 點及 F 點之反力及方向、各桿件軸力(請重畫該桁架,將軸力寫在各桿件旁,張力為正,壓力為負)及 A 點之垂直位移與方向。
四、有一 ABCD 連續梁,A 點為鉸支撐,D 點為滾支撐,B 點及 C 點各受一 集中力 P。此梁於 B 點與 BE 桿件鉸接,並於 C 點與 CF 桿件鉸接。設 梁與桿件之楊氏係數皆為 E,慣性矩皆為 I,橫斷面面積皆為 A。試求 A、 E、F 及 D 點之反力及作用方向。此系統任一桿件挫屈時之最大值 為 何?