所屬科目:技檢◆電力電子-乙級
12. 下圖所示電路中,電容器之大小為 10mF,先充電至 100V 後,打開開關,則此電容器儲存能量大小為多少焦耳?(A)200(B)50(C)66.7(D)100。
21. 下圖為單相變壓器中心抽頭式全波二極體整流電路,若 V1 及 V2 的有效值電壓皆為 12V,則此二 極體的最大逆向電壓為(A)12(B)12√2 (C)24(D) 24√2V。
22. 下圖為何種開關元件的符號?(A)IGBT(B)MOSFET(C)BJT(D)GTO。
23. RCL 串聯電路中, 皆為 40V 時,此串聯電路之總電壓為多少?(A)60V(B)100V (C)40V(D)20V。
29. 一個達靈頓對的每個電晶體 都是 125,如果 是 560Ω,則輸入阻抗為(A)140kΩ(B)8.75MΩ (C)560Ω(D)70kΩ。
32. 下圖所示電路中,若 R1 =1Ω、R2 =R3 =3Ω,則 10V 電源所供應電功率為多少瓦?(A)10(B)50(C)40(D) 25。
44. 電壓、電流及電功率之測量時,下列何圖為正確? (A) (B) (C) (D) 。
47. 下圖所示波形之工作週期(Duty Cycle)為(A)70%(B)80%(C)40%(D)60%。
49. 下圖所示電路中,有關 NE555 之敘述何者為錯誤?(A)其輸出決定於 R1、R2 及 C(B)輸出波形為正弦波(C)作為非穩態振盪(D)R1 與 R2 之大小可改變其工作週期。
50. 10 位元(bit)的類比對數位轉換器(A/D converter)其解析度約為(A) (B) (C) (D) 。
63. 下圖所示之三相交流電壓控制器,Y 接電阻性負載,下列哪些選項正確?(A)負載電流無偶次諧波 (B)當激發延遲角 α≧150°時,輸出電壓為零(C)輸出電壓正、負半週對稱(D)SCR 每隔 120°導通一 次。
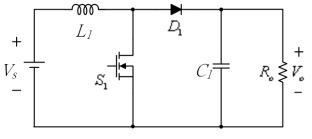
65. 下圖為昇壓型轉換器,開關元件 S 1 的切換頻率為 25kHz,輸入電壓 Vs 為 12V,輸出電壓 V0 為 1 5V,若電感電流為連續模式操作,則下列何者為正確?(A)開關元件 S 1 的導通責任週期為 0.8(B)開 關元件 S 1 的導通責任週期為 0.2(C)開關元件 S 1 的導通時間為 8μs(D)開關元件 S 1 的導通時間為 32 μs。
66. 若頻率 ω=2000 弳/秒,1kΩ 電阻的阻抗 ,3H 電感器的阻抗 ,0.1µF 電容器的阻抗 ,下 列何者正確?(A) (B) (C) (D) 。
71. 下圖所示的電路,開關於 t=0 時閉合,V=24V、R=12Ω、C=1μF、,在開關閉合 1 小 時後,則下列敘述哪些正確?(A)電流 I=2A(B)電容器上的電壓 (C)電容器上的電壓 (D) 電流 I=0A。
73. 電壓加在的負載上,試求負載的電功率 P 與虛功率 Q 為何?(A)Q=1364 VAR(B)P=1023W(C)P=726W(D)Q=968VAR。
79. 下圖所示電路中,下列敘述何者正確?(A)C1 及 C2 可以隔離直流(B) 主要功用是增加電路穩定度 (C)該電路為共集極組態放大器(D) 會降低電壓增益。
80. 下圖所示電路,下列敘述何者正確(A)電阻器 RF 可避免輸出電壓飽和問題(B)該電路為非反相放大 器(C)該電路可做為積分器(D)該電路可做為微分器。