所屬科目:教甄◆機械科/模具科/製圖科/生物產業機電/電腦機械製圖科
1.有一圓,半徑為 R,試求其形心與圓心之距離? (A) (B) (C)(D)
7.依據線條與字法規定,何者錯誤? (A)拉丁字母的粗細為字高的 (B)拉丁字母的行距為字高的(C)中文字的字距為字高的(D)A0 圖紙中的件號最小字高建議為 7mm
8.已知一三角平面 abc 之前視圖()及俯視圖()如(圖 1)所示, 如欲以輔助視圖求其實際形狀及大小,則最正確的作法是:(A)作一輔助投影面垂直線段 (B)作一輔助投影面平行線段 (C)作一輔助投影面垂直線段 (D)作一輔助投影面平行線段
20.下列符號意思何者錯誤? (A)背後熔接 (B)縫銲 (C)浮凸銲 (D)背面銲接
25.有一內接標準齒制正齒輪如(圖 2),模數 2mm、大齒輪齒數 72、小齒輪齒數 24,下列何者不正確? (A)中心距 48mm (B)大齒輪齒頂圓 148mm (C)齒深為 4.5mm (D)小齒輪齒頂圓 52mm
二、 問答計算題1.請依(表1)之表面輪廓參數數值及要求(傳輸波域、限界規則及評估長度皆為預設值),繪製表面織構符號。(4分)
2.請依(圖3)所示之視圖,繪製等比例等角圖。(3分)
4.請試著將(圖4)運動鏈簡易設計為拘束鏈,並請繪製圖形及說明。(7分)
5.請依(表2)所知尺度公差類別及部分資訊,完成其餘空白相關資料。(7分)
(1)
(2)
(3)
(4)
7.如(圖 5)所示,P=3600kg,試求 a-a 面上之剪應力及剪應變( =0.84✕106kg/cm2)?(5 分)
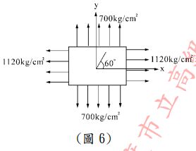
8.鋼板受兩組互成直交之拉應力作用,此兩應力之值分別為=1120kg/cm2 ,=700kg/cm2,試求與 1120kg/cm2 之應力成 60°夾角之斜截面上之正交應力與剪應力及一組餘應力?(4 分)
9.如(圖 7)所示,圓球直徑為 D,台階高 h,球重 W,試求水平力 P 為多少 W 時,才能將球拉動。(4 分)
(1)請證明P =(5 分)