阿摩線上測驗
登入
首頁
>
技檢◆氣壓-乙級
> 114年 - 08000 氣壓 乙級 工作項目 04:設計 101-150(2025/12/03 更新)#134169
114年 - 08000 氣壓 乙級 工作項目 04:設計 101-150(2025/12/03 更新)#134169
科目:
技檢◆氣壓-乙級 |
年份:
114年 |
選擇題數:
50 |
申論題數:
0
試卷資訊
所屬科目:
技檢◆氣壓-乙級
選擇題 (50)
101. RS232 為現今常用之標準串列介面,其傳輸最遠距離為 (A)5m (B)10m (C)15m (D)20m 。
102. 何謂 IEC61131-3 的標準? (A)PC-BASED 控制器 (B)氣壓系統元件 (C)PLC語言程式 (D)個人電腦硬體 的國際規範標準。
103. 60Torr 的真空壓力、配合ψ20 的吸盤,可以產生多大的理論真空吸力?(A)140000gf (B)1400gf (C)2.99kgf (D)1.84kgf 。
104. -87.5kPa 的真空壓力、搭配 2 個ψ100 之吸盤,可產生多大的真空吸力? (A)140000gf (B)1400gf (C)2.99kgf (D)1.84kgf 。
105. 330Torr 的真空壓力、搭配ψ20 之吸盤,可產生多大的真空吸力? (A)140000gf (B)1400gf (C)2.99kgf (D)1.84kgf 。
106. -0.54bar 的真空壓力、搭配ψ18 之吸盤,可產生多大的真空吸力? (A)140000gf (B)1400gf (C)2.99kgf (D)1.84kgf 。
107. 油壓緩衝器的抵抗力大小和下列何種因素無關? (A)運動物體的質量 (B)運動體的速度 (C)緩衝器的節流孔口大小 (D)大氣壓力 。
108. 在等溫下,某個控制閥的有效斷面積為 6mm
2
,入、出口壓力分別5kgf/cm
2
、3kgf/cm
2
-G,則其通過流量為 (A)6.4
(B)5.6
(C)0.45
(D)4.6
ANR。
109. 在等溫下,某個控制閥的有效斷面積為 4.9mm
2
,入、出口壓力分別為6kgf/cm
2
、2.5kgf/cm
2
-G,則其通過流量為多少? (A)6.4 (B)5.6 (C)0.45 (D)4.6
。
110. 在等溫下,某個控制閥的有效斷面積為 4mm
2
,入、出口壓力分別為5.2kgf/cm
2
、2kgf/cm
2
-G,則其通過流量為多少? (A)6.4 (B)5.6 (C)0.45 (D)4.6
。
111. 在等溫下,某個控制閥的有效斷面積為 0.4mm
2
,入、出口壓力分別為5.3kgf/cm
2
、3kgf/cm
2
-G,則其通過流量為多少? (A)6.4 (B)5.6 (C)0.45 (D)4.6
。
112. 關於排氣節流(meter-out)的敘述,下列何者錯誤? (A)不會受到負載變動而影響其設定之速度 (B)會受到負載變動而影響其設定之速度 (C)啟動滯後時間比進氣節流(meter-in)長 (D)不適用於小容量氣壓缸的速度控制 。
113. 在室溫 25℃的環境下,有支噴嘴使用 5kgf/cm
2
的氣壓源,在噴嘴口有水滴產生,為了排除滴水而加裝冷凍式乾燥機,其設定的壓力露點應為_________才能改善此一滴水現象。(A)25℃ (B)4℃ (C)1.7℃ (D)0℃
114. 有一個自由運動體重量 19.6kgf,到端點時的速度為 500mm/sec,在端點須於 5mm 的緩衝距離內停下來,請問需要提供多大的抵抗力才可達成? (A)25kgf (B)19.6kgf (C)50kgf (D)9.8kgf 。
115. 有一個自由運動體重量 9.68kgf,到端點時的速度為 450mm/sec,在端點需於 4mm 的緩衝距離內停下來,請問需要提供多大的抵抗力才可達成?(A)25 (B)19.6 (C)50 (D)9.8 kgf。
116. 有一個自由運動體重量 8kgf,到端點時的速度為 380mm/sec,在端點需於 3mm 的緩衝距離內停下來,請問需要提供多大的抵抗力才可達成?(A)25 (B)19.6 (C)50 (D)9.8 kgf。
117. 有一個自由運動體重量 4.8kgf,到端點時的速度為 400mm/sec,在端點需於 4mm 的緩衝距離內停下來,請問需要提供多大的抵抗力才可達成?(A)25 (B)19.6 (C)50 (D)9.8 kgf。
118. 2a3b 的繼電器中,請問有幾個 N.C.接點? (A)2 (B)3 (C)5 (D)1 。
119. 延時閥的計時長短受 (A)壓力 (B)溫度 (C)濕度 (D)流向 而變化。
120. 欲使下圖氣壓缸移動應按
(A)a (B)b (C)ab 同時 (D)P×2 。
121. 電磁閥的耐衝擊程度用 (A)dB (B)KHZ (C)KV (D)G 。
122. 快速排氣閥安裝在 (A)電磁閥排氣口 (B)電磁閥進氣口 (C)單向節流閥的止回閥 (D)氣壓缸進氣口 以提高氣壓缸運動速度。
123. 調壓閥的調壓彈簧係數愈大,則其靈敏度 (A)愈高 (B)愈低 (C)不變 (D)可高可低 。
124. 調壓閥的壓力調整範圍規定自________kg/cm
2
連續圓滑調整。 (A)0.5~7 (B)0~9 (C)0~10 (D)9~10
125. 工業界在實際應用上,步進工程會以幾種基本型態出現? (A)五種 (B)四種 (C)三種 (D)二種 。
126. 當某部份的程式有時並不需要被執行時,可利用下列何種應用指令? (A)比較指令(CMP) (B)傳送指令(MOV) (C)跳躍指令(CT) (D)區塊傳送 。
127. STL 指令相當於將母線移動,故在一連串 STL 指令的最後面,必須輸入何程指令返回母線? (A)RET (B)SET (C)RST (D)PLF 。
128. 邏輯方程式 f=〔A+B'C+D+EF〕.〔A+B'C+(D+EF)'〕的簡化 (A)f=A+B'C (B)f=D+EF (C)f=A+EF (D)f=D+B'C 。
129. 邏輯方程式
的簡化為 f= (A)
(B)D+EF (C)A+EF (D)
。
130. 邏輯方程式
的簡化為 f= (A)
(B)D+EF (C)A+EF (D)
。
131. 邏輯方程式
的簡化為 f= (A)
(B)D+EF (C)A+EF (D)
。
132. 對單一步進點的復置可用 RST 指令,而對多個步進點的復置需利用何種應用指令? (A)一併復置指令(ZRST) (B)跳躍指令(CT) (C)比較指令(CMP)(D)傳送指令(MOV) 。
133. 對單一接點的並接使用 OR 指令,而多接點的並聯接續迴路,則必須採用下列何種指令? (A)ANB (B)ORB (C)PLS (D)MPS 。
134. 在負載氣壓缸垂直倒置安裝的場合,為了防止意外事故發生,宜加裝下列何種氣壓元件? (A)止回閥 (B)引導止回閥 (C)單向節流閥 (D)快速排放閥 。
135. 設計鎖固迴路,宜採用引導止回閥配合下列何種方向閥? (A)5/3 位中位閉路型 (B)5/3 位中位加壓型 (C)5/3 位中位開路型 (D)5/2 位方向閥 。
136. 設計常壓鎖固迴路時,可用引導止回閥搭配下列何種閥件使用? (A)5/3中位閉路型 (B)5/3 中位加壓型 (C)3/2 常通型 (D)3/2 常閉型閥件 。
137. 設計常壓鎖固迴路時,可用引導止回閥搭配下列何種閥件使用? (A)5/2單邊氣導閥塞 B 口 (B)5/2 單邊氣導閥塞 A 口 (C)5/3 中位加壓型閥件 (D)5/3 中位閉路型閥件 。
138. 機器運轉中遇停電狀況,當恢復供電後,必須繼續執行未完成的步序,則必須採用下列何種步進點? (A)初始狀態步進點 (B)停電保持步進點 (C)原點復歸步進點 (D)一般步進點 。
139. 欲驅動初始狀態步進點(S0~S9),雖然有很多方法,但較快的方法常使用下列何種特殊電驛? (A)M8000 (B)M8001 (C)M8002 (D)M8003 。
140. 在無法安裝氣壓機械閥作端點位置偵測的場合,可利用下列何種元件解決? (A)NOT 元件 (B)AND 元件 (C)OR 元件 (D)YES 元件 。
141. 氣壓邏輯元件因無滑動摩擦,故 (A)必須潤滑 (B)不需潤滑 (C)有無潤滑均可 (D)壓縮空氣不必經過調質處理 。
142. 利用步進模組所組合而成的順序發生器,當其欲執行跳躍或重復等動作時,則在兩步進模組間必須插入下列何種元件? (A)分流模組 (B)頭尾模組 (C)計時閥 (D)NOT 元件 。
143. 可程式控制器的掃描動作可區分為幾個階段? (A)3 個 (B)2 個 (C)4 個 (D)5個 。
144. PLC 使用程式書寫器或電腦,以按鍵方式輸入指令,若需要更改控制功能,只需更改什麼即可? (A)輸入開關的接線 (B)輸出負載的接線 (C)程式(D)更改輸入開關及輸出負載 。
145. 有關氣壓直接控制迴路,下列何者正確? (A)適於控制耗氣量較小之氣壓缸 (B)動力管線與控制管線使用壓力可以相異 (C)動力管線與控制管線可以清楚分別 (D)可以節省能源浪費 。
146. 有關氣壓間接控制迴路,下列何者正確? (A)動力管線與控制管線相連結(B)動力管線與控制管線使用壓力可相同亦可相異 (C)不適於控制大型氣壓缸 (D)不適用於複雜控制迴路 。
147. 有關氣壓直接控制迴路,下列何者錯誤? (A)動力管線與控制管線不易分辨 (B)大型氣壓缸控制不適用 (C)動力管線與控制管線之使用壓力可不相同 (D)簡單迴路控制可適用 。
148. 有關氣壓間接控制迴路,下列何者錯誤? (A)動力管線線徑需配合氣壓缸耗氣量 (B)動力管線與控制管線使用壓力可以相同 (C)複雜性較高的控制可以適用 (D)動力管線與控制管線可以相連結使用 。
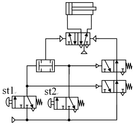
149. 下圖氣壓迴路,在操作 st1、st2 時,下列敘述何者為真?
(A)兩者都按下氣壓缸伸出,兩者都放開氣壓缸縮回 (B)其中一個按下氣壓缸伸出,兩者都放開氣壓缸縮回 (C)兩者都按下氣壓缸伸出,其中一個放開氣壓缸縮回(D)其中一個按下氣壓缸伸出,其中一個放開氣壓缸縮回 的功能。
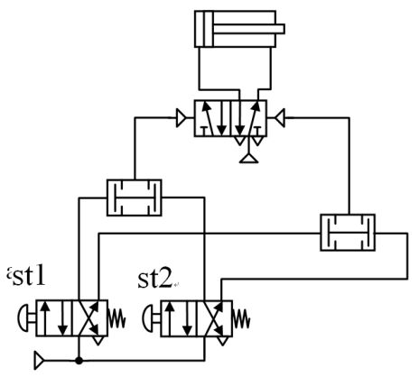
150. 下圖氣壓迴路,在操作 st1、st2 時,下列敘述何者為真?
(A)其中一個按下氣壓缸伸出,其中一個放開氣壓缸縮回 (B)其中一個按下氣壓缸伸出,兩者都放開氣壓缸縮回 (C)兩者都按下氣壓缸伸出,其中一個放開氣壓缸縮回 (D)兩者都按下氣壓缸伸出,兩者都放開氣壓缸縮回 的功能。
申論題 (0)
相關試卷
114年 - 08000 氣壓 乙級 工作項目 06:維修 51-78(2025/12/03 更新)#134175
114年 · #134175
114年 - 08000 氣壓 乙級 工作項目 06:維修 1-50(2025/12/03 更新)#134174
114年 · #134174
114年 - 08000 氣壓 乙級 工作項目 05:裝配、運轉與調整 51-99(2025/12/03 更新)#134173
114年 · #134173
114年 - 08000 氣壓 乙級 工作項目 05:裝配、運轉與調整 1-50(2025/12/03 更新)#134172
114年 · #134172
114年 - 08000 氣壓 乙級 工作項目 04:設計 201-259(2025/12/03 更新)#134171
114年 · #134171
114年 - 08000 氣壓 乙級 工作項目 04:設計 151-200(2025/12/03 更新)#134170
114年 · #134170
114年 - 08000 氣壓 乙級 工作項目 04:設計 51-100(2025/12/03 更新)#134168
114年 · #134168
114年 - 08000 氣壓 乙級 工作項目 04:設計 1-50(2025/12/03 更新)#134167
114年 · #134167
114年 - 08000 氣壓 乙級 工作項目 03:儀表及工具使用 101-162(2025/12/03 更新)#134166
114年 · #134166
114年 - 08000 氣壓 乙級 工作項目 03:儀表及工具使用 51-100(2025/12/03 更新)#134165
114年 · #134165