阿摩線上測驗
登入
首頁
>
技檢◆氣壓-乙級
> 114年 - 08000 氣壓 乙級 工作項目 04:設計 1-50(2025/12/03 更新)#134167
114年 - 08000 氣壓 乙級 工作項目 04:設計 1-50(2025/12/03 更新)#134167
科目:
技檢◆氣壓-乙級 |
年份:
114年 |
選擇題數:
50 |
申論題數:
0
試卷資訊
所屬科目:
技檢◆氣壓-乙級
選擇題 (50)
1. 利用單向輥輪極限開關之迴路設計,不適用於 (A)順序動作少之迴路 (B)低精度定位迴路 (C)低速動作的迴路 (D)具有延時功能的迴路 。
2. 利用單向輥輪作動閥所設計之迴路,不適用於 (A)動作順序簡單 (B)定位精度較低 (C)具有反覆動作 (D)高速作動 的迴路上。
3. 下列何者不適合選用磁簧開關設計? (A)氣壓缸移動速度慢 (B)氣壓缸出力太大 (C)氣壓缸活塞無永久磁環 (D)氣壓缸行程超大 。
4. 下列何者不適合選用磁簧開關設計? (A)氣壓缸移動速度慢 (B)氣壓缸移動速度快 (C)大行程氣壓缸 (D)氣壓缸出力小 。
5. 壓力開關的遲滯性,主要是因何而起? (A)軟管材質 (B)電氣接點材質 (C)巴頓管材質 (D)指針材質 。
6. 氣壓缸直徑 40mm,桿徑 12mm,衝程 200mm,當壓力為 6bar 時,其前進後退一次,理論空氣消耗量為 (A)1.1 (B)2.5 (C)3.4 (D)5.2
。
7. 氣壓缸直徑 25mm、桿徑 10mm、衝程 180mm,當壓力為 6bar 時,前進後退一次,理論空氣消耗量為 (A)1.1 (B)2.5 (C)3.4 (D)5.2
。
8. 氣壓缸直徑 32mm、桿徑 12mm、衝程 245mm,當壓力為 6bar 時,前進後退一次,理論空氣消耗量為 (A)1.1 (B)2.5 (C)3.4 (D)5.2
。
9. 氣壓缸直徑 50mm、桿徑 20mm、衝程 210mm,當壓力為 6bar 時,前進後退一次,理論空氣消耗量為 (A)1.1 (B)2.5 (C)3.4 (D)5.2
。
10. 氣壓缸的運動速度與下列何者有關? (A)環境溫度 (B)安裝高度 (C)使用壓力 (D)環境濕度 。
11. 若活塞直徑為 60mm、行程 24cm、供應 7kgf/cm
2
G 氣壓壓力,不計磨擦,則最大推力為 (A)42kgf (B)48kgf (C)198kgf (D)588kgf 。
12. 若活塞直徑為 32mm、桿徑 12mm、行程 150mm、供應 6kgf/cm
2
G 氣壓壓力,不計摩擦,則後退時最大拉力約為 (A)42 (B)48 (C)198 (D)588 kgf。
13. 若活塞直徑為 32mm、桿徑 12mm、行程 200mm、供應 6kgf/cm
2
G 氣壓壓力,不計摩擦,則前進時最大推力約為 (A)42 (B)48 (C)198 (D)588 kgf。
14. 若活塞直徑為 125mm、桿徑 30mm、行程 300mm、供應 5.1kgf/cm
2
G 氣壓壓力,不計摩擦,則後退時最大拉力約為 (A)42 (B)48 (C)198 (D)588kgf。
15. 有爆炸性之工廠如炸藥裝填工廠,動力源應以何種類型優先考慮設計?(A)純氣壓 (B)電氣氣壓 (C)氣-電混合 (D)油電控制 。
16. 下圖中的自保接點之目的在於
(A)防止 R 線圈燒燬 (B)防止 R 線圈的反電勢電路中影響其他元件之正常動作 (C)防止 R 線圈的誤動作 (D)使 R 線圈有受訊記憶的功能 。
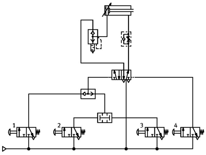
17. 在下圖中欲使氣壓缸前進,正確的啟動法是
(A)按閥 1 (B)按閥 2 (C)按閥 3(D)按閥 4 。
18. 下列各單動氣壓缸控制迴路圖中,要使它動作達到快出慢回是(A)
(B)
(C)
(D)
。
19. 鉛垂方向安裝之氣壓缸,選用 30%負荷率(負荷與氣壓缸出力之比值)時,氣壓缸的速度可以達到多少以上? (A)50mm/sec (B)100mm/sec (C)150mm/sec (D)200mm/sec 。
20. 為防止壓縮機停止運轉時,蓄壓桶的逆壓作用在壓縮機活塞上,應在壓縮機出口處裝 (A)切斷閥 (B)止回閥 (C)卸載閥 (D)節流閥 。
21. 利用單向流量控制閥及氣壓操作彈簧偏位一常開式 3 口 2 位閥組合,可得到何種功能? (A)輸入短訊號(壓力)有長訊號(壓力)輸出 (B)輸入長訊號(壓力)有短訊號(壓力)輸出 (C)輸入訊號(壓力)後延一段時間後有訊號(壓力)輸出 (D)切斷輸入訊斷(壓力後延一段時間才切斷輸出訊號(壓力) 。
22. 一定質量之理想氣體,若體積一定,則在 127℃時之絕對壓力為 27℃時之絕對壓力的幾倍? (A)4/3 (B)127/27 (C)100 (D)1 。
23. 使用錠子油潤滑氣壓控制元件,會使 NBR 系密封材 (A)收縮 (B)膨脹 (C)老化 (D)無影響 。
24. 一般氣壓缸之運動速度最低極限為 (A)500mm/s (B)50mm/s (C)1000mm/s (D)1mm/s 。
25. 2 個 4 歐姆的電器元件並聯後電阻為 (A)4 歐姆 (B)8 歐姆 (C)16 歐姆 (D)2 歐姆 。
26. 一定電壓,2 歐姆之電器元件,其功率為 4 歐姆的幾倍? (A)1/2 (B)2 (C)4(D)8 。
27. 氣壓缸缸徑 40 ㎜、行程 100 ㎜、操作壓力 5kgf/cm
2
,每分鐘作動次數10 次(往復),其空氣消耗量為________
/min(ANR)。 (A)7.35 (B)0.735 (C)1.47 (D)14.70
28. 所使用之空氣流量為 400
/min(標準狀態),錶壓力為 5kgf/cm
2
,流速約為 20m/sec 時,以何種配管為最佳? (A)1/8"(內徑尺寸 6.5mm) (B)1/4"(內徑尺寸 9.2mm) (C)3/8"(內徑尺寸 12.7mm) (D)1/2"(內徑尺寸 16.1mm) 。
29. 所使用之空氣流量為 250
/min(標準狀態),錶壓力為 6kgf/cm
2
,流速約為 20m/sec 時,以何種配管為最佳? (A)1/8"(內徑尺寸 6.5mm) (B)1/4"(內徑尺寸 9.2mm) (C)3/8"(內徑尺寸 12.7mm) (D)1/2"(內徑尺寸 16.1mm) 。
30. 所使用之空氣流量為 600
/min(標準狀態),錶壓力為 6kgf/cm
2
,流速約為 15m/sec 時,以何種配管為最佳? (A)1/8"(內徑尺寸 6.5mm) (B)1/4"(內徑尺寸 9.2mm) (C)3/8"(內徑尺寸 12.7mm) (D)1/2"(內徑尺寸 16.1mm) 。
31. 下列敘述何者為正確? (A)主電路與補助電路應紮為一束 (B)單相電動機若要變換運轉方向,只須要對調兩條電源線即可 (C)積熱型熔斷器及積熱繼電器不得作為導線之短路保護 (D)於電動控制盤中之控制線應選用黑色導線 。
32. 對於流量控制閥的敘述,下列何者正確? (A)儘量靠近氣壓缸按裝,其控制效果較佳 (B)快速排氣閥可以調整氣壓缸的速度 (C)流量的調整,不會影響壓力的變化 (D)遠離氣壓缸按裝,控制效果較佳 。
33. 繼電器之使用壽命以什麼估算? (A)作動次數 (B)使用壓力 (C)通電時間 (D)不一定 。
34. 電動機之電源側裝置電熔絲或斷路器作為分路之過電流保護用,其額定值不得超過電動機額定電流之 (A)3 (B)4 (C)5 (D)6 倍為佳。
35. 下列敘述何者為正確? (A)壓縮機進氣口之位置應以冷、乾燥、向日為佳(B)壓縮機之輸出配管不宜在出口處向上直立 (C)氣壓之配管以埋入地下為佳 (D)壓縮機之地基不宜用混凝土基礎,防止振動與噪音 。
36. 配電電壓若提高一倍,而負載不變時,則線路損失為原來之 (A)1/4 (B)1/2(C)2 (D)4 倍。
37. 下列敘述何者為錯誤? (A)只裝置過濾器不能將水份全部除去 (B)貯氣槽應接近壓縮機 (C)壓縮機之進氣管要緊靠在牆壁上 (D)通常壓縮機之進氣口都在屋頂線上 。
38. 75kw 橫型水冷式壓縮機,其一段壓縮壓力為 7kgf/cm
2
時,在其出口配管上(如下圖所示)以那一點溫度最高?
(A)A (B)B (C)C (D)D 。
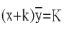
39. 下圖之迴路欲使 A 缸作往復運動,a0 部分之符號應如何表示?
(A)
(B)
(C)
(D)
。
40. 可達成下圖之時間關係之元件為
(A)
(B)
(C)
(D)
。
41. 可達成下圖之時間關係之元件為
(A)
(B)
(C)
(D)
。
42. 可達成下圖之時間關係之元件為
(A)
(B)
(C)
(D)
。
43. 可達成下圖之時間關係之元件為(A)
(B)
(C)
(D)
。
44. 應用串級法設計迴路時,對 A+B+B-A-之運動順序,下列之區分成組何者正確? (A)A+/B+B-/A- (B)A+B+B-/A- (C)A-/A+B-A- (D)A+B+/B-A-/ 。
45. 邏輯方程式 的簡化式為 (A)f=A (B)f=B (C)f=C (D)f=BC 。
46. 下列邏輯方程式何者錯誤? (A)
(B)
(C)
(D)
。
47. 下圖的邏輯式為
(A)
(B)
(C)
(D)
。
48. 有一組 10:1 的氣液增壓器,使用空氣壓力為 5bar,則輸出油壓力為_____bar。 (A)20 (B)30 (C)40 (D)50
49. 搖動機構,應使用哪一種安裝方式的氣壓缸? (A)LB (B)FA (C)CA (D)FB 。
50. 氣壓缸動作特性的 dead time 和______成正比。(A)負荷 (B)流量 (C)壓力 (D)電壓
申論題 (0)
相關試卷
114年 - 08000 氣壓 乙級 工作項目 06:維修 51-78(2025/12/03 更新)#134175
114年 · #134175
114年 - 08000 氣壓 乙級 工作項目 06:維修 1-50(2025/12/03 更新)#134174
114年 · #134174
114年 - 08000 氣壓 乙級 工作項目 05:裝配、運轉與調整 51-99(2025/12/03 更新)#134173
114年 · #134173
114年 - 08000 氣壓 乙級 工作項目 05:裝配、運轉與調整 1-50(2025/12/03 更新)#134172
114年 · #134172
114年 - 08000 氣壓 乙級 工作項目 04:設計 201-259(2025/12/03 更新)#134171
114年 · #134171
114年 - 08000 氣壓 乙級 工作項目 04:設計 151-200(2025/12/03 更新)#134170
114年 · #134170
114年 - 08000 氣壓 乙級 工作項目 04:設計 101-150(2025/12/03 更新)#134169
114年 · #134169
114年 - 08000 氣壓 乙級 工作項目 04:設計 51-100(2025/12/03 更新)#134168
114年 · #134168
114年 - 08000 氣壓 乙級 工作項目 03:儀表及工具使用 101-162(2025/12/03 更新)#134166
114年 · #134166
114年 - 08000 氣壓 乙級 工作項目 03:儀表及工具使用 51-100(2025/12/03 更新)#134165
114年 · #134165